

作品包括:
Word设计说明书1份
工序卡一套
工艺过程卡1张
任务书一份
开题报告一份
外文翻译一份
CAD版本图纸,共8张

摘要
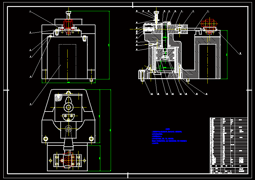
柱塞式输油泵外壳工序20机械加工工艺及夹具设计【钻3-φ7孔】 内容摘要:本设计是一种输油泵壳体的工艺设计和夹具设计,需要在BII-060柱塞式输油泵外壳上的Ф7的孔进行钻削加工。文中介绍了工件在夹具体中的定位方式,定位元件与定位机构的选择,及夹紧机构的选择和设计。现代高效率的夹具大多采用机动夹紧,按动力源分有气动、液压、气液联合、电动机及利用机床运动对工件进行夹紧。这些方式具有夹紧工作快,夹紧力稳定,可减轻工人劳动强度等特点。本设计选用气动夹紧的动力装置,利用气动来控制被加工工件在夹具体上的夹紧。 关键词:钻床夹具 输油泵 气动夹紧
温馨提示:
1、题目前面的备注【字母数字编号】为本站整理分类的编号,与课题内容无关,请选题时忽视;
2、若题目上备注三维,则表示文件里包含三维源文件,由于三维组成零件数量较多,为保证预览截图的简洁性,本站将三维文件夹进行了打包。三维及CAD预览截图,均为本站电脑打开软件进行截图的,保证能够打开,下载原件超高清,下载后解压即可;
3、本站所有资源如无特殊说明,都需要本地电脑安装Office2007。图纸软件为AutoCAD,PROE,UG,SolidWorks,CATIA等;
4、本站所有图文资料仅供用户学习参考,不作为任何商用或其他用途;
5、本站不保证下载资源的准确性、安全性和完整性, 不包修改,不支持退换,同时也不承担用户因使用这些下载资源对自己和他人造成任何形式的伤害或损失;
6、 下载文件中如有侵权或不适当内容,请与我们联系,我们立即纠正。