

作品包括:
说明书1份,共37页,约13000字左右
CAD版本本图纸,共9张
工序卡一份
过程卡一张

摘 要
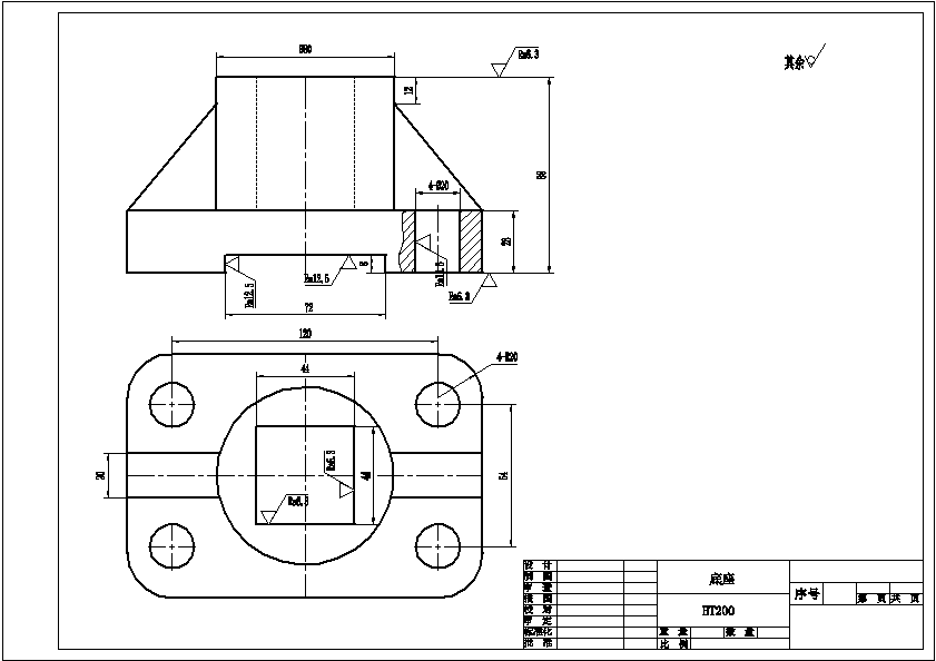
本设计是基于阀体零件的加工工艺规程及一些工序的专用夹具设计。阀体零件的主要加工表面是平面及孔系。一般来说,保证平面的加工精度要比保证孔系的加工精度容易。因此,本设计遵循先面后孔的原则。适用于大批量、流水线上加工,能够满足设计要求。机械加工工艺是企业上品种、上质量、上水平,加速产品更新,提高经济效益的技术保障。然而夹具又是制造系统的重要部分,工艺对夹具的要求也会提高,专用夹具、成组夹具、组合夹具和随行夹具都朝着柔性化、自动化、标准化、通用化和高效化方向发展以满足加工要求。所以对机械的加工工艺及夹具设计具有十分重要的意义。
关键词:阀体类零件;工艺;夹具;
目 录
摘 要 II
ABSTRACT I
第1章 绪论 2
1.1.夹具简介 2
1.2本次设计的内容 3
1.3机床夹具的功能 3
第2章 加工工艺规程设计 5
2.1 零件的分析 5
2.1.1 零件的作用 5
2.1.2 零件的工艺分析 5
2.2 阀体加工的主要问题和工艺过程设计所应采取的相应措施 6
2.2.1 孔和平面的加工顺序 6
2.2.2 孔系加工方案选择 6
2.3 阀体加工定位基准的选择 6
2.3.1 粗基准的选择 6
2.3.2 精基准的选择 7
2.4 阀体加工主要工序安排 7
2.5 机械加工余量、工序尺寸及毛坯尺寸的确定 9
2.6确定切削用量及基本工时(机动时间)[3] 10
2.7 时间定额计算及生产安排 17
第3章 铣宽度为11mm槽夹具设计 20
3.1设计要求 20
3.2夹具设计 20
3.2.1 定位基准的选择 20
3.2.2 切削力及夹紧力的计算 20
3.3定位误差的分析 21
3.4 定向键与对刀装置设计 21
3.5 夹具设计及操作的简要说明 23
第4章 钻孔夹具设计 24
4.1 夹具的夹紧装置和定位装置 24
4.2 夹具的导向 25
4.3 钻孔与工件之间的切屑间隙 25
4.4 钻模板 26
4.5定位误差的分析 26
4.6 钻套、衬套、钻模板设计与选用 28
4.7 确定夹具体结构和总体结构 29
4.8 夹具设计及操作的简要说明 31
总结 31
参 考 文 献 32
致 谢 33
温馨提示:
1、题目前面的备注【字母数字编号】为本站整理分类的编号,与课题内容无关,请选题时忽视;
2、若题目上备注三维,则表示文件里包含三维源文件,由于三维组成零件数量较多,为保证预览截图的简洁性,本站将三维文件夹进行了打包。三维及CAD预览截图,均为本站电脑打开软件进行截图的,保证能够打开,下载原件超高清,下载后解压即可;
3、本站所有资源如无特殊说明,都需要本地电脑安装Office2007。图纸软件为AutoCAD,PROE,UG,SolidWorks,CATIA等;
4、本站所有图文资料仅供用户学习参考,不作为任何商用或其他用途;
5、本站不保证下载资源的准确性、安全性和完整性, 不包修改,不支持退换,同时也不承担用户因使用这些下载资源对自己和他人造成任何形式的伤害或损失;
6、 下载文件中如有侵权或不适当内容,请与我们联系,我们立即纠正。