

作品包括:
Word版说明书一份,共23页,约10000字
外文翻译一份
CAD版本图纸,共6张:

目录
1. 前言部分
2. 机械制造工艺设计任务书
3. 参考文献
4. 零件分析
5. 确定毛坯
6. 拟定工艺路线
7. 铣平面工艺计算
8. 镗孔的计算
9. 钻孔的计算
10. 磨削加工计算
11. 镗孔专用夹具设计
12. 毕业设计的总结
前言部分
机械制造工艺毕业设计是完成大学全部课程,并进行了毕业实习的基础上进行的一个重要的教学环节。这次设计要求我们能综合运用所学的基本理论并结合生产实际中学到的实践知识,独立地分析和解决工艺问题,初步具备了设计一个中等复杂程度零件(预选阀体)的工艺规程的能力和运用夹具设计的基本原理和方法拟定夹具设计方案,完成夹具结构设计的能力,也是熟悉和运用有关手册,图表等技术资料及编写技术文件的一次实践机会,为今后从事的工作打下良好的基础。
机械制造的工艺设计任务书
1. 设计的题目:
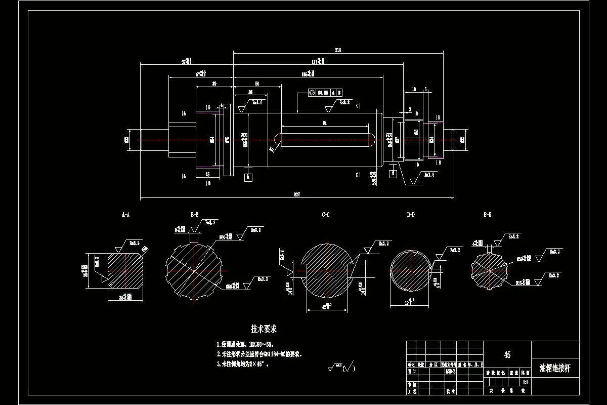
设计预选阀体的机械加工工艺规程及镗孔工装夹具设计
2. 原始资料:
1) 生产纲领:10万件/年
2) 生产类型:中批量产量
3) 车间工作制:两班制
3. 设计内容
1) 零件毛坯合图 1张
2) 机械加工工艺过程卡 1套
3) 机械加工工序卡 1套
4) 专用夹具体 1副
5) 设计说明书 1份
温馨提示:
1、题目前面的备注【字母数字编号】为本站整理分类的编号,与课题内容无关,请选题时忽视;
2、若题目上备注三维,则表示文件里包含三维源文件,由于三维组成零件数量较多,为保证预览截图的简洁性,本站将三维文件夹进行了打包。三维及CAD预览截图,均为本站电脑打开软件进行截图的,保证能够打开,下载原件超高清,下载后解压即可;
3、本站所有资源如无特殊说明,都需要本地电脑安装Office2007。图纸软件为AutoCAD,PROE,UG,SolidWorks,CATIA等;
4、本站所有图文资料仅供用户学习参考,不作为任何商用或其他用途;
5、本站不保证下载资源的准确性、安全性和完整性, 不包修改,不支持退换,同时也不承担用户因使用这些下载资源对自己和他人造成任何形式的伤害或损失;
6、 下载文件中如有侵权或不适当内容,请与我们联系,我们立即纠正。