欢迎来到龙图网在线图文分享平台-CAD图纸,设计说明书,工业设计3D模型,三维软件下载!   客服QQ:2363701252
热搜:

工艺夹具 模具设计 数控编程 土木工程 3D模型

S1000-小型电镀厂废水处理工程设计 下载积分:150 资料编号: S1000

1.打开支付宝或者微信扫描二维码。
2.填写金额:150 
3.添加备注,填写资料编号:
资料编号: S1000
4.支付成功后,请发资料编号到邮箱:jxsj168@qq.com
会有专人在15分钟内把资料发到您邮箱
备注:如果付款忘记填写资料编号,则发邮件时附带您的交易明细截图即可。
请耐心等待,如超过30分钟还没收到,请联系客服QQ:2363701252
点击分享:

作品描述

作品包括:

说明书1份,共40页,约20000字左右

CAD版本图纸,共8张


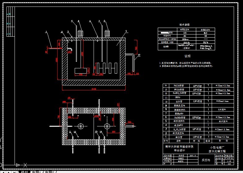
摘 要:电镀是世界三大污染行业之一,随着我国乡镇电镀企业的迅速发展,我国的电镀污染问题日趋严重。本文首先阐述了我国电镀废水的污染现状以及对人类产生的危害,在对化学处理、离子交换、电解法、生物处理等电镀废水处理方法的分析和比较后,结合乡镇电镀企业要求工艺简单、成本低等特点,决定采用NaHSO4化学还原沉淀法处理该企业的含铬、锌废水。本工艺是在pH=2.5时用NaHSO4溶液将Cr6+还原为Cr3+,在用NaOH溶液调节pH=8后生成Cr(OH)3和Zn(OH)2沉淀,在添加絮凝剂PAC和PAM后生成的絮体在斜板沉淀池中沉淀,出水经砂滤器过滤后可回用于砂滤器反冲洗水及各种溶液的配制,或者达标排放,而污泥则统一交于专业的环保公司处理。在设计中采用了较为先进的ORP测定仪、在线pH计和液位计实现反应过程的自动控制。通过设计计算确定了各构筑物的尺寸以及设备的选型,并对设计和操作管理中的要求进行了说明,最后对电镀废水治理的前景进行了展望。


关键字:电镀废水;Cr;Zn;化学还原沉淀法

目录

引言 1

第1章 电镀废水概论 2

1.1 电镀污染现状 2

1.2 电镀废水的危害 3

1.2.1 含铬废水的危害 3

1.2.2含锌废水的危害 4

1.3 我国治理电镀废水的发展历程 4

第2章 设计背景 5

2.1项目概况和意义 5

2.2设计条件 5

2.3设计原则 4

第3章 电镀废水处理方法比较 6

3.1 化学处理法 6

3.1.1 含铬废水的处理 6

3.1.2 含锌废水的处理 9

3.2 离子交换处理法 10

3.3 电解法 11

3.4生物法 12

3.4.1 生物絮凝法 12

3.4.2 生物吸附法 12

3.4.3 生物化学法 13

3.4.4 植物修复法 13

3.5 膜分离技术 14

3.6 离子浮选法 14

3.7 黄原酸法 14

3.8 腐殖酸法 15

3.9活性炭吸附法 15

第4章 处理工艺的确定 16

4.1 工艺流程选择 16

4.2 工艺流程说明 17

4.2.1 废水系统 17

4.2.2 污泥系统 17

4.2.3 药剂投配系统 17

4.3 工艺条件控制 17

第5章 单体构筑物的设计计算 18

5.1调节池 18

5.2反应池 18

5.3 斜板沉淀池 21

5.4 中间水池 25

5.5 过滤器 25

5.6 清水池 26

5.7 药剂投配系统 27

5.8 污泥处理系统 28

第6章 水力计算 30

6.1 调节池水泵扬程 30

6.2 砂滤器水泵扬程 31

6.2.1 进水提升泵 31

6.2.2 反冲洗水泵 31

第7章 设计管理要求 33

7.1设备与材料要求 33

7.2 电气控制系统设计要求 33

7.2.1 处理系统的自动控制方式 33

7.2.2 处理系统的手动控制方式 34

7.3 处理药剂及药品消耗 34

7.3.1 处理药剂 34

7.3.2 药品损耗估算 34

7.4 操作管理注意事项 35

第8章 电镀废水治理发展前景 36

参考文献 37

致谢 49

附录 40

外文译文 40

外文原文 52

温馨提示:

1、题目前面的备注【字母数字编号】为本站整理分类的编号,与课题内容无关,请选题时忽视;

2、若题目上备注三维,则表示文件里包含三维源文件,由于三维组成零件数量较多,为保证预览截图的简洁性,本站将三维文件夹进行了打包。三维及CAD预览截图,均为本站电脑打开软件进行截图的,保证能够打开,下载原件超高清,下载后解压即可;

3、本站所有资源如无特殊说明,都需要本地电脑安装Office2007。图纸软件为AutoCAD,PROE,UG,SolidWorks,CATIA等;

4、本站所有图文资料仅供用户学习参考,不作为任何商用或其他用途;
5、本站不保证下载资源的准确性、安全性和完整性, 不包修改,不支持退换,同时也不承担用户因使用这些下载资源对自己和他人造成任何形式的伤害或损失;

6、 下载文件中如有侵权或不适当内容,请与我们联系,我们立即纠正。


线