

作品包括:
Word版说明书1份,共16页,约6000字
CAD版本图纸,共4张
目录
绪论 1
1.机械设计制造的概述 1
2.设计目的 1
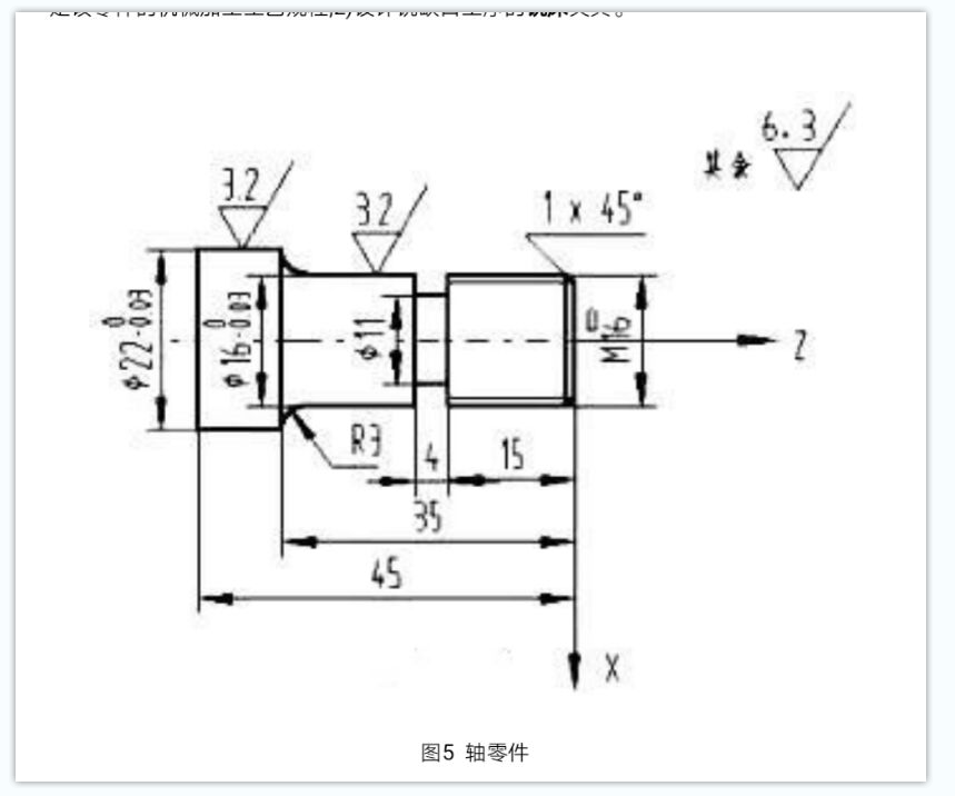
1. 零件的分析 2
1.1 零件的分析 2
1.2 确定零件的生产类型 3
2. 确定毛坯 3
2.1 毛坯的选择 3
3. 基准的选择及方案的确定 3
3.1 基准的选择 3
3.1.1 精基准的选择 3
3.1.2 定位方案的比较分析与确定 4
3.2 选择加工方法 4
4. 夹紧机构的设计 4
4.1 夹紧力的方向、作用点 4
4.2 选择夹紧机构,确定夹紧方案 4
4.3 计算夹紧力 5
4.4 选择导向装置 6
4.5 夹具体 9
5. 误差分析 10
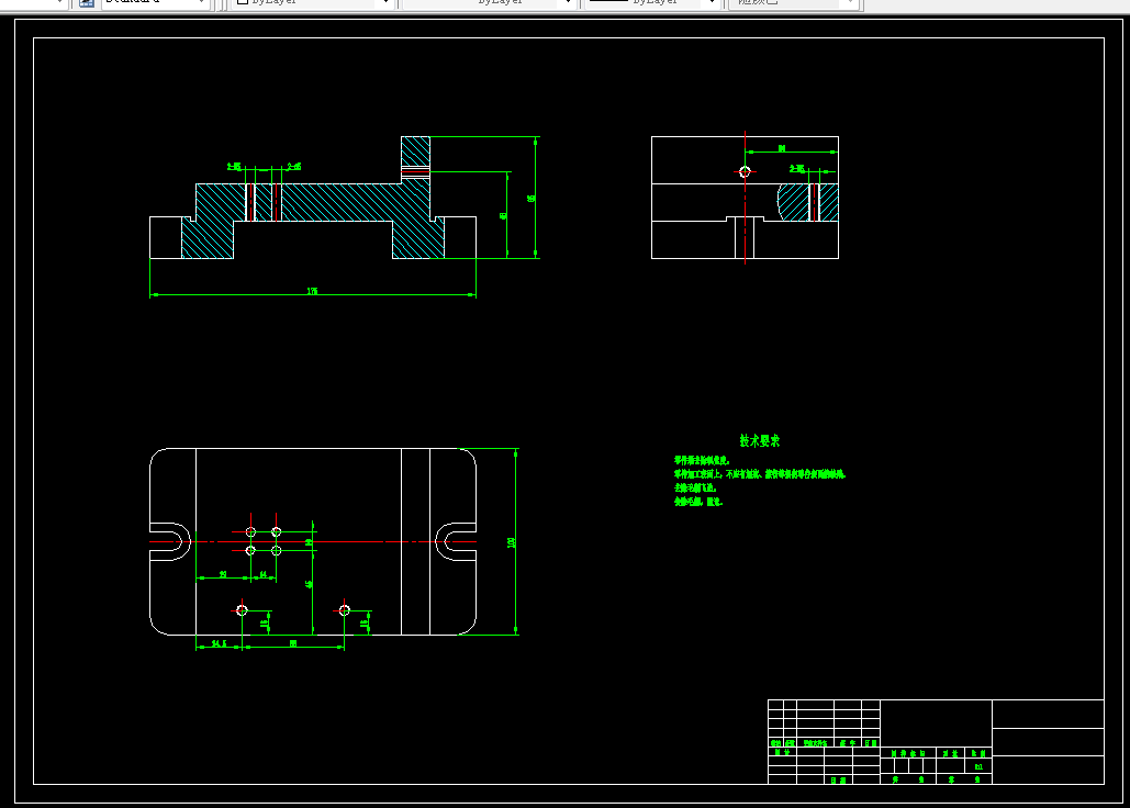
6. 绘制夹具装配图 10
6.1制图比例1:1 10
6.2 夹紧、导向,夹具体 10
6.3 夹具装配图上标注的尺寸 12
6.4 夹具装配图上应标注的技术要求 12
7. 方案设计论证 13
致谢 13
参考书籍 14
温馨提示:
1、题目前面的备注【字母数字编号】为本站整理分类的编号,与课题内容无关,请选题时忽视;
2、若题目上备注三维,则表示文件里包含三维源文件,由于三维组成零件数量较多,为保证预览截图的简洁性,本站将三维文件夹进行了打包。三维及CAD预览截图,均为本站电脑打开软件进行截图的,保证能够打开,下载原件超高清,下载后解压即可;
3、本站所有资源如无特殊说明,都需要本地电脑安装Office2007。图纸软件为AutoCAD,PROE,UG,SolidWorks,CATIA等;
4、本站所有图文资料仅供用户学习参考,不作为任何商用或其他用途;
5、本站不保证下载资源的准确性、安全性和完整性, 不包修改,不支持退换,同时也不承担用户因使用这些下载资源对自己和他人造成任何形式的伤害或损失;
6、 下载文件中如有侵权或不适当内容,请与我们联系,我们立即纠正。