

作品包括:
Word版说明书1份,共35页,约11000字
任务书一份
CAD版本图纸,共42张

摘要
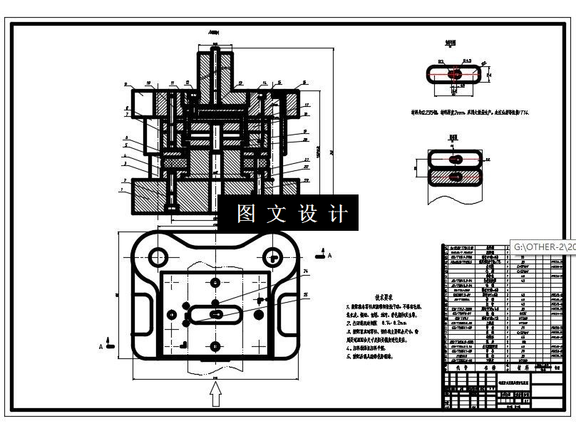
本设计是对给定的铰链零件进行冲压模具设计。冲压工艺的选择是经查阅相关资料和和对产品形状仔细分析的基础上进行的;冲压模具的选择是在综合考虑了经济性、零件的冲压工艺性以及复杂程度等诸多因素的基础上进行的;产品毛坯展开尺寸的计算是在方便建设又不影响模具成型的前提下简化为所熟悉的模型进行的。文中还对冲压成型零件和其它相关零件的选择原则及选择方法进行了说明,另外还介绍了几种产品形状的毛坯展开尺寸计算的方法和简化模型,以及冲压模具设计所需要使用的几种参考书籍的查阅方法。
【关键词】工艺、工艺性、冲压工序、冲压模具、尺寸
目录
摘要3
第一章、引言4
第二章、冲压件的工艺性分析6
2.1.冲压件的结构工艺性7
2.1.1.冲压件的形状7
2.1.2.产品材料的分析7
2.1.3.冲压件的尺寸精度8
第三章、制件冲压工艺方案的确定9
3.1.冲压工序的组合9
3.2.冲压顺序的安排9
第四章、制件排样图的设计及材料利用率的计算10
4.1.展开尺寸的计算10
4.2.制件排样图的设计11
4.2.1.搭边与料宽11
4.3.材料利用率的计算13
第五章、确定总冲压力和选用压力机及计算压力中心14
5.1.冲压力14
5.1.1.落料冲孔模冲压力的计算14
5.1.2.预弯模冲压力的计算15
5.1.3.卷圆模冲压力的计算15
5.2.压力中心的计算16
5.3.压力机的选用18
5.4.压力机的校核19
5.4.1.落料冲孔模19
5.4.2.预弯模20
5.4.3.卷圆模21
第六章、凸、凹模刃口尺寸计算22
6.1.凸、凹模刃口尺寸计算原则22
6.2.弯曲部分计算25
第七章、模具零件的结构设计27
7.1.落料凸凹模的设计27
7.2.冲孔冲头的设计27
7.3.落料凹模的设计28
7.4.预弯曲凸模的设计28
7.5.预弯凹模的设计29
7.6.卷圆滑块的设计29
7.7.凹模的设计30
7.8.凸模的设计31
第八章、模具的总装配(单模的装配方法)32
设计小结33
致谢34
参考文献35
温馨提示:
1、题目前面的备注【字母数字编号】为本站整理分类的编号,与课题内容无关,请选题时忽视;
2、若题目上备注三维,则表示文件里包含三维源文件,由于三维组成零件数量较多,为保证预览截图的简洁性,本站将三维文件夹进行了打包。三维及CAD预览截图,均为本站电脑打开软件进行截图的,保证能够打开,下载原件超高清,下载后解压即可;
3、本站所有资源如无特殊说明,都需要本地电脑安装Office2007。图纸软件为AutoCAD,PROE,UG,SolidWorks,CATIA等;
4、本站所有图文资料仅供用户学习参考,不作为任何商用或其他用途;
5、本站不保证下载资源的准确性、安全性和完整性, 不包修改,不支持退换,同时也不承担用户因使用这些下载资源对自己和他人造成任何形式的伤害或损失;
6、 下载文件中如有侵权或不适当内容,请与我们联系,我们立即纠正。