

作品包括:
Word版说明书1份,共35页,约15000字
任务书一份
开题报告一份
外文翻译一份
PPT答辩一份
CAD版本图纸,共15张


摘要
本课题来源于郑州优德模塑有限公司集团公司。针对控制器底座插件壳体的塑件图,完成其三维造型设计。然后,根据塑件的特点完成其注射模设计。
本文主要阐述了控制器底座插件壳体注塑成型的基本原理、注射模具的结构设计方法及过程。采用Autodesk公司的软件AutoCAD和PTC公司的软件Pro/ENGINEER软件完成了对控制器底座插件壳体注射模具的计算机辅助设计,共绘制注射模总装图一套,并绘制了相应的零件图。
今天,随着科技的快速发展,控制器在日常生活和生产中的应用范围越来越广。因此,人们对控制器底座插件的需求量也越来越大。故研究和设计控制器底座插件壳体的注射模也是很重要的。这不仅有利于降低模具的制造成本,更有利于提高控制器底座插件的生产效率和产品的质量。通过这次设计,我得到了很大的锻炼,并有了不小的进步。
目录
引言1
1课题概述2
1.1选题背景2
1.2我国注射模现状及发展趋势2
1.3本课题原始依据分析及有待解决的主要关键问题3
1.4设计可行性分析5
2控制器底座插件结构工艺分析6
2.1控制器底座插件的材料选择6
2.2塑件的成型工艺性分析6
2.3塑件的结构工艺性分析7
2.3.1塑件尺寸精度的选择7
2.3.2塑件的表面质量7
2.3.3工艺性分析8
3注射成型原理及设备选择9
3.1注射成型工艺原理9
3.2注射成型工艺参数的选择9
3.3初选注塑机9
4注塑模总体结构设计11
4.1型腔数目11
4.2分型面的确定11
4.3浇注系统设计12
4.3.1主流道的设计12
4.3.2分流道的设计13
4.3.3拉料杆的设计14
4.3.4浇口的设计15
4.4导向机构设计16
4.4.1导柱导向机构的设计16
4.4.2导套的设计17
4.5顶出机构设计18
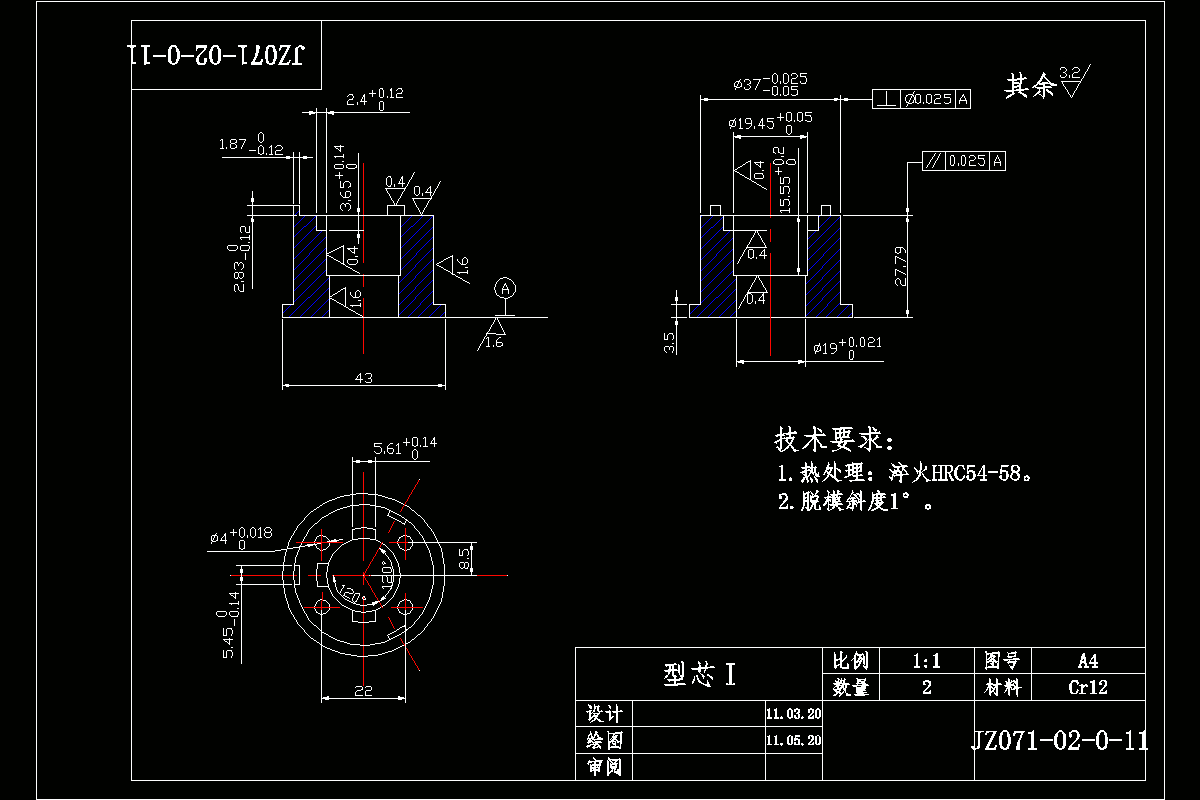
4.6成型零部件结构设计18
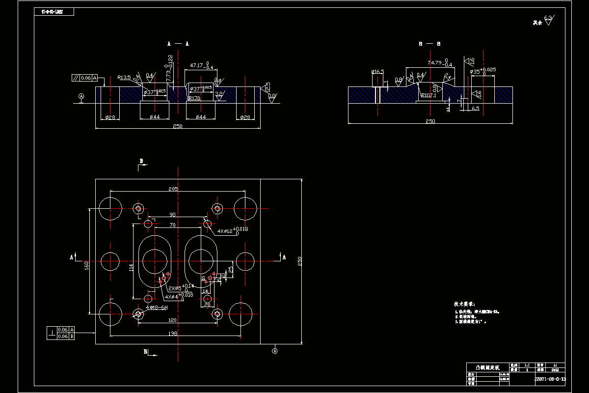
4.6.1凹模的结构设计18
4.6.2凸模的结构设计19
4.7模具温度调节系统设计19
4.8标准模架的选择20
4.9排气槽设计21
4.10模具材料选择22
5相关理论计算及校核23
5.1注射机有关参数校核及最终选则23
5.1.1注射压力的校核23
5.1.2最大注塑量的校核23
5.1.3锁模力校核23
5.1.4模具与注塑机安装相关尺寸校核24
5.2型腔尺寸计算25
5.3型芯尺寸计算26
6技术经济性分析28
7总结29
8致谢30
参考文献31
温馨提示:
1、题目前面的备注【字母数字编号】为本站整理分类的编号,与课题内容无关,请选题时忽视;
2、若题目上备注三维,则表示文件里包含三维源文件,由于三维组成零件数量较多,为保证预览截图的简洁性,本站将三维文件夹进行了打包。三维及CAD预览截图,均为本站电脑打开软件进行截图的,保证能够打开,下载原件超高清,下载后解压即可;
3、本站所有资源如无特殊说明,都需要本地电脑安装Office2007。图纸软件为AutoCAD,PROE,UG,SolidWorks,CATIA等;
4、本站所有图文资料仅供用户学习参考,不作为任何商用或其他用途;
5、本站不保证下载资源的准确性、安全性和完整性, 不包修改,不支持退换,同时也不承担用户因使用这些下载资源对自己和他人造成任何形式的伤害或损失;
6、 下载文件中如有侵权或不适当内容,请与我们联系,我们立即纠正。