

作品包括:
Word版说明书1份,共25页,约10000字
任务书一份
CAD版本图纸,共7张

摘要
中国作为机械制造大国,机械传动特别是齿轮传动随处可见,现在社会经济发展的很快,自然对于加工精度的要求也就变的高起来了。但国内齿轮加工技术水平不高,加工高精度的齿轮难度较大。用的最多的齿轮生产机器就是滚齿机,它是用来加工齿轮的。圆工作台在滚齿机里面,是一个非常重要的零部件,它的性能对于机床的加工精度,还有表面粗糙度影响不小。所以说,设计圆工作台对于滚齿机来说,是非常重要的。
通过资料的查阅,了解和掌握滚齿机的工作原理、特点及研究现状,为后面的设计和计算奠定基础。将圆工作台的方案就设计出来了,关键就是设计有动圆工作台转动的蜗杆传动,对蜗杆轴的强度进行了校核,另外还分析了装在蜗杆轴上面的轴承的使用时间等等。
关键词:数控滚齿机;Z轴;圆工作台;进给机构;设计
目录
摘要I
ABSTRACT II
第1章绪论1
1.1齿轮加工的概述1
1.2国外滚齿机的研究现状1
1.3国内滚齿机的研究现状2
第2章圆工作台总体方案的设计与确定5
2.1滚齿工作原理的确定5
2.2主要技术参数的确定5
2.3圆工作台的总体方案的设计与确定6
2.3.1圆工作台设计要求的确定6
2.3.2圆工作台总体方案的确定6
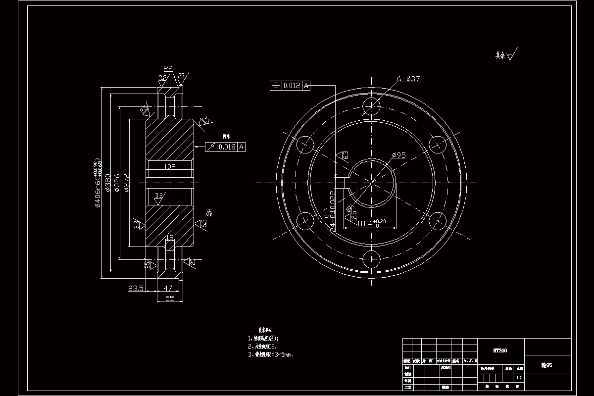
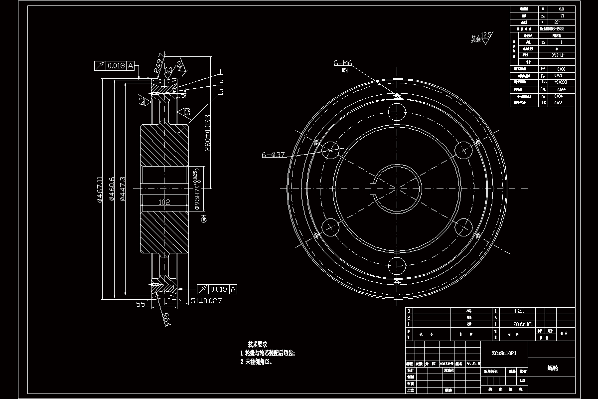
2.4圆工作台结构的设计与确定6
第3章圆工作台传动部分的设计与计算8
3.1电动机的选择与确定8
3.2蜗杆传动的设计与确定8
3.2.1蜗杆传动类型的确定8
3.2.2蜗杆传动材料的确定8
3.2.3按齿面接触疲劳强度进行设计8
3.2.4蜗杆与蜗轮主要参数及几何尺寸的计算10
3.2.5齿根弯曲疲劳强度的校核10
3.2.6传动效率的验算11
3.3蜗杆传动润滑方式的确定11
3.3.1润滑方法的确定11
3.3.2润滑油的确定12
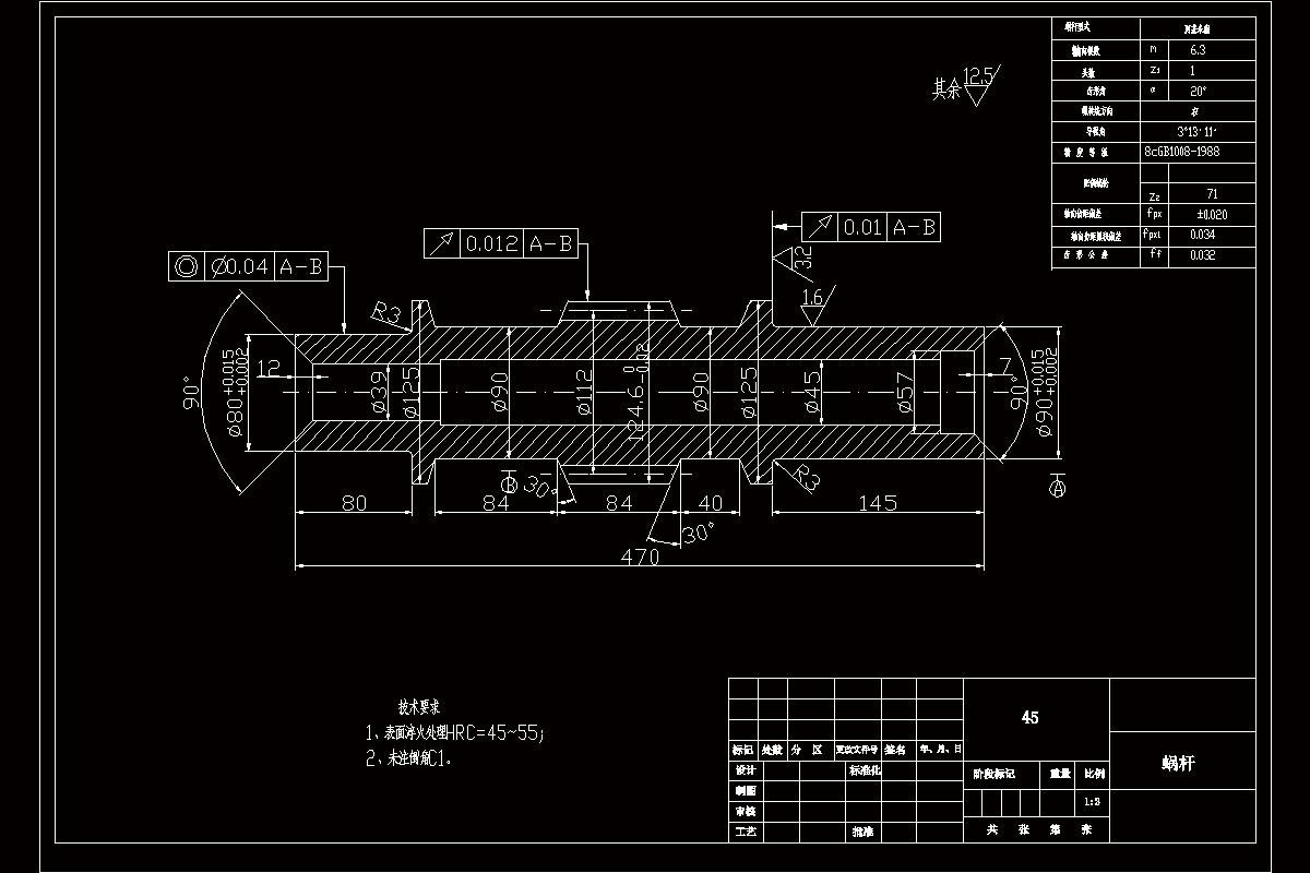
第4章圆工作台主要部件的设计计算13
4.1蜗杆轴的结构设计13
4.1.1蜗杆轴的最小直径计算13
4.1.2蜗杆轴的强度校核13
4.2轴承寿命分析15
结论18
致谢19
参考文献20
温馨提示:
1、题目前面的备注【字母数字编号】为本站整理分类的编号,与课题内容无关,请选题时忽视;
2、若题目上备注三维,则表示文件里包含三维源文件,由于三维组成零件数量较多,为保证预览截图的简洁性,本站将三维文件夹进行了打包。三维及CAD预览截图,均为本站电脑打开软件进行截图的,保证能够打开,下载原件超高清,下载后解压即可;
3、本站所有资源如无特殊说明,都需要本地电脑安装Office2007。图纸软件为AutoCAD,PROE,UG,SolidWorks,CATIA等;
4、本站所有图文资料仅供用户学习参考,不作为任何商用或其他用途;
5、本站不保证下载资源的准确性、安全性和完整性, 不包修改,不支持退换,同时也不承担用户因使用这些下载资源对自己和他人造成任何形式的伤害或损失;
6、 下载文件中如有侵权或不适当内容,请与我们联系,我们立即纠正。