

作品包括:
Word版说明书1份,共42页,约20000字
CAD版本图纸,共4张

摘要
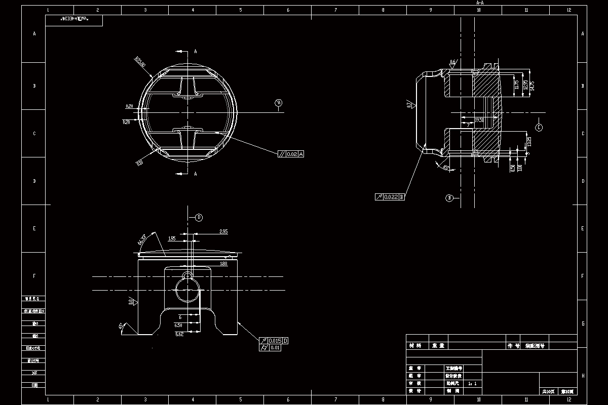
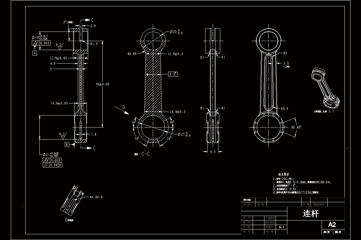
近些年来,用户对于航空飞行器的最大航程有者更加高的需求。目前二冲程活塞式燃油航空发动机已经广泛应用于航空飞行器的动力系统。虽然传统的曲柄连接机构在技术上已经成熟,但曲柄连接机构会导致活塞移动,从而在缸衬上产生侧向力,从而增加活塞和缸衬之间的摩擦,摩擦功损失增加,机械效率下降。因此,在具有结构限制的传统发动机不太可能实现更大的机械效率。所以二冲程发动机最需要解决的是活塞对缸套的侧压力,以此来提高燃油的利用效率。
本文运用一种具有曲轴、活塞和活塞杆组成新型传动机构代替传统的曲柄连杆机构来进行传动。
关键词:二冲程发动机;航空发动机;结构设计
温馨提示:
1、题目前面的备注【字母数字编号】为本站整理分类的编号,与课题内容无关,请选题时忽视;
2、若题目上备注三维,则表示文件里包含三维源文件,由于三维组成零件数量较多,为保证预览截图的简洁性,本站将三维文件夹进行了打包。三维及CAD预览截图,均为本站电脑打开软件进行截图的,保证能够打开,下载原件超高清,下载后解压即可;
3、本站所有资源如无特殊说明,都需要本地电脑安装Office2007。图纸软件为AutoCAD,PROE,UG,SolidWorks,CATIA等;
4、本站所有图文资料仅供用户学习参考,不作为任何商用或其他用途;
5、本站不保证下载资源的准确性、安全性和完整性, 不包修改,不支持退换,同时也不承担用户因使用这些下载资源对自己和他人造成任何形式的伤害或损失;
6、 下载文件中如有侵权或不适当内容,请与我们联系,我们立即纠正。