

作品包括:
Word版说明书1份,共35页,约11000字
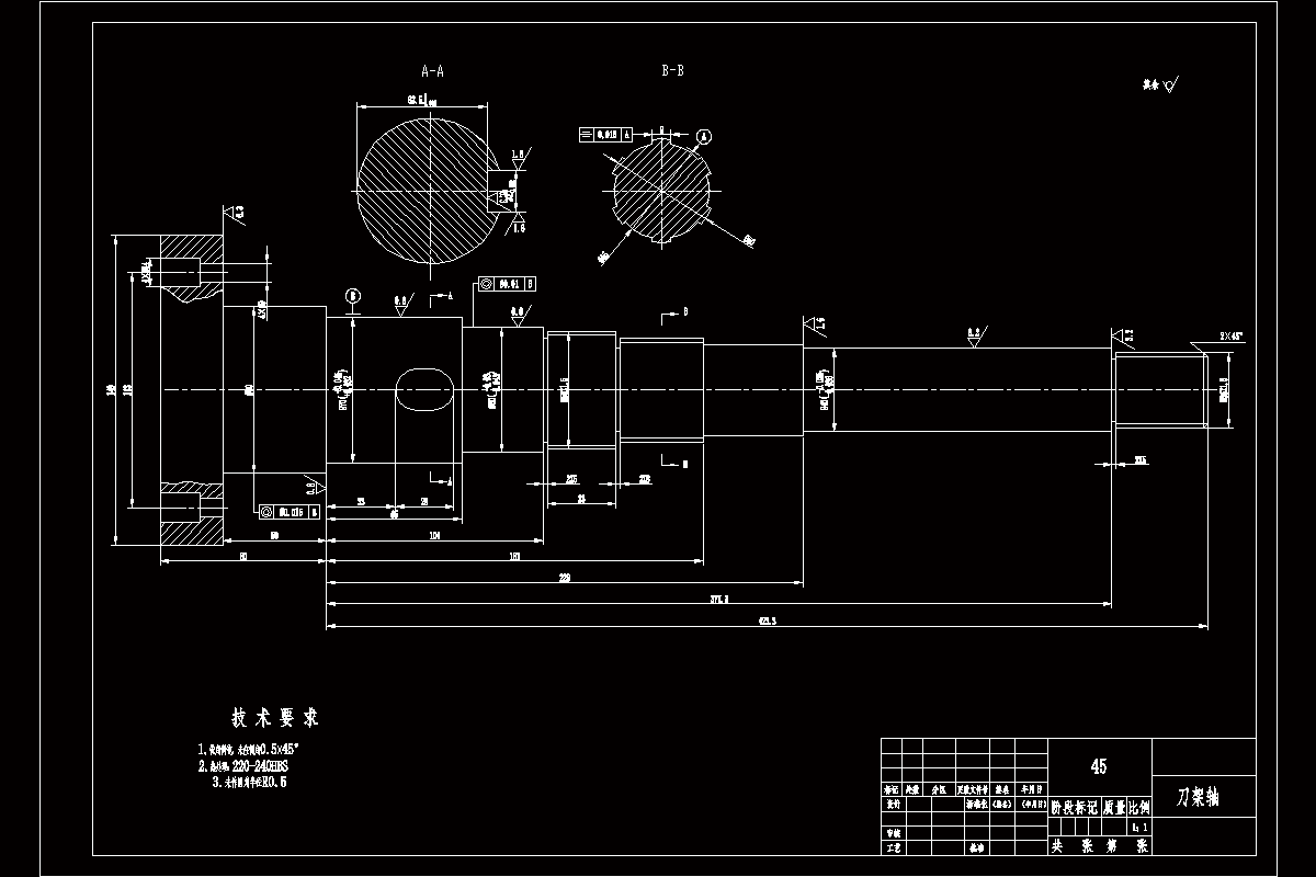
CAD版本图纸,共14张

摘要
装备工业的技术水平和现代化程度决定着整个国民经济的水平和现代化程度,数控技术及装备是发展新兴高新技术产业和尖端工业的使能技术和最基本的装备,又是当今先进制造技术和装备最核心的技术。数控技术是用数字信息对机械运动和工作过程进行控制的技术,而数控装备是以数控技术为代表的新技术对传统制造产业和新兴制造业的渗透形成的机电一体化产品,其技术范围覆盖很多领域。经济型数控车床,对于保证和提高被加工零件的精度,主要依靠两方面来实现:一是系统的控制精度;二是机床本身的机械传动精度。数控车床的进给传动系统,由于必须对进给位移的位置和速度同时实现自动控制。所以,数控车床与卧式车床相比应具有有更好的精度.以确保机械传动系统的传动精度和工作平稳性。
转塔刀架是转塔车床的重要部件之一,也是本次设计的主要设计内容。转塔刀架上可以安装多把刀架,由电液控制实现自动循环。转塔刀架主要用于零件的钻、扩、铰孔、攻丝等加工工序。并且转塔刀架也可自动顺序转位,进行自动走刀,依次参加切削。
温馨提示:
1、题目前面的备注【字母数字编号】为本站整理分类的编号,与课题内容无关,请选题时忽视;
2、若题目上备注三维,则表示文件里包含三维源文件,由于三维组成零件数量较多,为保证预览截图的简洁性,本站将三维文件夹进行了打包。三维及CAD预览截图,均为本站电脑打开软件进行截图的,保证能够打开,下载原件超高清,下载后解压即可;
3、本站所有资源如无特殊说明,都需要本地电脑安装Office2007。图纸软件为AutoCAD,PROE,UG,SolidWorks,CATIA等;
4、本站所有图文资料仅供用户学习参考,不作为任何商用或其他用途;
5、本站不保证下载资源的准确性、安全性和完整性, 不包修改,不支持退换,同时也不承担用户因使用这些下载资源对自己和他人造成任何形式的伤害或损失;
6、 下载文件中如有侵权或不适当内容,请与我们联系,我们立即纠正。