

作品包括:
Word版说明书1份,共34页,约16000字
开题报告一份
CAD版本图纸,共6张

摘要
目前,我国大多数轴承生产企业尤其是中小型企业,仍然采用人工抽样方法对轴承表面的缺陷进行检测。这种检测方法效率低、成本高、浪费大量人力、且检测结果易受检测人员主观因素以及工作环境变化影响,导致检测结果存在很高的不确定性。基于目前轴承表面缺陷检测方法的落后状况,本次设计将计算机数字图像处理技术应用到微型轴承表面缺陷自动检测线的设计中。
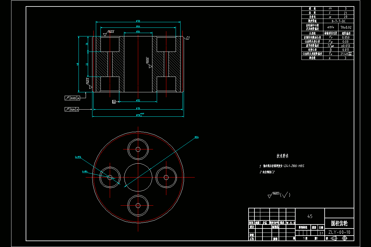
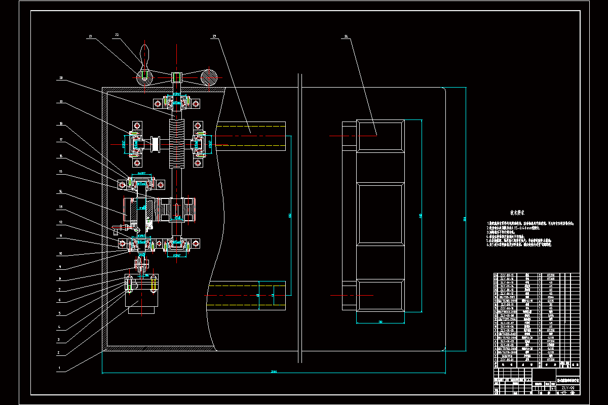
本设计的任务主要是设计轻型轴承表面缺陷自动检测线,完成总体设计和主要结构设计和部分零件设计。设计出了以步进电机和同步带组合的轴承输送带,设计出了三自由度机械手,并对部分重要零件进行了校核。对自动化检测系统的重要意义进行了简要的阐述,对传感器和单片机的选择进行了简要的说明。
温馨提示:
1、题目前面的备注【字母数字编号】为本站整理分类的编号,与课题内容无关,请选题时忽视;
2、若题目上备注三维,则表示文件里包含三维源文件,由于三维组成零件数量较多,为保证预览截图的简洁性,本站将三维文件夹进行了打包。三维及CAD预览截图,均为本站电脑打开软件进行截图的,保证能够打开,下载原件超高清,下载后解压即可;
3、本站所有资源如无特殊说明,都需要本地电脑安装Office2007。图纸软件为AutoCAD,PROE,UG,SolidWorks,CATIA等;
4、本站所有图文资料仅供用户学习参考,不作为任何商用或其他用途;
5、本站不保证下载资源的准确性、安全性和完整性, 不包修改,不支持退换,同时也不承担用户因使用这些下载资源对自己和他人造成任何形式的伤害或损失;
6、 下载文件中如有侵权或不适当内容,请与我们联系,我们立即纠正。