

作品包括:
Word版说明书1份,共34页,约15000字
开题报告一份
CAD版本图纸,共6张

摘要
随着现代科技的高速发展,机器人正在实现一个从量到质的飞跃,在这同时也使得机械手得到了良好的发展,虽然机械手不如人手灵活多变,但却可以代替人手的繁重劳动,显着减轻工人的劳动强度,提高劳动生产率和自动化水平。此外,它能在高温、低温、深水、宇宙、放射性和其他有毒、有污染的环境中进行工作。改善了人们的工作条件,更显其优越性,有着广阔的发展前途。
本设计主要是针对生产线上的上料工作设计了一个机械手,那么在设计过程中我们首先要明确该机械手完成上料工作只需实现伸缩、升降、回转即可。然后需考虑该机械手手爪的夹紧力是否可以保证工件运输过程的安全可靠以及完成升降、回转的运动所需的驱动力。由于在该机械手的设计过程中采用液压驱动来实现伸缩、升降、回转、夹紧和放松等动作来达到自动上料的目的,所以我们要对液压缸的尺寸进行计算进而确定该机械手总体的结构以及尺寸。
目 录
前 言 1
第1章 绪论 2
1.1 设计目的 2
1.2 国内外研究现状和趋势 2
1.3 设计原则 3
第2章 机械手设计的总体方案 4
2.1 机械手传动的设计方案 4
2.2 机械手运动的设计方案 5
2.2.1 机度 5
2.2.2 主要技术参数的获取及确定 6
3.1 各执行部件的选型 7
3.2 执行部件之间的联接和固定方式设计 7
第4章 各执行部件的设计、计算及选型 8
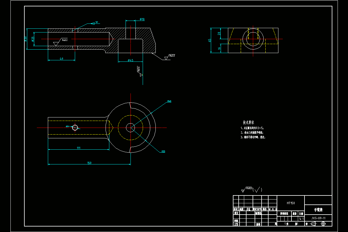
4.1 手部的设计、计算及选型 8
4.1.1 夹钳式手部设计的基本要求 8
4.1.2 单个手爪夹紧力的计算 8
4.1.3 初选系统工作压力 9
4.1.4 初选液压缸类型 10
4.1.5计算液压缸的主要几何尺寸 10
4.1.6 手爪的夹持误差分析与计算 11
4.2手臂部分的设计、计算以及选型 11
4.2.1 升降缸结构设计 11
4.2.2升降缸驱动力的计算 12
4.2.3 计算升降缸的内径和活塞杆直径计算 13
4.2.4 升降缸行程的选择 13
4.2.6 小手臂设计的基本要求 13
4.2.7 液压缸的联结计算 14
4.2.8 缓冲装置的计算 17
4.2.9 活塞杆稳定性验算 18
4.3 回转缸的结构设计、计算及选型 19
4.3.1 齿条活塞缸的介绍 19
4.3.2 齿条活塞液压缸驱动力矩的计算 20
4.3.3 齿轮的计算 21
4.3.4 传动轴的设计和计算 22
4.3.5 齿条的设计和计算 22
4.3.6 齿条活塞液压缸主要几何尺寸的确定 23
第5章 液压系统设计 24
5.1 液压系统的组成 24
5.2 液压系统的特点 25
总 结 27
致 谢 27
参考文献 28
温馨提示:
1、题目前面的备注【字母数字编号】为本站整理分类的编号,与课题内容无关,请选题时忽视;
2、若题目上备注三维,则表示文件里包含三维源文件,由于三维组成零件数量较多,为保证预览截图的简洁性,本站将三维文件夹进行了打包。三维及CAD预览截图,均为本站电脑打开软件进行截图的,保证能够打开,下载原件超高清,下载后解压即可;
3、本站所有资源如无特殊说明,都需要本地电脑安装Office2007。图纸软件为AutoCAD,PROE,UG,SolidWorks,CATIA等;
4、本站所有图文资料仅供用户学习参考,不作为任何商用或其他用途;
5、本站不保证下载资源的准确性、安全性和完整性, 不包修改,不支持退换,同时也不承担用户因使用这些下载资源对自己和他人造成任何形式的伤害或损失;
6、 下载文件中如有侵权或不适当内容,请与我们联系,我们立即纠正。