

作品包括:
Word版设计说明书1份
任务书一份
开题报告一份
外文翻译一份
CAD版本图纸,共3张
摘要
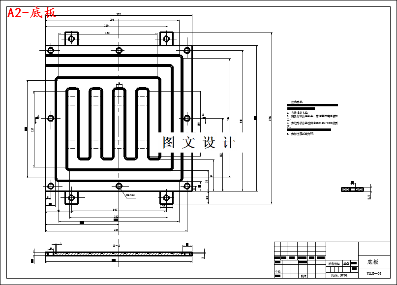
微通道液冷冷板由于其优良的散热能力,在大功率高密度电子设备中有广泛的应用前景。本设计根据散热芯片散热的要求,设计了出三种不同流道结构的液冷冷:2mm×4mm;3mm×5mm以及1mm×5mm,并分别进行了热力计算。通过对3种方案的传热系数、冷却后芯片的表面温度以及压降进行了比较。最终决定选择方案一:宽为2mm,高为4mm,传热系数为457.32w/(m2℃),压降为0.04MPa,芯片表面温度为41.25℃。各项指标均控制在比较理想的范围内。此外,对冷板的加工工艺进行了设计。
温馨提示:
1、题目前面的备注【字母数字编号】为本站整理分类的编号,与课题内容无关,请选题时忽视;
2、若题目上备注三维,则表示文件里包含三维源文件,由于三维组成零件数量较多,为保证预览截图的简洁性,本站将三维文件夹进行了打包。三维及CAD预览截图,均为本站电脑打开软件进行截图的,保证能够打开,下载原件超高清,下载后解压即可;
3、本站所有资源如无特殊说明,都需要本地电脑安装Office2007。图纸软件为AutoCAD,PROE,UG,SolidWorks,CATIA等;
4、本站所有图文资料仅供用户学习参考,不作为任何商用或其他用途;
5、本站不保证下载资源的准确性、安全性和完整性, 不包修改,不支持退换,同时也不承担用户因使用这些下载资源对自己和他人造成任何形式的伤害或损失;
6、 下载文件中如有侵权或不适当内容,请与我们联系,我们立即纠正。