

作品包括:
Word版设计说明书1份
任务书一份
开题报告一份
外文翻译一份
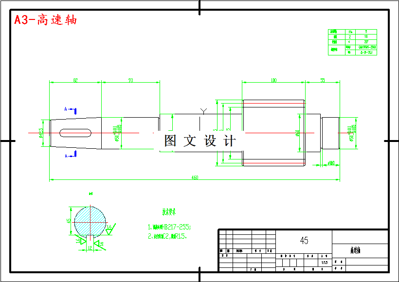
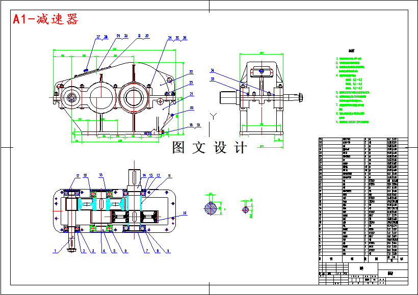
CAD版本图纸,共7张
摘要
带式输送机是一种机械设备,它是以摩擦为驱动实现对物料运输。从而实现供料点与卸料点之间的传输。传动装置用来传递运动和动力,也用来改变运动方式,通常安装在原动机和工作机之间。本次课题主要研究的是传动装置,研究的内容有对传动装置总体方案的设计;对电动机的选择;对传动装置的参数计算;对传动零件进行选择,以及对轴进行设计和计算;对所选的联接件、轴承和联轴器进行校验计算,最后进行密封润滑。本课题所设计的带式输送机传动装置具有输送能力强,输送距离远,结构简单且易于维护而且后期还可以对其加以程序化和自动化的控制和操作。 原始数据及技术要求 1.输送带的有效拉力F=4.5×10N ,带速V=2.5m∕s,滚筒直径D=300mm; 2. 载荷平稳,连续单向运转,工作环境有灰尘; 3. 电源为三相交流电(220v/380v)。806852
温馨提示:
1、题目前面的备注【字母数字编号】为本站整理分类的编号,与课题内容无关,请选题时忽视;
2、若题目上备注三维,则表示文件里包含三维源文件,由于三维组成零件数量较多,为保证预览截图的简洁性,本站将三维文件夹进行了打包。三维及CAD预览截图,均为本站电脑打开软件进行截图的,保证能够打开,下载原件超高清,下载后解压即可;
3、本站所有资源如无特殊说明,都需要本地电脑安装Office2007。图纸软件为AutoCAD,PROE,UG,SolidWorks,CATIA等;
4、本站所有图文资料仅供用户学习参考,不作为任何商用或其他用途;
5、本站不保证下载资源的准确性、安全性和完整性, 不包修改,不支持退换,同时也不承担用户因使用这些下载资源对自己和他人造成任何形式的伤害或损失;
6、 下载文件中如有侵权或不适当内容,请与我们联系,我们立即纠正。