

作品包括:
Word版设计说明书1份
任务书一份
开题报告一份
外文翻译一份
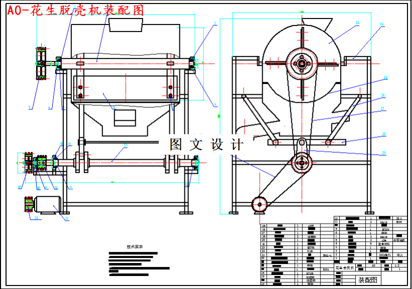
CAD版本图纸,共11张
摘要
结合我国常见的花生脱壳装置结构和原理,提出本设计的理论依据和整体思路。而后针对刮板式花生脱壳机的主要部件的结构设计及工作原理,其中包括刮板转速和半径的确定,电机的选择和传动比的计算,比重分选筛的系统设计,传动系统设计,转子轴设计及校核,刮板结构,半栅笼,箱体,壳仁分离装置,机架以及附件等内容,详细叙述了本设计的设计思路与相应参数。最后针对花生脱壳机的使用要求,简要总结了刮板式花生脱壳机在使用过程中的操作方法与注意事项,继而提出结论与展望。
温馨提示:
1、题目前面的备注【字母数字编号】为本站整理分类的编号,与课题内容无关,请选题时忽视;
2、若题目上备注三维,则表示文件里包含三维源文件,由于三维组成零件数量较多,为保证预览截图的简洁性,本站将三维文件夹进行了打包。三维及CAD预览截图,均为本站电脑打开软件进行截图的,保证能够打开,下载原件超高清,下载后解压即可;
3、本站所有资源如无特殊说明,都需要本地电脑安装Office2007。图纸软件为AutoCAD,PROE,UG,SolidWorks,CATIA等;
4、本站所有图文资料仅供用户学习参考,不作为任何商用或其他用途;
5、本站不保证下载资源的准确性、安全性和完整性, 不包修改,不支持退换,同时也不承担用户因使用这些下载资源对自己和他人造成任何形式的伤害或损失;
6、 下载文件中如有侵权或不适当内容,请与我们联系,我们立即纠正。