

作品包括:
Word版说明书1份,共58页,约15000字
任务书一份
开题报告一份
外文翻译一份
CAD版本图纸,共9张
![1738847705265152.png Z}Q26$P0UQBPJ[{[]$]C4TI.png](/uploadfiles/20250206/1738847705265152.png)
摘 要
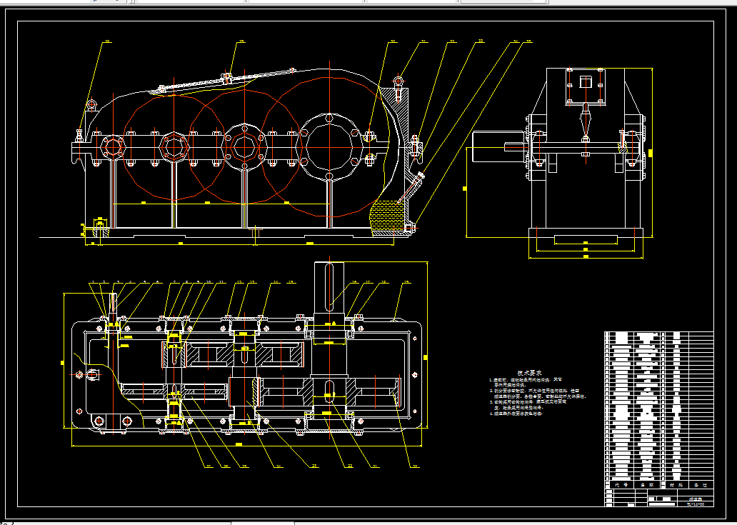
卷板机作为一种多功能设备,基于三点圆的构造原理,通过调整工件位置并使其旋转,促使金属板材经历连续塑性变形,从而形成筒形、弧形或其他所需几何形态。这款设备在诸如锅炉制造、船舶建造、能源(石油)领域、木工行业以及广泛的金属结构和机械制造业中具有广泛应用。
本设计中主要研究了卷板机的运动形式及弯曲成形的加工方式,做出了多种形式的卷板机方案对比,评估了各个方案的优缺点。决定采用三辊卷板机的特定传动系统,并据此精心选择主电机。对上、下辊的规格进行了详细计算和强度分析,确保其在操作中的稳定性。此外,精心设计了减速器,深入研究了齿轮传动和涡轮蜗杆传动各自独特的性能特点。本文深度分析三辊卷板机的结构,同时对设计过程中的问题进行了总结。
关键词:卷板机;电机选型;三辊;齿轮传动
目录
摘 要 I
Abstract II
第1章 绪论 1
1.1概述 1
1.2卷板机的原理 2
1.2.1 卷板机的运动形式 2
1.2.2弯曲成型的加工方式 3
1.3卷板机的发展趋势 4
第2章 方案的论证及确定 5
2.1 方案的论证 5
2.2 本章小结 6
第3章 传动设计 7
3.1传动方案的分析 7
3.1.1 齿轮传动 7
3.1.2皮带传动 8
3.2 传动系统的确定 8
3.2.1 主传动系统的确定 8
3.2.2副传动系统的确定 9
3.3 本章小结 9
第4章 动力设计 10
4.1主电机的选择和计算 10
4.1.1 上下辊的参数选择计算 10
第5章 辊筒的设计校核 20
5.1 上辊的设计计算校核 20
5.1.1 上辊结构设计及受力图 20
5.1.2 刚度校核 21
5.1.3 上辊强度校核 21
5.1.4 疲劳强度安全强度校核 22
5.1.5上辊在卸料时的校核 23
5.2 下辊设计计算及校核 23
5.2.1 下辊结构及受力图 23
5.2.2 下辊刚度校核 24
5.2.3 下辊弯曲强度校核 25
5.2.4 下辊疲劳强度校核 25
5.3 本章小结 27
第6章 减速器的设计计算 28
6.1 传动方案的分析和拟定 28
6.2 减速器传动装置总的传动比和各级传动比的分配 28
6.2.1 总的传动比 28
6.3 传动装置各轴的参数计算 28
6.3.1 各轴转速 28
6.3.2 各轴功率 29
6.3.3 各轴转矩 29
6.4 齿轮传动设计 29
6.4.1 第一级传动设计 30
6.4.2 第二级传动设计 33
6.4.3 第三级传动设计 36
6.5 蜗轮、蜗杆的传动设计 39
6.5.1 材料选择 39
6.5.2 参数的设计 39
6.6 轴的设计校核计算 41
6.6.1 四个轴的结构设计 41
6.6.2 轴的校核计算 43
6.7 轴承校核 47
6.8 键的校核 48
6.9 减速器箱体的结构设计和齿轮、轴承的润滑 48
6.9.1 箱体参数 48
6.9.2 减速器齿轮、轴承的润滑 49
6.10 本章小结 49
结论 51
参考文献 52
致 谢 54
温馨提示:
1、题目前面的备注【字母数字编号】为本站整理分类的编号,与课题内容无关,请选题时忽视;
2、若题目上备注三维,则表示文件里包含三维源文件,由于三维组成零件数量较多,为保证预览截图的简洁性,本站将三维文件夹进行了打包。三维及CAD预览截图,均为本站电脑打开软件进行截图的,保证能够打开,下载原件超高清,下载后解压即可;
3、本站所有资源如无特殊说明,都需要本地电脑安装Office2007。图纸软件为AutoCAD,PROE,UG,SolidWorks,CATIA等;
4、本站所有图文资料仅供用户学习参考,不作为任何商用或其他用途;
5、本站不保证下载资源的准确性、安全性和完整性, 不包修改,不支持退换,同时也不承担用户因使用这些下载资源对自己和他人造成任何形式的伤害或损失;
6、 下载文件中如有侵权或不适当内容,请与我们联系,我们立即纠正。