

作品包括:
Word版设计说明书1份,共47页,约17000字
任务书一份
开题报告一份
外文翻译一份
PPT答辩一份
CAD版本图纸,共10张

摘 要
三维工作台的迅速发展是由于它的积极作用正日益为人们所认识;其一、它能部分代替人工操作;其二、它能按照生产工艺的要求,遵循一定的程序、时间和位置来完成工作的传送和装卸;其三,它能操作必要的机具进行焊接和装配。从而大大的改善工人的劳动条件,显著的提高劳动生产率,加快实现工业生产机械化和自动化的步伐。因而,受到各先进工业国家的重视,投入大量的人工物力加以研究和应用。尤其在高温、高压、粉压、噪音以及带有放射性的污染的场合,应用得更为广泛。
本课题三维运动平台机械系统设计,是平面关节型机械手的传动机构,三维运动平台的机械系统设计主要是针对传动行走机构、驱动系统、控制方式的设计。研究设计三维运动平台具有广泛的实际意义和应用前景。
三维运动平台的机械系统装置它有三个自由度,采用步进电机驱动,可以完成升降和平移工件动作。
关键词:三维运动平台 ;传动行走机构;步进电机驱动
目录
第一章 绪论 5
1.1 研究背景 5
1.2 本课题研究意义 5
1.3 本课题所研究的主要内容 6
第二章 三维运动平台整体设计简介 7
2.1 传动行走机构 7
2.2 驱动装置 8
2.2.1 液压驱动 9
2.2.2 气压驱动 9
2.2.3 电动机驱动及控制 9
第三章 三维运动平台行走机构设计 11
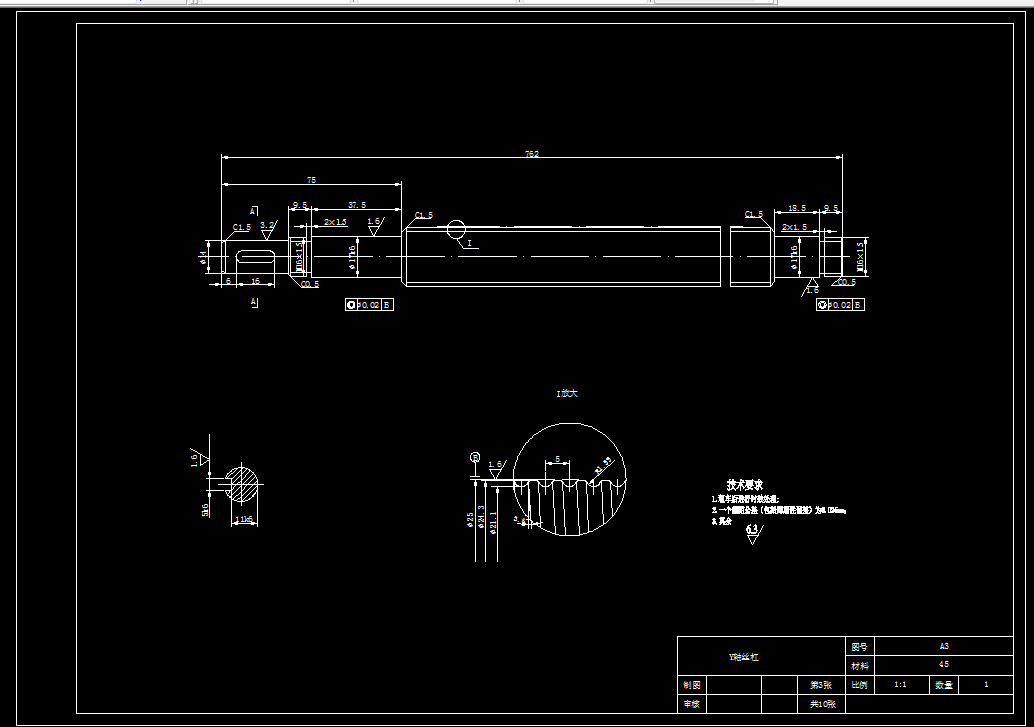
3.1 三维运动平台X轴的设计 12
3.1.1 滚珠丝杠副尺寸选择计算 12
3.1.2 滚动轴承型号选择计算 18
3.1.3 驱动电动机的选择计算 21
3.1.4 X轴联轴器选择计算 21
3.1.5 X轴键的选择计算 22
3.1.6 导轨的选型与计算 23
3.2 三维运动平台Y轴的设计 25
3.2.1 滚珠丝杠副尺寸选择计算 25
3.2.2 滚动轴承型号选择计算 31
3.2.3 驱动电动机的选择计算 33
3.2.4 联轴器的校核 33
3.2.5 Y轴键的选择计算 33
3.2.6 导轨选型计算 33
3.3 三维运动平台Z轴的设计 34
3.3.1 滚珠丝杠副尺寸选择计算 34
3.3.2 滚动轴承型号选择计算 40
3.3.3 驱动电动机的选择计算 42
3.3.4联轴器的选择 42
3.3.5 键的选择与校核 42
3.3.6 导轨的选择与校核 43
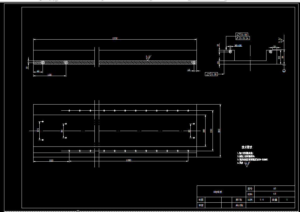
3.4 机座的设计 43
3.4.1 机座的结构设计 43
3.4.2 机座的材料选择 43
第四章 三维运动平台控制机构选择 44
4.1 行程开关的选择 44
第五章 总结 45
致谢 46
参考文献 47
温馨提示:
1、题目前面的备注【字母数字编号】为本站整理分类的编号,与课题内容无关,请选题时忽视;
2、若题目上备注三维,则表示文件里包含三维源文件,由于三维组成零件数量较多,为保证预览截图的简洁性,本站将三维文件夹进行了打包。三维及CAD预览截图,均为本站电脑打开软件进行截图的,保证能够打开,下载原件超高清,下载后解压即可;
3、本站所有资源如无特殊说明,都需要本地电脑安装Office2007。图纸软件为AutoCAD,PROE,UG,SolidWorks,CATIA等;
4、本站所有图文资料仅供用户学习参考,不作为任何商用或其他用途;
5、本站不保证下载资源的准确性、安全性和完整性, 不包修改,不支持退换,同时也不承担用户因使用这些下载资源对自己和他人造成任何形式的伤害或损失;
6、 下载文件中如有侵权或不适当内容,请与我们联系,我们立即纠正。