

作品包括:
Word版设计说明书1份
CAD版本图纸,共6张
摘要
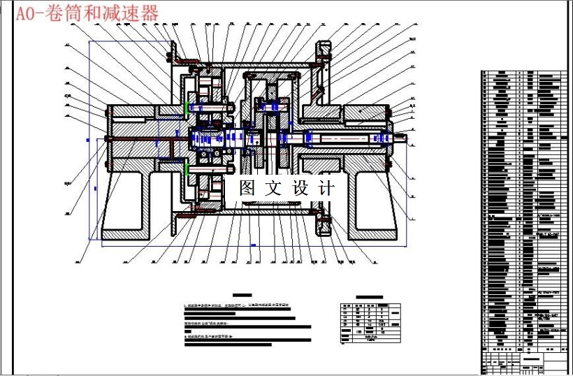
移动式提升机是在单绳缠绕式提升机的基础上发展而来的,它是将提升设备安装在一移动平台――车架上而改装成。可由其他运输设备拖动,在矿井轨道上移动。移动式提升机又类似于汽车起重机,在工作时可放下支脚,驻锄,及上顶(用于支承矿井顶部)等辅助支承部件,在非工作状态下,可收起支脚,上顶,在其他设备帮助下移动到别处。这样做极大节省了矿井内,尤其是矿井口的有限空间,同时也可用一台提升机工作于多个矿井口。移动式提升机的主要单元可分为:电动机、减速器、制动器、卷筒、钢丝绳、车架等等。
温馨提示:
1、题目前面的备注【字母数字编号】为本站整理分类的编号,与课题内容无关,请选题时忽视;
2、若题目上备注三维,则表示文件里包含三维源文件,由于三维组成零件数量较多,为保证预览截图的简洁性,本站将三维文件夹进行了打包。三维及CAD预览截图,均为本站电脑打开软件进行截图的,保证能够打开,下载原件超高清,下载后解压即可;
3、本站所有资源如无特殊说明,都需要本地电脑安装Office2007。图纸软件为AutoCAD,PROE,UG,SolidWorks,CATIA等;
4、本站所有图文资料仅供用户学习参考,不作为任何商用或其他用途;
5、本站不保证下载资源的准确性、安全性和完整性, 不包修改,不支持退换,同时也不承担用户因使用这些下载资源对自己和他人造成任何形式的伤害或损失;
6、 下载文件中如有侵权或不适当内容,请与我们联系,我们立即纠正。