

作品包括:
Word版设计说明书1份,共40页,约17000字
CAD版本图纸,共3张

摘要
液压技术作为一门新兴应用学科,虽然历史较短,发展的速度却非常惊人。液压设备能传递很大的力或力矩,单位功率重量轻,结构尺寸小;反应速度快、准、稳;易实现功率放大;易进行过载保护,制造成本较低。因此,世界各国均已广泛地应用在工程机械、机床工业、汽车工业等国防工业中。 本次设计的主要内容是外圆磨床驱动工作台的电液控制系统及液压缸设计。磨床工作台的运动是一种连续往复直线运动,它对调速、运动平稳性、换向精度、换向频率都有较高的要求,因广泛采用液压传动。磨床是一种精密加工机床,对液压系统有着较高的要求。磨床中的平面磨床为精加工机床,磨削力及变化量不大,工作台往复速度较高,调速范围较广。 在充分掌握液压技术的研究现状、发展趋势和外圆磨床结构、特点以及需要完成工作要求的基础上,对液压系统原理和电气控制原理进行了设计,对液压缸进行了相应的设计、计算和分析。通过上面的设计和分析达到了设计的目的的同时,还进一步夯实基础。
关键词:液压技术、外圆磨床、电液控制、液压缸、设计
目录
摘要I
ABSTRACT II
绪论4
0.1外圆磨床的发展概述4
0.2外圆磨床的结构、分类及应用6
0.3液压系统的概述7
0.4外圆磨床液压系统发展潮流8
0.5课题设计的内容、目的及价值9
0.5.1课题研究的内容9
0.5.2课题研究的目的和价值9
第1章原始数据、工况及负载分析10
1.1原始数据的分析10
1.2负载分析10
1.3工况分析11
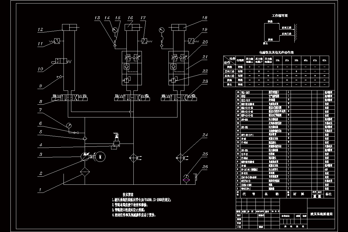
第2章液压系统原理的设计13
2.1液压系统类型的选择13
2.2液压系统动力源的选择13
2.3基本动作回路的设计14
2.3.1速度控制回路方案的设计14
2.3.2压力控制回路的设计15
2.3.3顺序动作方案的设计15
2.4液压系统原理图的总体设计15
2.5系统工作原理16
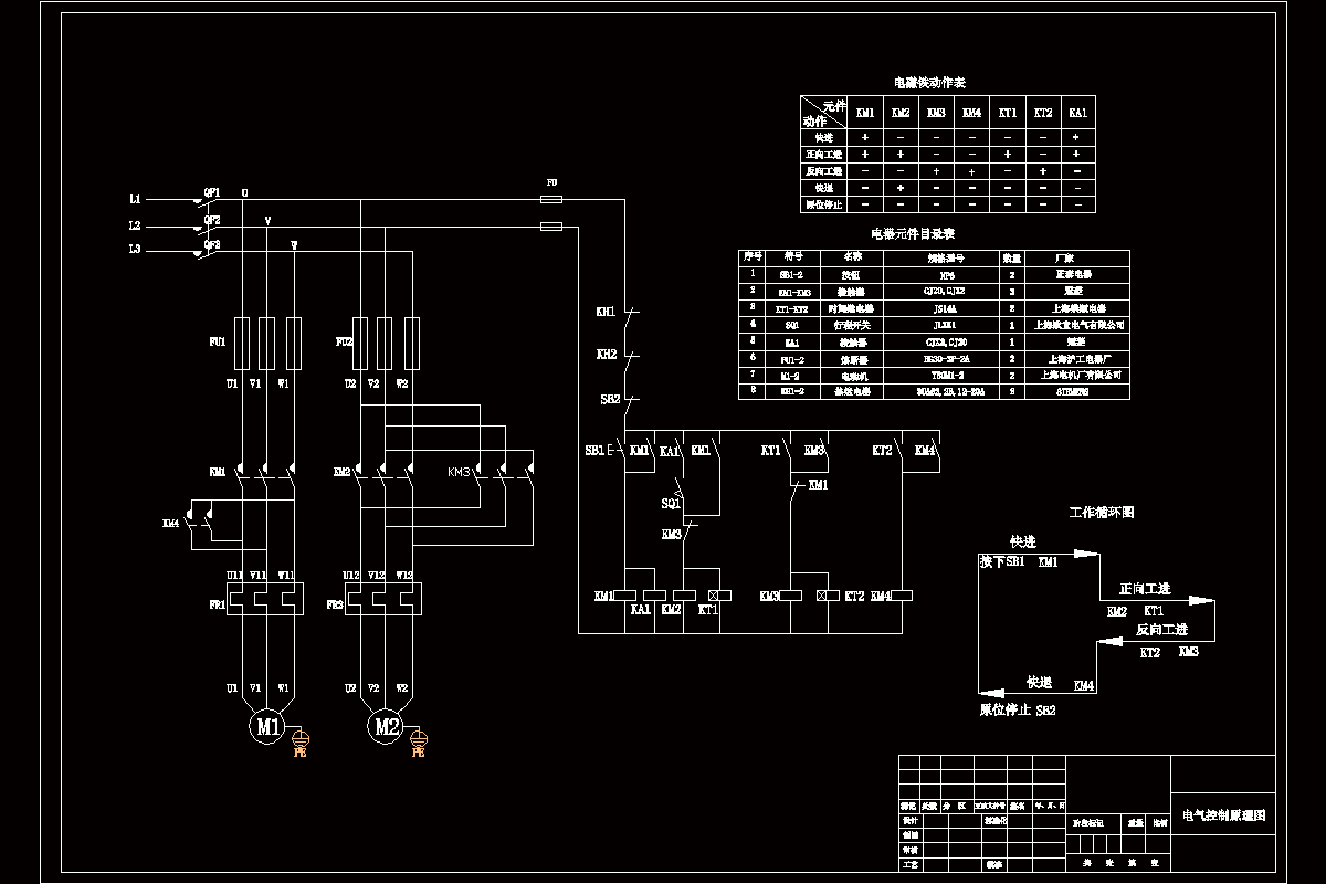
2.6液压元件动作表17
第3章工进液压缸的设计和计算18
3.1液压缸动作参数的确定18
3.2液压缸压力的确定18
3.3缸筒内径的确定18
3.4活塞杆的设计及直径d的确定19
3.5缸筒壁厚δ的确定20
3.6活塞的设计21
3.7活塞导向环的设计22
3.8密封装置的设计23
3.9缓冲装置的设计23
第4章快进液压缸的设计和计算24
4.1液压缸动作参数的确定24
4.2液压缸压力的确定24
4.3缸筒内径的确定24
4.4活塞杆的设计及直径d的确定24
4.5缸筒壁厚δ的确定25
4.6活塞的设计25
4.7活塞导向环的设计25
4.8密封装置的设计26
4.9缓冲装置的设计26
第5章液压元辅件计算、选择及验算27
5.1液压泵及电动机规格的确定27
5.2阀类元件及辅助元件的选择27
5.3管道尺寸的确定28
5.4油箱容积的确定29
5.5液压系统性能的验算29
5.5.1压力损失的验算及泵压力的调整29
5.5.2液压系统的发热和温升验算30
第6章电气控制回路的设计31
6.1电气控制原理31
6.2主电路分析31
6.3电动机控制电路分析31
6.4电器元件的选择33
结论34
致谢35
参考文献36
温馨提示:
1、题目前面的备注【字母数字编号】为本站整理分类的编号,与课题内容无关,请选题时忽视;
2、若题目上备注三维,则表示文件里包含三维源文件,由于三维组成零件数量较多,为保证预览截图的简洁性,本站将三维文件夹进行了打包。三维及CAD预览截图,均为本站电脑打开软件进行截图的,保证能够打开,下载原件超高清,下载后解压即可;
3、本站所有资源如无特殊说明,都需要本地电脑安装Office2007。图纸软件为AutoCAD,PROE,UG,SolidWorks,CATIA等;
4、本站所有图文资料仅供用户学习参考,不作为任何商用或其他用途;
5、本站不保证下载资源的准确性、安全性和完整性, 不包修改,不支持退换,同时也不承担用户因使用这些下载资源对自己和他人造成任何形式的伤害或损失;
6、 下载文件中如有侵权或不适当内容,请与我们联系,我们立即纠正。