

作品包括:
Word版设计说明书1份
CAD版本图纸,共9张
摘要
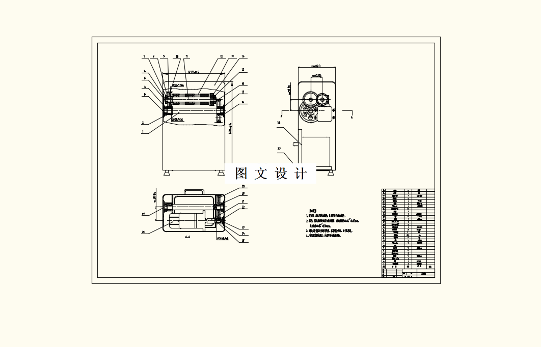
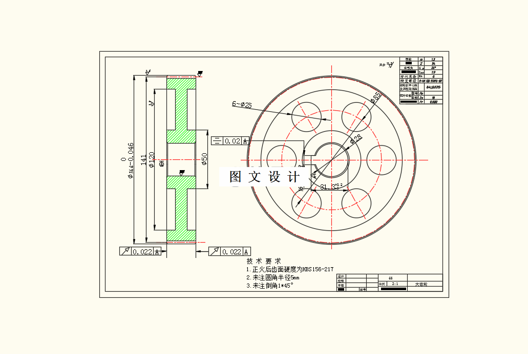
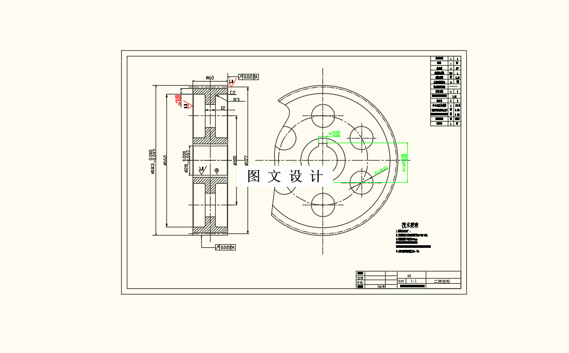
碎纸机是粉碎销毁日常机密文件的机器。它由“切纸刀棒”和“电机”两大主体组成,中间通过齿轮将两者紧密联系在一起,电机带动齿轮传动,把能量输送到刀轴,刀轴带动刀片转动,将纸张分割成很多小纸片,从而达到保密目的。碎纸机迄今为止已经升级到了第八代,由起初的带传动、链传动到如今的不同材料的齿轮传动,功能也发生了很大变化,不仅可以碎纸,还能碎信用卡、回形针、硬盘等硬质物品,在欧美等国家,碎纸机已成为家用机器。本次设计主要完成一款碎纸机结构设计,分析当前市场上的碎纸机的相关研究发展,了解其工作原理和特性,分析其主要的设计参数:碎纸的速度、尺寸以及一次能够承载碎纸的容积,制定合理的设计方案,分析对比选择最优方案,依次对各部分结构进行设计和零部件的选型与校核,以核心尺寸为设计框架铺设结构,借用cad等相关制图软件复制设计,完善并完成结构制图,从而完成整体碎纸机装置的设计
温馨提示:
1、题目前面的备注【字母数字编号】为本站整理分类的编号,与课题内容无关,请选题时忽视;
2、若题目上备注三维,则表示文件里包含三维源文件,由于三维组成零件数量较多,为保证预览截图的简洁性,本站将三维文件夹进行了打包。三维及CAD预览截图,均为本站电脑打开软件进行截图的,保证能够打开,下载原件超高清,下载后解压即可;
3、本站所有资源如无特殊说明,都需要本地电脑安装Office2007。图纸软件为AutoCAD,PROE,UG,SolidWorks,CATIA等;
4、本站所有图文资料仅供用户学习参考,不作为任何商用或其他用途;
5、本站不保证下载资源的准确性、安全性和完整性, 不包修改,不支持退换,同时也不承担用户因使用这些下载资源对自己和他人造成任何形式的伤害或损失;
6、 下载文件中如有侵权或不适当内容,请与我们联系,我们立即纠正。