

作品包括:
Word版设计说明书1份
CAD版本图纸,共7张
摘要
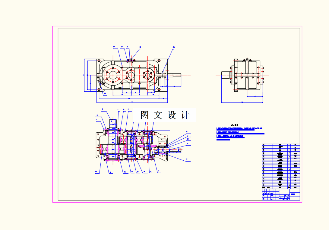
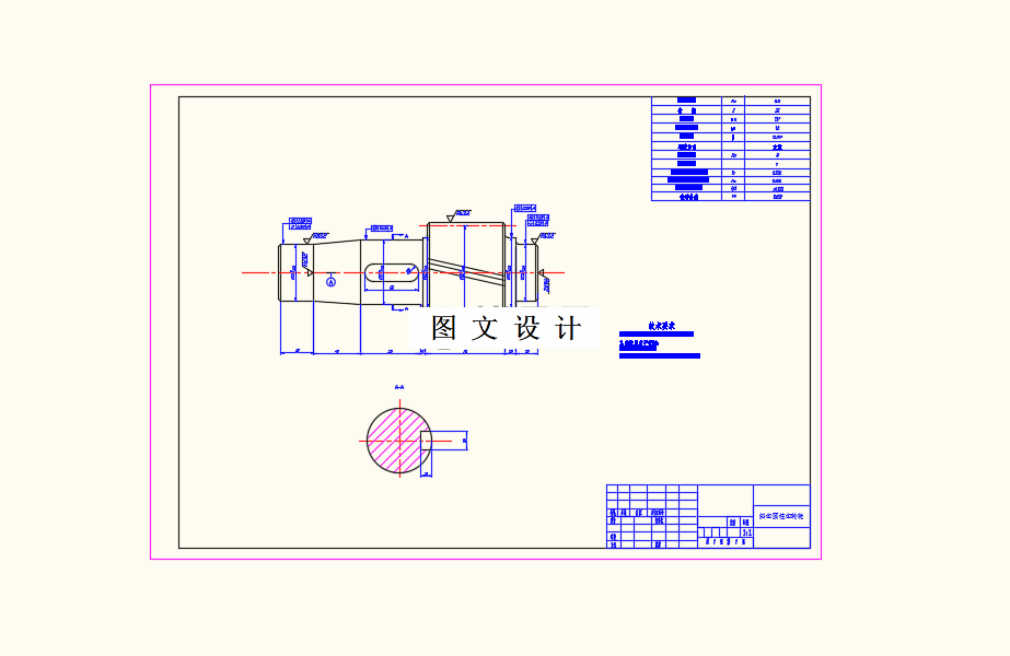
刮板机是综合采煤工作中最重要的设备,也是运输煤炭最重要的环节。 所以,刮板输送机的运输能力决定了生产煤矿能力强弱和效率。 我国的科技相对落后,目前市场上的刮板输送机在设计和制造中存在着承载能力低、容量小、运行距离短、耐用性比较差、可靠性低、寿命比较短等一系列问题。 根据我国刮板输送机的现状可知,我国迫切需要高性能的刮板输送机。 通过比较各种刮板输送机的特点,并根据实际情况选用中型双链刮板输送机。 设计了双链刮板输送机的总体结构。并且分析和设计了双链刮板输送机主要部件。如头部传动、中间槽、刮板链、刮板、链轮、尾部等部件。 中双链刮板输送机在设计上是对称的,在输送机的两侧安装减速机,用以满足工作需要。 此外,尾巴可以很容易地转变为机头部,用来面对各种特殊情况。 我们设计的中型刮板输送机具有弯曲性能好、结构简单、受力匀称、而且运行平稳、阻力相当小、粘土槽利用率高、不轻易堵塞、适应性比较强等特点。
温馨提示:
1、题目前面的备注【字母数字编号】为本站整理分类的编号,与课题内容无关,请选题时忽视;
2、若题目上备注三维,则表示文件里包含三维源文件,由于三维组成零件数量较多,为保证预览截图的简洁性,本站将三维文件夹进行了打包。三维及CAD预览截图,均为本站电脑打开软件进行截图的,保证能够打开,下载原件超高清,下载后解压即可;
3、本站所有资源如无特殊说明,都需要本地电脑安装Office2007。图纸软件为AutoCAD,PROE,UG,SolidWorks,CATIA等;
4、本站所有图文资料仅供用户学习参考,不作为任何商用或其他用途;
5、本站不保证下载资源的准确性、安全性和完整性, 不包修改,不支持退换,同时也不承担用户因使用这些下载资源对自己和他人造成任何形式的伤害或损失;
6、 下载文件中如有侵权或不适当内容,请与我们联系,我们立即纠正。