

作品包括:
Word版设计说明书1份
开题报告一份
CAD版本图纸,共7张
摘要
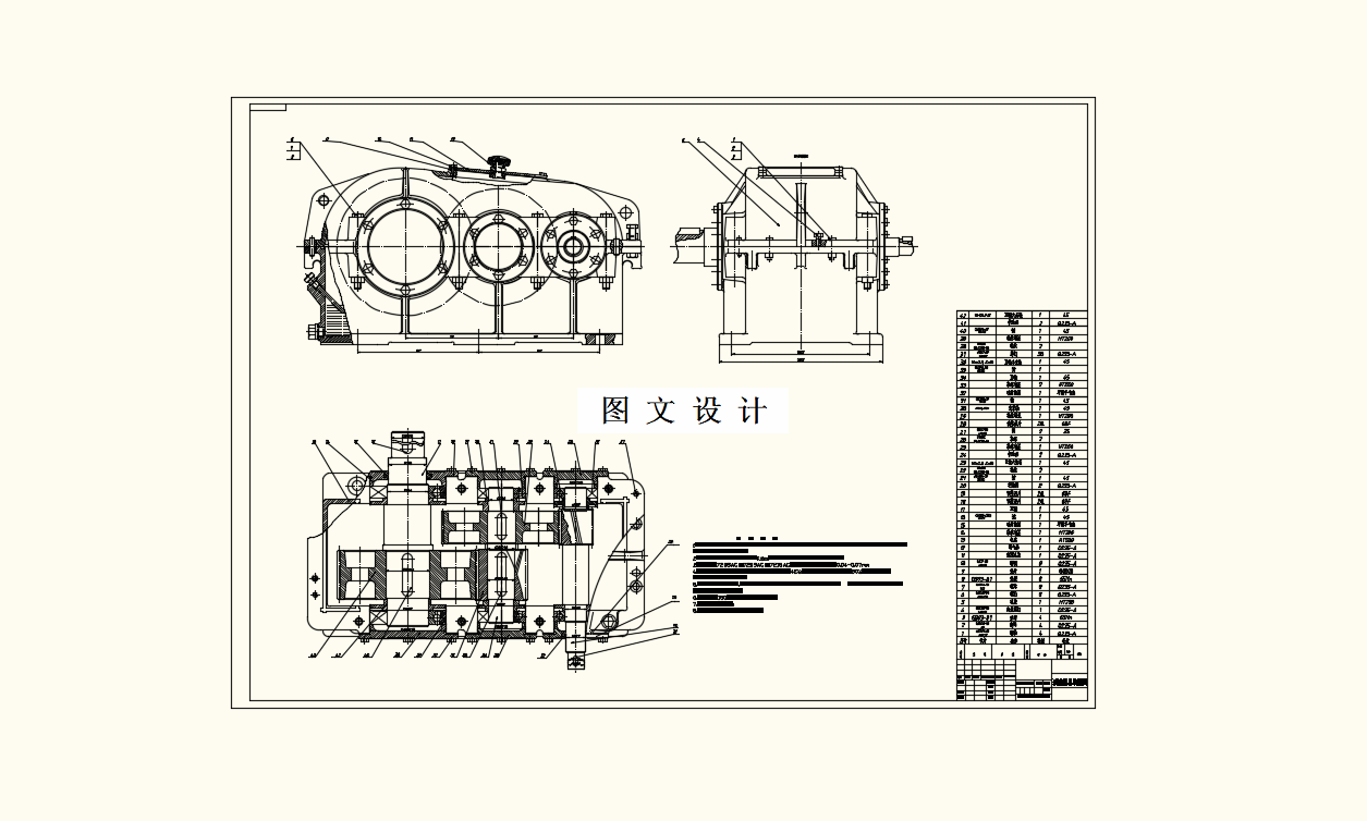
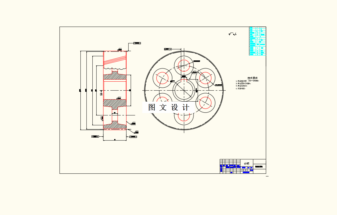
本文首先对运输机做了简略的阐述,然后探讨运输机在选型时要遵循什么样的原则,计算的方法又是什么;其次利用设计的原理和计算方法,参照已经给定的参数要求就可以选型设计了;然后对所选定传送带的主要组成部分的零件进行准确的校对和计算。一般情况下机尾和导向装置、中间机架、传动装置、张紧装置和机尾这六个部分构成带式运输机传动系统。最后本设计对运输机的安装和维护作了相关简单的阐述。最近一些年来,我国的带式运输机正往着远距离、低摩擦的方向发展。但是在输送机的设计、 制造和应用方面,与国外先进水平还有很大差距。920652
温馨提示:
1、题目前面的备注【字母数字编号】为本站整理分类的编号,与课题内容无关,请选题时忽视;
2、若题目上备注三维,则表示文件里包含三维源文件,由于三维组成零件数量较多,为保证预览截图的简洁性,本站将三维文件夹进行了打包。三维及CAD预览截图,均为本站电脑打开软件进行截图的,保证能够打开,下载原件超高清,下载后解压即可;
3、本站所有资源如无特殊说明,都需要本地电脑安装Office2007。图纸软件为AutoCAD,PROE,UG,SolidWorks,CATIA等;
4、本站所有图文资料仅供用户学习参考,不作为任何商用或其他用途;
5、本站不保证下载资源的准确性、安全性和完整性, 不包修改,不支持退换,同时也不承担用户因使用这些下载资源对自己和他人造成任何形式的伤害或损失;
6、 下载文件中如有侵权或不适当内容,请与我们联系,我们立即纠正。