

作品包括:
Word版设计说明书1份
CAD版本图纸,共6张
摘要
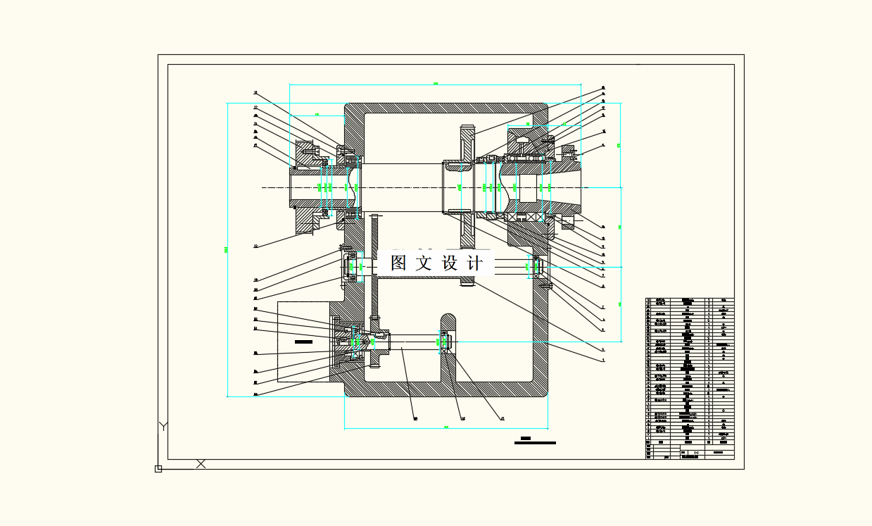
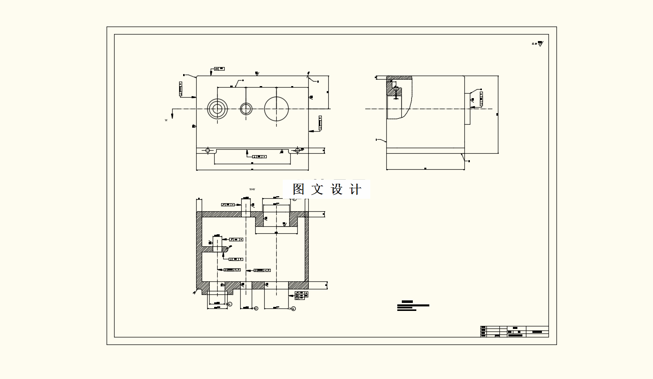
本次毕设的课题是数控卧式车床CK6136主轴单元的设计。本次设计内容主要是对CK6136数控车床机械部分的设计,使其满足旋转精度、结构刚度、抗振性、静刚度、耐磨性及温升和热变形等主要性能,以提高机械性能。 本文首先对简介了数控机床的背景和意义以及分析了数控机床的总体布局,对CK6136数控车床的布局进行了简要的分析和选择。
温馨提示:
1、题目前面的备注【字母数字编号】为本站整理分类的编号,与课题内容无关,请选题时忽视;
2、若题目上备注三维,则表示文件里包含三维源文件,由于三维组成零件数量较多,为保证预览截图的简洁性,本站将三维文件夹进行了打包。三维及CAD预览截图,均为本站电脑打开软件进行截图的,保证能够打开,下载原件超高清,下载后解压即可;
3、本站所有资源如无特殊说明,都需要本地电脑安装Office2007。图纸软件为AutoCAD,PROE,UG,SolidWorks,CATIA等;
4、本站所有图文资料仅供用户学习参考,不作为任何商用或其他用途;
5、本站不保证下载资源的准确性、安全性和完整性, 不包修改,不支持退换,同时也不承担用户因使用这些下载资源对自己和他人造成任何形式的伤害或损失;
6、 下载文件中如有侵权或不适当内容,请与我们联系,我们立即纠正。