

作品包括:
Word版设计说明书1份
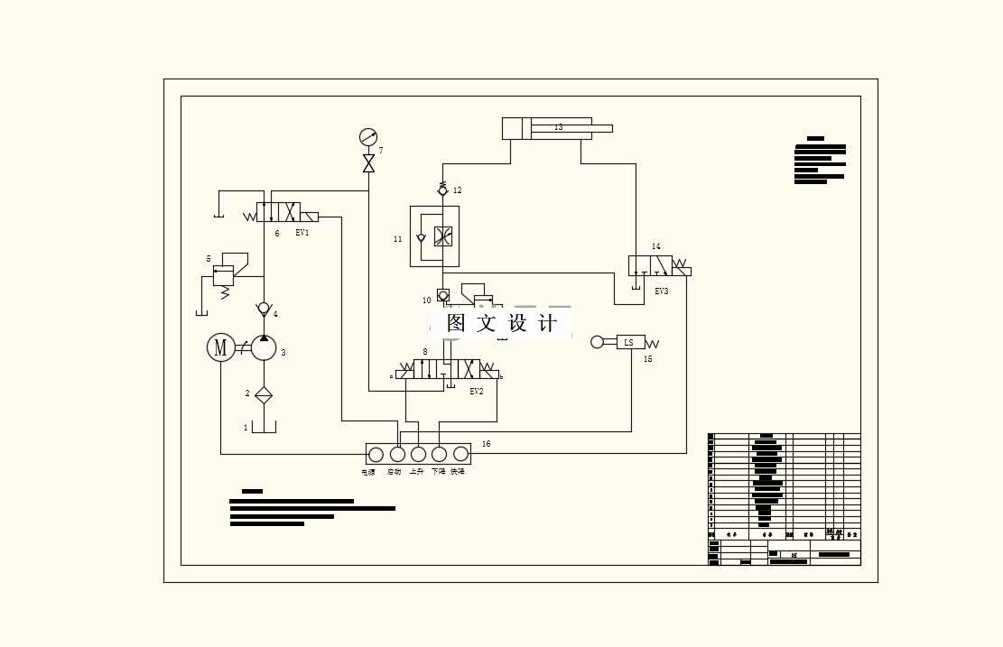
CAD版本图纸,共10张
摘要
在路上可以看到路两旁,或者走在公园内等各种场所都能看到绿植草木的存在,看上去都是那么的整齐美化,都是依靠养护工人定期的精心修剪养护才有的效果,而必定会使用到的修剪设备就成了主要的工具,但据了解这些修剪工具都是些较为笨重,在工人操作时比较不方便,使得劳动力比较大。因此这就非常需要一个能够适应多种造型苗木的手推型修剪机。 为了更好的完成此次的设计任务,先对手推式修剪机的组成结构进行相关的了解,之后对其中的各主要部位的设计与相关计算以及应用到的液压系统。
温馨提示:
1、题目前面的备注【字母数字编号】为本站整理分类的编号,与课题内容无关,请选题时忽视;
2、若题目上备注三维,则表示文件里包含三维源文件,由于三维组成零件数量较多,为保证预览截图的简洁性,本站将三维文件夹进行了打包。三维及CAD预览截图,均为本站电脑打开软件进行截图的,保证能够打开,下载原件超高清,下载后解压即可;
3、本站所有资源如无特殊说明,都需要本地电脑安装Office2007。图纸软件为AutoCAD,PROE,UG,SolidWorks,CATIA等;
4、本站所有图文资料仅供用户学习参考,不作为任何商用或其他用途;
5、本站不保证下载资源的准确性、安全性和完整性, 不包修改,不支持退换,同时也不承担用户因使用这些下载资源对自己和他人造成任何形式的伤害或损失;
6、 下载文件中如有侵权或不适当内容,请与我们联系,我们立即纠正。