

作品包括:
Word版设计说明书1份
CAD版本图纸,共6张
摘要
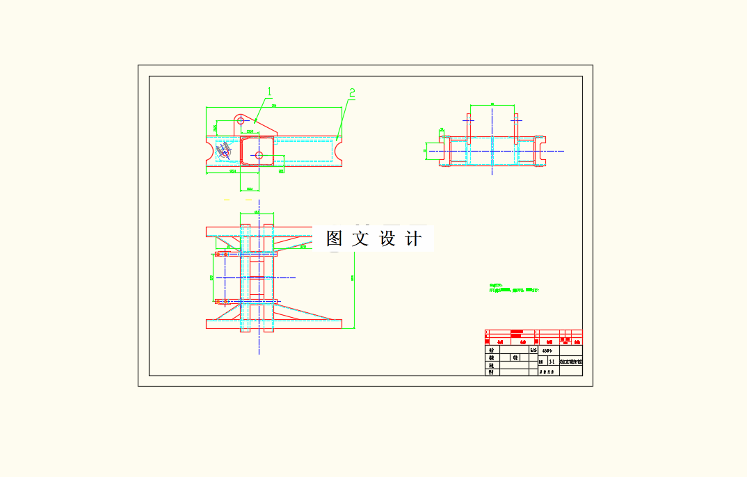
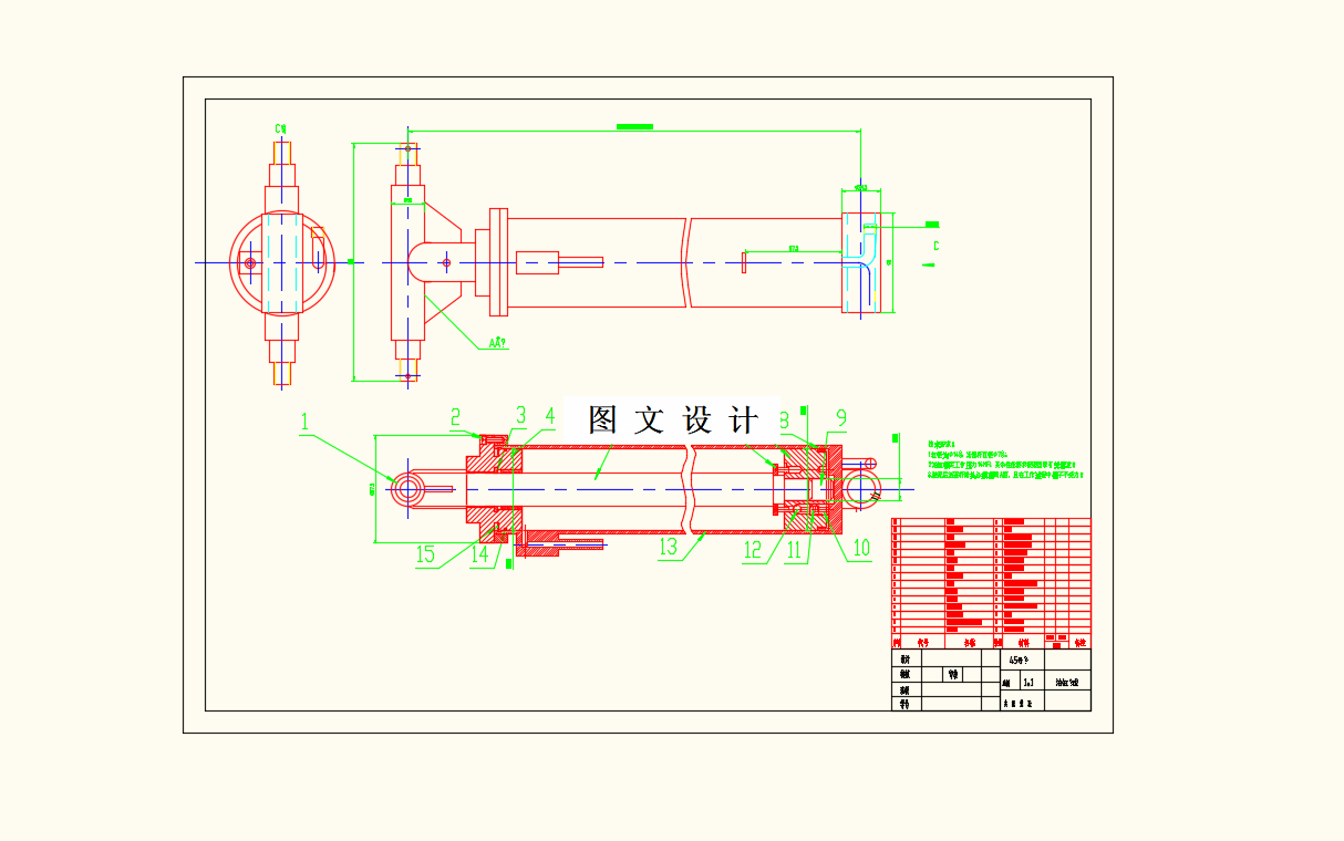
本次设计论文的课题是自卸车液压举升系统设计。该论文首先介绍了自卸车的发展概况,然后又简述了自卸车液压系统的工作原理。自卸车驱动液压举升集装箱,把集装箱斜到一个能卸货的角度,让货物自行掉落达到卸货的目的,然后利用集装箱重量复位。自卸车的结构和性能影响自卸车的性能和安全。我们把自卸车分成了很多机构并且对其进行了非常详细的解释。在这之中,我们也对自卸车中与本文研究的两个成分进行了简单的阐述,然后对这两个成分进行准确的细致的计算与设计。其中我们发现自卸车的液压缸的结构非常复杂,而且他的液压执行机构在大多数这种重型车上都有所应用。除此之外,我们还发现它在设计上也是非常方便与简单。此次毕业设计主要设计液压缸和液压系统设计。
温馨提示:
1、题目前面的备注【字母数字编号】为本站整理分类的编号,与课题内容无关,请选题时忽视;
2、若题目上备注三维,则表示文件里包含三维源文件,由于三维组成零件数量较多,为保证预览截图的简洁性,本站将三维文件夹进行了打包。三维及CAD预览截图,均为本站电脑打开软件进行截图的,保证能够打开,下载原件超高清,下载后解压即可;
3、本站所有资源如无特殊说明,都需要本地电脑安装Office2007。图纸软件为AutoCAD,PROE,UG,SolidWorks,CATIA等;
4、本站所有图文资料仅供用户学习参考,不作为任何商用或其他用途;
5、本站不保证下载资源的准确性、安全性和完整性, 不包修改,不支持退换,同时也不承担用户因使用这些下载资源对自己和他人造成任何形式的伤害或损失;
6、 下载文件中如有侵权或不适当内容,请与我们联系,我们立即纠正。