

作品包括:
Word版设计说明书1份
CAD版本图纸,共8张
摘要
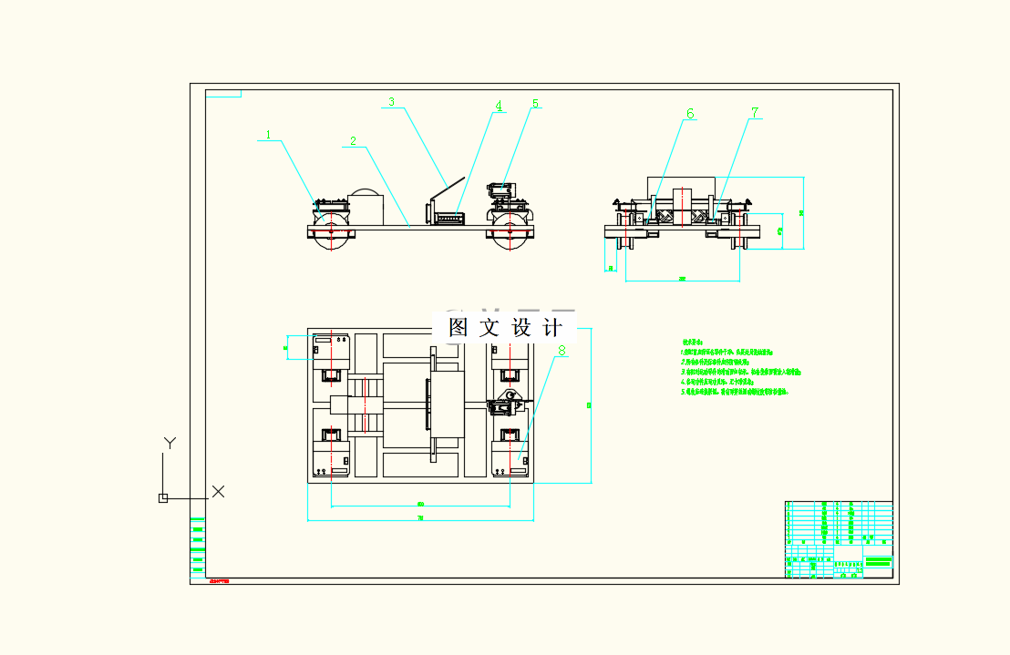
近几年来,由于新型大规模轨道探测集成电路的不断出现,以及电子技术的快速发展,使得我们的轨道探测技术的发展也是不断的与日俱增。现在,我们的轨道检测装置的中心控制部件已经发展到了单片机。与之前的集成电路相比随着电子技术的它的智能化程度得到了非常大的提升。这几年来,轨道检测的技术对于工业的发展,家用电器,安防以及人们的日常生活中得到了越来越广泛的应用。 无人驾驶电动轨道检测技术的诞生源于无人驾驶电动通信技术。最开始是打算先行建立无人电报机技术。无人电动技术的应用和普及能够迅速应用到民用,军用等各个领域,是源于真空管的发明。因为爱迪生发明了电灯,所以人们能够用机械性的开关来控制电灯的开闭。但是现在开始改变了,随着电力无人驾驶技术的发展,从上世纪60年代开始,无人驾驶电动轨道检测车相继出现。
温馨提示:
1、题目前面的备注【字母数字编号】为本站整理分类的编号,与课题内容无关,请选题时忽视;
2、若题目上备注三维,则表示文件里包含三维源文件,由于三维组成零件数量较多,为保证预览截图的简洁性,本站将三维文件夹进行了打包。三维及CAD预览截图,均为本站电脑打开软件进行截图的,保证能够打开,下载原件超高清,下载后解压即可;
3、本站所有资源如无特殊说明,都需要本地电脑安装Office2007。图纸软件为AutoCAD,PROE,UG,SolidWorks,CATIA等;
4、本站所有图文资料仅供用户学习参考,不作为任何商用或其他用途;
5、本站不保证下载资源的准确性、安全性和完整性, 不包修改,不支持退换,同时也不承担用户因使用这些下载资源对自己和他人造成任何形式的伤害或损失;
6、 下载文件中如有侵权或不适当内容,请与我们联系,我们立即纠正。