

作品包括:
Word版设计说明书1份
CAD版本图纸,共13张
UG三维图一份
摘要
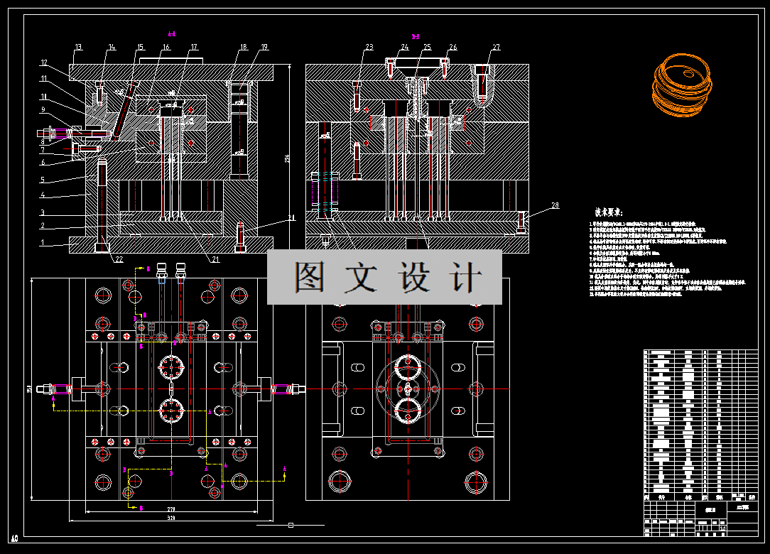
本文研究的是保温水杯盖零件2的注塑成型模具设计。在本次模具设计中首先我们绘制出了保温水杯盖零件2产品三维图,通过分析它的外部结构形状结构和尺寸大小以及精度及表面粗糙度要求来拟定合理的模具设计方案,并对产品的塑料原材料进行了选择并作相关的性能分析,由于产品是不规则形状,体积只能通过三维软件分析获得,并初选了注塑机型号为HTF86J/TJ。本次设计分型面位置进在了产品底面及中间位置处最大轮廓面面积处,型腔数目决定采用一模两腔结构,型腔布局上采用一字型排布,在浇口类型选择上按照任务书中的建议采用了点浇口类型,由于产品外表面处存在众多侧凹和凸台结构,这些结构设计是本次设计的难点,需要设计抽芯机构,借助抽芯机构成型,最后经过分析,认为此次的塑料模具设计还需要设计一套模具冷却系统,这样能够提高产品的成型质量。最后对注塑机主要参数进行了校核。1185173
温馨提示:
1、题目前面的备注【字母数字编号】为本站整理分类的编号,与课题内容无关,请选题时忽视;
2、若题目上备注三维,则表示文件里包含三维源文件,由于三维组成零件数量较多,为保证预览截图的简洁性,本站将三维文件夹进行了打包。三维及CAD预览截图,均为本站电脑打开软件进行截图的,保证能够打开,下载原件超高清,下载后解压即可;
3、本站所有资源如无特殊说明,都需要本地电脑安装Office2007。图纸软件为AutoCAD,PROE,UG,SolidWorks,CATIA等;
4、本站所有图文资料仅供用户学习参考,不作为任何商用或其他用途;
5、本站不保证下载资源的准确性、安全性和完整性, 不包修改,不支持退换,同时也不承担用户因使用这些下载资源对自己和他人造成任何形式的伤害或损失;
6、 下载文件中如有侵权或不适当内容,请与我们联系,我们立即纠正。