

作品包括:
Word版设计说明书1份
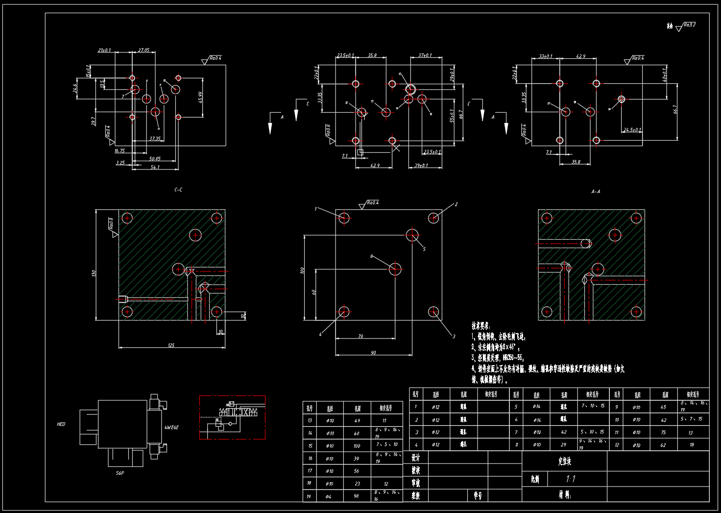
CAD版本图纸,共8张
SW阀块全套三维图
摘要
包含三维SW零件阀块以及装配体,包含二维图有:定位块、夹紧块、压力块、运动块、原理图、集成回路、工况图、速度和负载图,包含设计计算书。 (1)实现功能:定位插销—夹紧—快进—工进—快退—拔销—夹紧松开—停止的工作循环 (2)基本参数: 运动部件总重量8000N,切削阻力为20000N,夹紧力为3500N,工作台启动时间(加减速时间):0.05s,采用平导轨,静摩擦系数0.2,动摩擦系数0.1,工作台快进行程为260,工进行程为60,夹紧行程35mm,快进快退速度相等均为5m/min,工进速度为30-800mm/min,本设计取V2=0.013m/s计算,导轨面的液压缸机械效率为0.9。
温馨提示:
1、题目前面的备注【字母数字编号】为本站整理分类的编号,与课题内容无关,请选题时忽视;
2、若题目上备注三维,则表示文件里包含三维源文件,由于三维组成零件数量较多,为保证预览截图的简洁性,本站将三维文件夹进行了打包。三维及CAD预览截图,均为本站电脑打开软件进行截图的,保证能够打开,下载原件超高清,下载后解压即可;
3、本站所有资源如无特殊说明,都需要本地电脑安装Office2007。图纸软件为AutoCAD,PROE,UG,SolidWorks,CATIA等;
4、本站所有图文资料仅供用户学习参考,不作为任何商用或其他用途;
5、本站不保证下载资源的准确性、安全性和完整性, 不包修改,不支持退换,同时也不承担用户因使用这些下载资源对自己和他人造成任何形式的伤害或损失;
6、 下载文件中如有侵权或不适当内容,请与我们联系,我们立即纠正。