欢迎来到龙图网在线图文分享平台-CAD图纸,设计说明书,工业设计3D模型,三维软件下载!   客服QQ:2363701252
热搜:

工艺夹具 模具设计 数控编程 土木工程 3D模型

N4910-铁轨检测平台设计 下载积分:60 资料编号: N4910

1.打开支付宝或者微信扫描二维码。
2.填写金额:60 
3.添加备注,填写资料编号:
资料编号: N4910
4.支付成功后,请发资料编号到邮箱:jxsj168@qq.com
会有专人在15分钟内把资料发到您邮箱
备注:如果付款忘记填写资料编号,则发邮件时附带您的交易明细截图即可。
请耐心等待,如超过30分钟还没收到,请联系客服QQ:2363701252
点击分享:

作品描述

作品包括:

Word设计说明书1份,共35页,约18000字

CAD版本图纸,共14张

摘要

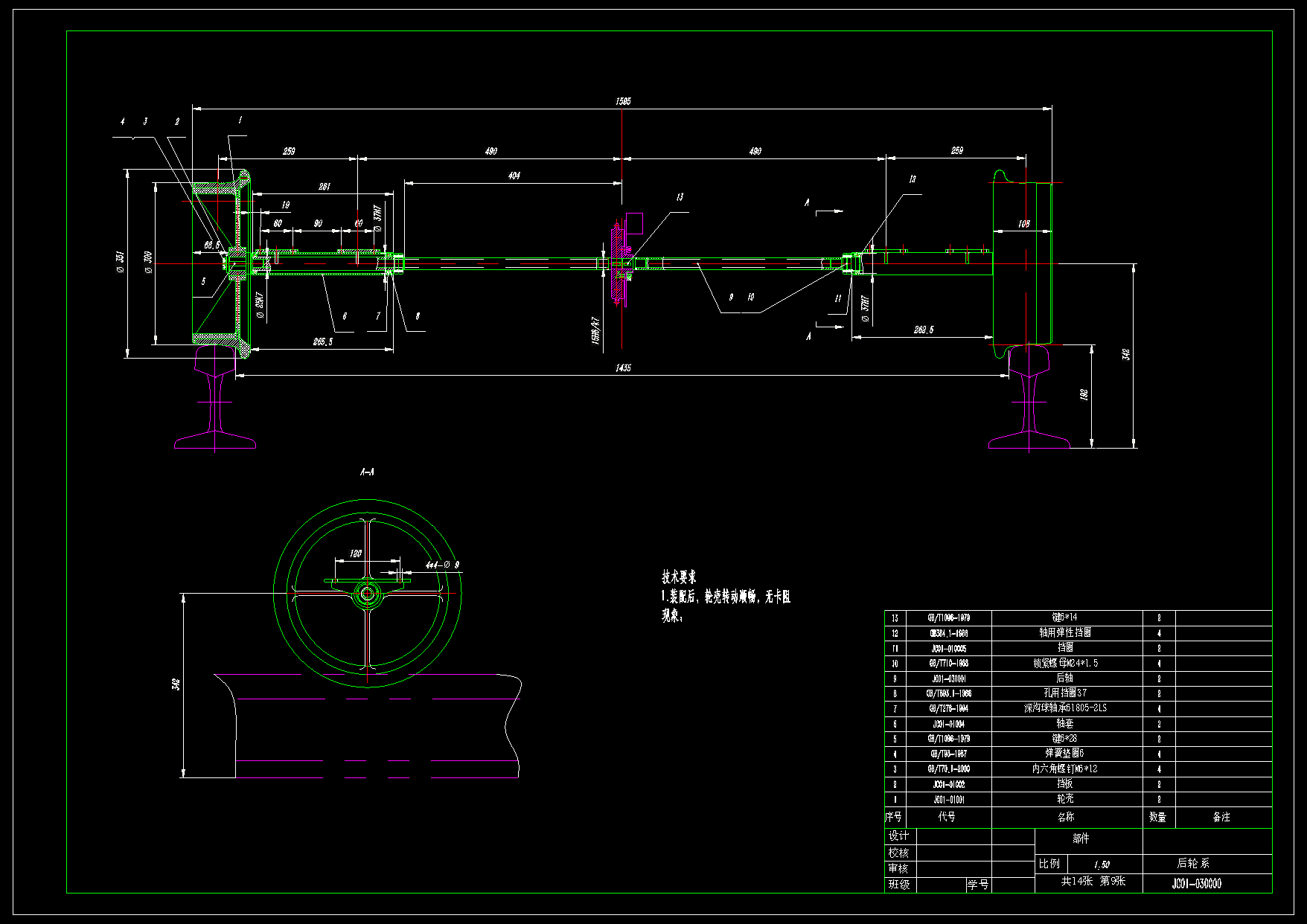
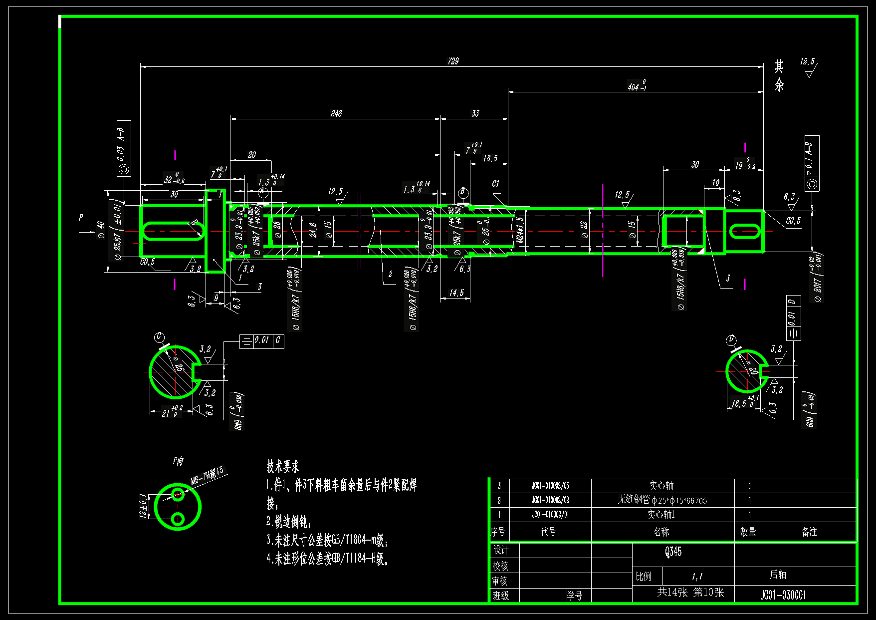
本文主要是针对铁轨检测的需求越来越大的现状,对铁轨检测小车进行机械设计。用力安装检测设备,对铁轨进行质量检测。 首先,对我国铁轨检测的需要和国内外铁轨检测小车的发展进行简单介绍;其次,对铁轨检测小车成品的规格需求进行分析,提出达到要求的方案;最后,将铁轨检测小车与电动三轮车的结构进行比较,结合所分析的情况和四年学习的知识,在导师同学的帮助下,对铁轨检测小车的尺寸参数、驱动系统的选型、传动系统的选择、后桥结构的设计、制动系统做了简单的设计。


温馨提示:

1、题目前面的备注【字母数字编号】为本站整理分类的编号,与课题内容无关,请选题时忽视;

2、若题目上备注三维,则表示文件里包含三维源文件,由于三维组成零件数量较多,为保证预览截图的简洁性,本站将三维文件夹进行了打包。三维及CAD预览截图,均为本站电脑打开软件进行截图的,保证能够打开,下载原件超高清,下载后解压即可;

3、本站所有资源如无特殊说明,都需要本地电脑安装Office2007。图纸软件为AutoCAD,PROE,UG,SolidWorks,CATIA等;

4、本站所有图文资料仅供用户学习参考,不作为任何商用或其他用途;
5、本站不保证下载资源的准确性、安全性和完整性, 不包修改,不支持退换,同时也不承担用户因使用这些下载资源对自己和他人造成任何形式的伤害或损失;

6、 下载文件中如有侵权或不适当内容,请与我们联系,我们立即纠正。


线