欢迎来到龙图网在线图文分享平台-CAD图纸,设计说明书,工业设计3D模型,三维软件下载!   客服QQ:2363701252
热搜:

工艺夹具 模具设计 数控编程 土木工程 3D模型

N5088-发动机曲轴静强度有限元分析【含三维图】 下载积分:50 资料编号: N5088

1.打开支付宝或者微信扫描二维码。
2.填写金额:50 
3.添加备注,填写资料编号:
资料编号: N5088
4.支付成功后,请发资料编号到邮箱:jxsj168@qq.com
会有专人在15分钟内把资料发到您邮箱
备注:如果付款忘记填写资料编号,则发邮件时附带您的交易明细截图即可。
请耐心等待,如超过30分钟还没收到,请联系客服QQ:2363701252
点击分享:

作品描述

作品包括:

Word设计说明书1份

任务书一份

开题报告一份

PPT答辩一份

CAD版本图纸,共1张

SW三维图一套

UG三维图一份

摘要

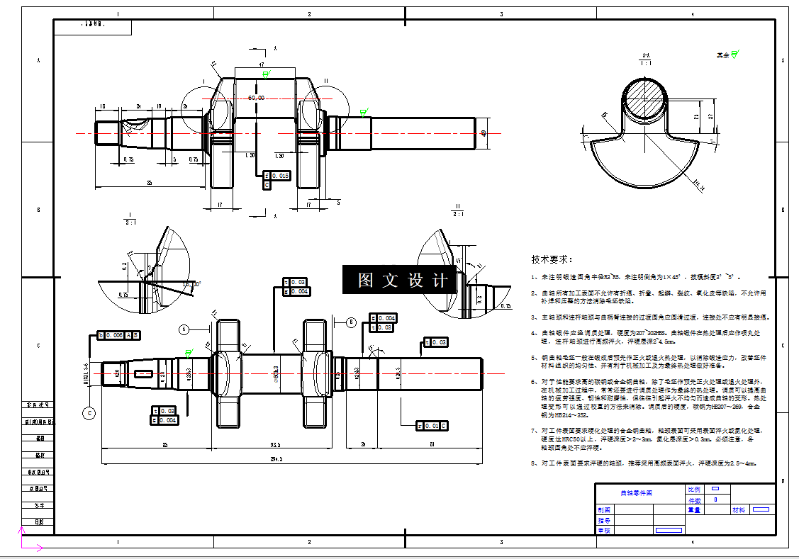
曲轴是发动机中最昂贵、最重要的零件之一,是曲柄连杆机构重要组成部分之一,运动转化重要组成部分。曲轴的尺寸参数影响着发动机各系统的参数,而且发动机的各方面性能也受曲轴的影响。随着发动机性能的不断提升和强化,曲轴的工作条件也越来越苛刻。所以,曲轴的结构静强度分析在发动机的设计和改进过程中占有很重要的地位。 随着计算技术的不断进步和研究人员的不懈努力下,静强度计算发动机曲轴取得了良好的进展,尤其是体现在曲轴的静态应力方面的计算。本文将采用有限元分析方法,对发动机曲轴的静强度进行分析,内容如下: 1) 在大量阅读有关文献的基础上, 了解了国内外相关研究的方向和进展,确定了论文的任务和目标; 2) 对于单气缸发动机曲轴问题,UG进行三维实体造型,然后倒入ANSYS进行有限元分析。结果表明:在使用球墨铸铁为材料的情况下,曲轴的静强度安全系数变形安全系数满足要求;如若材料选为40Cr的曲轴,其静强度安全系数和变形安全系数也满足要求,从理论上看不会发生破坏。


温馨提示:

1、题目前面的备注【字母数字编号】为本站整理分类的编号,与课题内容无关,请选题时忽视;

2、若题目上备注三维,则表示文件里包含三维源文件,由于三维组成零件数量较多,为保证预览截图的简洁性,本站将三维文件夹进行了打包。三维及CAD预览截图,均为本站电脑打开软件进行截图的,保证能够打开,下载原件超高清,下载后解压即可;

3、本站所有资源如无特殊说明,都需要本地电脑安装Office2007。图纸软件为AutoCAD,PROE,UG,SolidWorks,CATIA等;

4、本站所有图文资料仅供用户学习参考,不作为任何商用或其他用途;
5、本站不保证下载资源的准确性、安全性和完整性, 不包修改,不支持退换,同时也不承担用户因使用这些下载资源对自己和他人造成任何形式的伤害或损失;

6、 下载文件中如有侵权或不适当内容,请与我们联系,我们立即纠正。


线