

作品包括:
Word设计说明书1份
CAD版本图纸,共13张
UG三维图一份
摘要
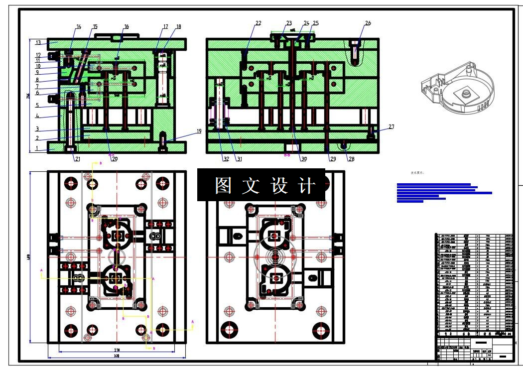
本文详细介绍了模具的浇注系统、模具成型部分结构、顶出系统、冷却系统、注塑机的选择及有关参数的校核等等设计。运用CAD、辅助工程UG等不同的软件分别对模具的设计、制造和产品质量进行分析。连接器壳体塑料注塑模具设计,采用一般精度,利用CAD、UG来设计或分析注射模的成型零部件,浇注系统,导向部件和脱模机构等等。针对卷尺壳的具体结构,该模具采用侧浇口单分型面注射模具。由于塑件侧面有小凹槽,需要设置斜导柱。通过模具设计表明该模具能达到卷尺壳的质量和加工工艺要求。综合运用了专业基础、专业课知识设计,其核心知识是塑料成型模具、材料成型技术基础、机械设计、塑料成型工艺、模具CAD\CAM等。
温馨提示:
1、题目前面的备注【字母数字编号】为本站整理分类的编号,与课题内容无关,请选题时忽视;
2、若题目上备注三维,则表示文件里包含三维源文件,由于三维组成零件数量较多,为保证预览截图的简洁性,本站将三维文件夹进行了打包。三维及CAD预览截图,均为本站电脑打开软件进行截图的,保证能够打开,下载原件超高清,下载后解压即可;
3、本站所有资源如无特殊说明,都需要本地电脑安装Office2007。图纸软件为AutoCAD,PROE,UG,SolidWorks,CATIA等;
4、本站所有图文资料仅供用户学习参考,不作为任何商用或其他用途;
5、本站不保证下载资源的准确性、安全性和完整性, 不包修改,不支持退换,同时也不承担用户因使用这些下载资源对自己和他人造成任何形式的伤害或损失;
6、 下载文件中如有侵权或不适当内容,请与我们联系,我们立即纠正。