

作品包括:
Word设计说明书1份
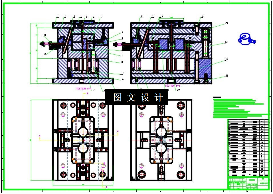
CAD版本图纸,共11张
UG三维图一份
摘要
模具设计必须先规划整体的设计,此次整体结构设计的主要内容是:模具分型面的设计、流道的布置、浇口位置的选择、模具工作零件的结构设计和它们的理论计算,还有其他重要部件的设计将会在零件图中,计算的数据在零件图中也会更加具体。设计中会使用到一些制图软件,例如UG、AutoCAD等,制图软件是用来绘制轴套塑料件模具的三维立体结构图以及它的二维总装图的,还有轴套塑料件的部分零件图也要绘制。另外,还要对一些成型零件的加工工艺进行分析。模具设计不是简单的造型就好,我们还要深入地了解它的工作原理以及它的工作过程,还有它在日常生活的实用性。这样的模具设计结果才能更好的进到现实的生产中,也能使模具加工人员更加容易看懂图纸,从而尽量快的掌握其加工的流程。
温馨提示:
1、题目前面的备注【字母数字编号】为本站整理分类的编号,与课题内容无关,请选题时忽视;
2、若题目上备注三维,则表示文件里包含三维源文件,由于三维组成零件数量较多,为保证预览截图的简洁性,本站将三维文件夹进行了打包。三维及CAD预览截图,均为本站电脑打开软件进行截图的,保证能够打开,下载原件超高清,下载后解压即可;
3、本站所有资源如无特殊说明,都需要本地电脑安装Office2007。图纸软件为AutoCAD,PROE,UG,SolidWorks,CATIA等;
4、本站所有图文资料仅供用户学习参考,不作为任何商用或其他用途;
5、本站不保证下载资源的准确性、安全性和完整性, 不包修改,不支持退换,同时也不承担用户因使用这些下载资源对自己和他人造成任何形式的伤害或损失;
6、 下载文件中如有侵权或不适当内容,请与我们联系,我们立即纠正。