

作品包括:
Word设计说明书1份
CAD版本图纸,共6张
UG三维图一套
摘要
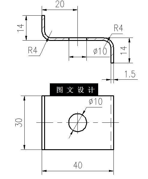
本次设计任务基于屏蔽罩冲产品作为研究目标,首先通过设计冲压零件,主要包括材料选择的合理性,产品的结构特征,以及产品的相关尺寸以及精度;基于产品的落料冲孔翻边工序,对工序之间的相关组合进行分析确定合理的冲压方案为级进模;然后基于模具的总体结构,从定位零件,导向方式,卸料方式等方面选择通用化的组件;然后以相关工艺计算为基础选择合适的冲床作为加工设计,最后设计绘制装配图和所有零件图,设计出一个合适的模具机构完成零件的顺利冲裁。
关键词:屏蔽罩;级进模;冲压工序;设计选择
温馨提示:
1、题目前面的备注【字母数字编号】为本站整理分类的编号,与课题内容无关,请选题时忽视;
2、若题目上备注三维,则表示文件里包含三维源文件,由于三维组成零件数量较多,为保证预览截图的简洁性,本站将三维文件夹进行了打包。三维及CAD预览截图,均为本站电脑打开软件进行截图的,保证能够打开,下载原件超高清,下载后解压即可;
3、本站所有资源如无特殊说明,都需要本地电脑安装Office2007。图纸软件为AutoCAD,PROE,UG,SolidWorks,CATIA等;
4、本站所有图文资料仅供用户学习参考,不作为任何商用或其他用途;
5、本站不保证下载资源的准确性、安全性和完整性, 不包修改,不支持退换,同时也不承担用户因使用这些下载资源对自己和他人造成任何形式的伤害或损失;
6、 下载文件中如有侵权或不适当内容,请与我们联系,我们立即纠正。