

作品包括:
Word设计说明书1份
CAD版本图纸,共5张
UG三维工件图1张
摘要
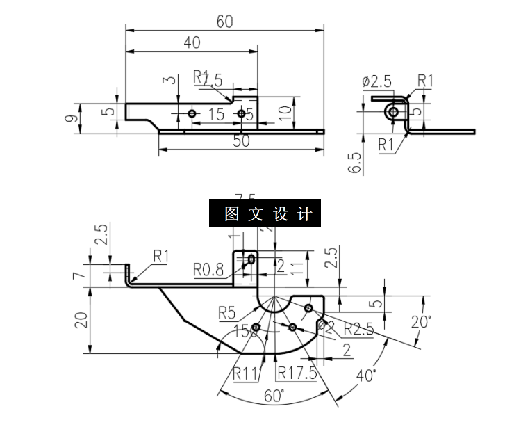
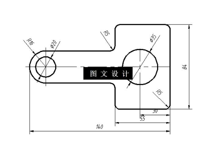
本文主要研究的模具设计内容是铝合金端盖的压铸模具分析和设计。本次的设计主要目的是通过对这个铝合金端盖的外形、形状尺寸以及精度的工艺性要求进行分析和对注塑成型外形和工艺的设计和分析 ,铝合金端盖的外形和成型工艺性要求包括确定铝合金端盖的壁厚、表面的粗糙度以及铝合金端盖形状尺寸的精度。通过对铝合金端盖的成型工艺性要求进行分析和设计来进行确定对压铸机、注射成型系统工艺的参数以及装配图并且确定压铸机和模具的分型面、型腔的数目及其排列结构方式、浇注成型系统的尺寸结构设计。最重要的一点就是首先要分析和确定压铸机的型腔和型芯的尺寸和结构。对压铸机模具和冷却系统的参数进行分析和计算及对压铸机和模架、模具的闭合高度参数进行确定并对压铸机和模具的闭合高度参数进行校核 ,对模具需要安装的部分以及开模的行程参数进行了校核。最后就是要绘制完整的压铸机模具装配图。
温馨提示:
1、题目前面的备注【字母数字编号】为本站整理分类的编号,与课题内容无关,请选题时忽视;
2、若题目上备注三维,则表示文件里包含三维源文件,由于三维组成零件数量较多,为保证预览截图的简洁性,本站将三维文件夹进行了打包。三维及CAD预览截图,均为本站电脑打开软件进行截图的,保证能够打开,下载原件超高清,下载后解压即可;
3、本站所有资源如无特殊说明,都需要本地电脑安装Office2007。图纸软件为AutoCAD,PROE,UG,SolidWorks,CATIA等;
4、本站所有图文资料仅供用户学习参考,不作为任何商用或其他用途;
5、本站不保证下载资源的准确性、安全性和完整性, 不包修改,不支持退换,同时也不承担用户因使用这些下载资源对自己和他人造成任何形式的伤害或损失;
6、 下载文件中如有侵权或不适当内容,请与我们联系,我们立即纠正。