

作品包括:
Word设计说明书1份
CAD版本图纸,共4张
摘要
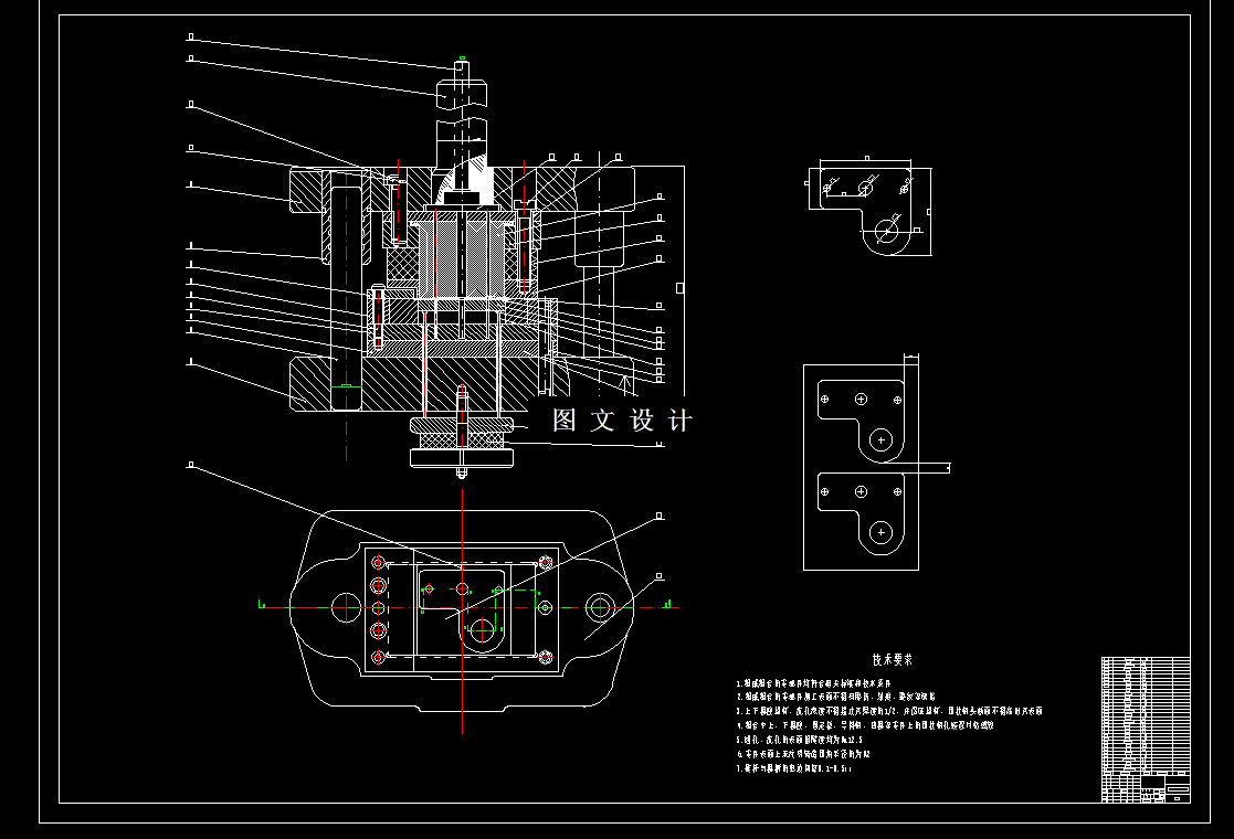
本研究以复杂结构的L型连接板为对象,开展了一套完整的冲压模具设计与仿真分析流程。通过对连接板结构特征的系统分析,结合材料性能与成形工艺要求,制定了落料、冲孔、折弯、翻边等多道次冲压工艺路径。在模具结构设计方面,采用模块化级进模结构与内导向装置,确保模具运行的稳定性与导向精度。运用有限元仿真软件Dynaform与ANSYS对关键工序进行成形性能模拟与结构应力测试,获得了模具工作状态下的应力分布、位移变化及疲劳寿命预测。仿真结果显示所设计模具在强度、安全成形区与回弹控制方面均满足技术要求。最终通过模具寿命理论计算与加工精度验证,确认模具方案具备良好的工程适用性与制造可行性。本研究可为类似复杂板件模具开发提供结构设计、仿真分析与寿命评估的技术参考。
温馨提示:
1、题目前面的备注【字母数字编号】为本站整理分类的编号,与课题内容无关,请选题时忽视;
2、若题目上备注三维,则表示文件里包含三维源文件,由于三维组成零件数量较多,为保证预览截图的简洁性,本站将三维文件夹进行了打包。三维及CAD预览截图,均为本站电脑打开软件进行截图的,保证能够打开,下载原件超高清,下载后解压即可;
3、本站所有资源如无特殊说明,都需要本地电脑安装Office2007。图纸软件为AutoCAD,PROE,UG,SolidWorks,CATIA等;
4、本站所有图文资料仅供用户学习参考,不作为任何商用或其他用途;
5、本站不保证下载资源的准确性、安全性和完整性, 不包修改,不支持退换,同时也不承担用户因使用这些下载资源对自己和他人造成任何形式的伤害或损失;
6、 下载文件中如有侵权或不适当内容,请与我们联系,我们立即纠正。