

作品包括:
Word设计说明书1份
CAD版本图纸,共7张
摘要
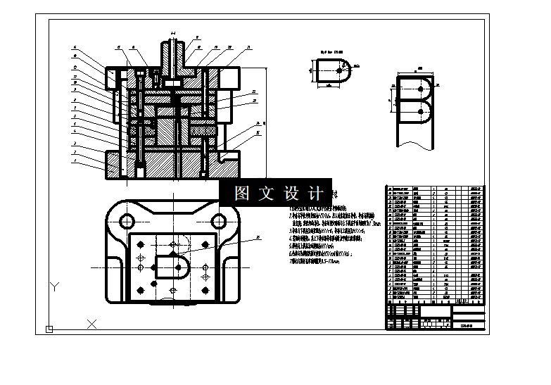
模具设计过程的中,工艺分析尤其中,所以拿到工件之后,首先第一步需要进行工艺分析,通过对产品的详细的分析我们对工件垫片的结构和材料以及工序有个基本的了解,然后设计出合适的方案。方案设计完成以后,需要我们对模具的设计进行计算,计算一般包括排样图利用率计算,冲压力的计算,还有模具工作尺寸的计算等。通过分析总结完成本次模具的最终设计,然后通过图纸表达出模具的结构,完成零件图进行加工。 设计中题目是垫片冲压模具设计,首先我们需要对垫片进行详细的分析,分析一般包含三个方面,分别是材料分析,结构分析和工序分析。该工件垫片材料为10,属于常用的钣金类材料,冲压性能比较好,结构上总体来说结构基本属于对称,厚度是2mm。垫片主要有落料、冲孔的工序,可以采用复合摸完成,由于多个工序同时完成,可以保证高的生成效率,同时还能提高工件的质量。
温馨提示:
1、题目前面的备注【字母数字编号】为本站整理分类的编号,与课题内容无关,请选题时忽视;
2、若题目上备注三维,则表示文件里包含三维源文件,由于三维组成零件数量较多,为保证预览截图的简洁性,本站将三维文件夹进行了打包。三维及CAD预览截图,均为本站电脑打开软件进行截图的,保证能够打开,下载原件超高清,下载后解压即可;
3、本站所有资源如无特殊说明,都需要本地电脑安装Office2007。图纸软件为AutoCAD,PROE,UG,SolidWorks,CATIA等;
4、本站所有图文资料仅供用户学习参考,不作为任何商用或其他用途;
5、本站不保证下载资源的准确性、安全性和完整性, 不包修改,不支持退换,同时也不承担用户因使用这些下载资源对自己和他人造成任何形式的伤害或损失;
6、 下载文件中如有侵权或不适当内容,请与我们联系,我们立即纠正。