

作品包括:
说明书一份,共64页,约17000字
CAD版本图纸,共4张
摘 要
现如今,对于特种装备汽车生产制造来说,洒水车的制造是至关重要的,而且驱动桥更是汽车制造过程中必不可少的一部分。洒水车驱动桥的设计对于整车设计来说是尤其关键的一部分。为满足洒水车不同作业情况下减速增扭、防止侧滑、实现转弯行驶或在不同路面上两侧车轮以不同转速转动的条件,其中的关键尺寸和材料选取等一些需要自行设计的零件将会影响很强。现如今,驱动桥的设计已经趋于成熟,需要我们更进一步去研究的便是在降低驱动桥设计的成本、提高驱动桥工作效率、简化其结构的同时,想出更多新东西,突破极限,突破现有的格局。大家想必都知道,现在是互联网的时代,一切产品离开了互联网,势必将会被时代所淘汰。先进的中国人民在这一世纪应紧紧抓住机会,将汽车和互联网结合起来,将驱动桥和互联网结合起来,从而推动我们汽车行业,向更广阔的平台进军,用科技的力量从后面推着制造业行进。为了能够加深对现代汽车设计和机械设计的印象以及增强我们的理论知识,本次通过毕业设计对洒水车驱动桥的设计具有很强的实际意义。
在这篇论文里,首先经过细心的调研,查阅相关资料,在了解了国外先进的制造技术之后,确定了基本的设计思路。在老师的帮助下,通过课本上设计方法对半轴和半轴套管以及其它相关零件的尺寸完成所设计并进行了相关校核。最后将所计算的有关数据通过CAD形成了完美的装配图和一些零件图配。
关键词:洒水车,驱动桥,单级主减速器,差速器,半轴,桥壳
目录
第1章 绪 论 1
1.1设计(或研究)的依据与意义 1
1.2国内外驱动桥研究状况 1
1.3设计主要内容 2
第2章 驱动桥设计 3
2.1任务书主要技术指标 3
2.2初步实施计划 3
2.3发动机的选型 3
2.4汽车轮胎的选取 4
2.5汽车车桥的种类 4
2.6驱动桥结构组成 4
2.7驱动桥设计要求 5
2.8设计车型主要参数 5
2.9主减速器结构方案的确定 6
2.9.1主减速器的齿轮类型选取 6
2.9.2主减速器的减速形式 6
2.9.3主减速比的计算 6
2.9.4主减速器主从动锥齿轮的支承形式及安装方法 6
2.10差速器结构方案的确定 7
2.11半轴形式的确定 8
2.12桥壳形式的确定 8
2.13本章小结 8
第三章 主减速器设计 10
3.1概述 10
3.2主减速器齿轮参数的选择与强度计算 10
3.2.1主减速器齿轮计算载荷的确定 10
3.2.2 主减速器齿轮参数的选择 11
3.2.3螺旋锥齿轮的强度计算 14
3.2.4主减速器的轴承计算 18
3.3主减速器齿轮材料及热处理 24
3.4本章小结 24
第4章 差速器设计 26
4.1概述 26
4.2对称式圆锥行星齿轮差速器的结构 26
4.3对称式锥齿轮差速器的设计 26
4.3.1差速器齿轮的基本参数选择 26
4.3.2差速器齿轮的几何尺寸计算 28
4.2.3差速器齿轮的强度计算 30
4.2.4差速器齿轮的材料 31
4.4本章小结 31
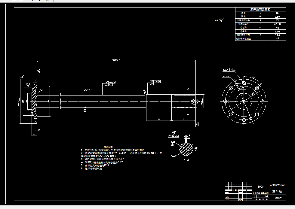
第5章 半轴设计 32
5.1概述 32
5.2半轴的设计与计算 32
5.2.1全浮式半轴的计算载荷的确定 32
5.2.3全浮半轴强度计算 33
5.2.4全浮式半轴花键强度计算 34
5.2.5半轴材料与热处理 35
5.3本章小结 35
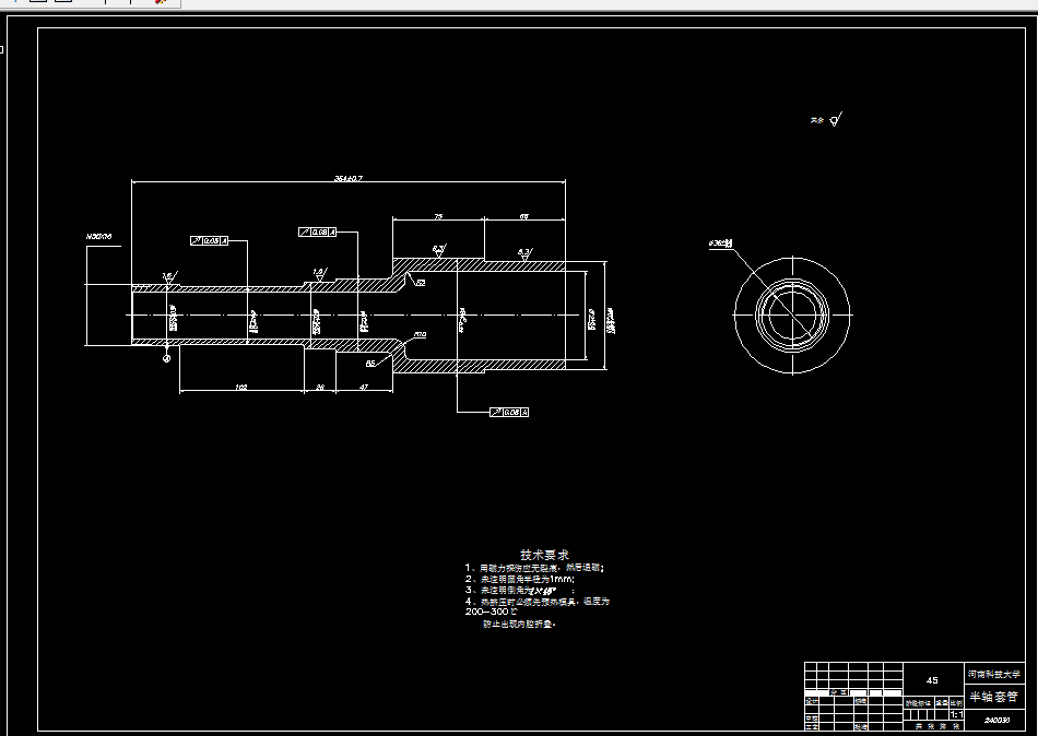
第6章 驱动桥桥壳的设计 36
6.1概述 36
6.2桥壳的受力分析及强度计算 36
6.2.1桥壳的静弯曲应力计算 36
6.2.2在不平路面冲击载荷作用下桥壳的强度计算 37
6.2.3汽车以最大牵引力行驶时的桥壳的强度计算 38
6.2.4汽车紧急制动时的桥壳强度计算 39
6.2.5汽车受最大侧向力时桥壳的强度计算 41
结 论 44
参考文献 45
致 谢 47
附 录A 48
附 录B 56
温馨提示:
1、题目前面的备注【字母数字编号】为本站整理分类的编号,与课题内容无关,请选题时忽视;
2、若题目上备注三维,则表示文件里包含三维源文件,由于三维组成零件数量较多,为保证预览截图的简洁性,本站将三维文件夹进行了打包。三维及CAD预览截图,均为本站电脑打开软件进行截图的,保证能够打开,下载原件超高清,下载后解压即可;
3、本站所有资源如无特殊说明,都需要本地电脑安装Office2007。图纸软件为AutoCAD,PROE,UG,SolidWorks,CATIA等;
4、本站所有图文资料仅供用户学习参考,不作为任何商用或其他用途;
5、本站不保证下载资源的准确性、安全性和完整性, 不包修改,不支持退换,同时也不承担用户因使用这些下载资源对自己和他人造成任何形式的伤害或损失;
6、 下载文件中如有侵权或不适当内容,请与我们联系,我们立即纠正。