

作品包括:
设计说明书一份,共34页,约11000字
任务书一份.
开题报告一份.
翻译一份.
CAD版本图纸,共4张
转臂式加速度过载模拟实验台结构设计与分析
学生姓名: 班级:
指导老师:
摘要:现代军事、国防领域对火工品飞行器的机动性要求很高。火工品的机定性越好,对其整体强度要求及越高,其承受机动过载的能力越强。为保证火工品的产品的质量和可靠性,必须进行火工品的地面过载实验,对火工品在法向加速度作用下的性能进行评价,用于指导产品设计与质量控制。离心加速度实验装置就是在地面上测试过载情况下火工品飞行器(如导弹等)某些性能的一种专用设备。
此次设计的实验台,采用箱体式结构,由圆锥齿轮传动带动转臂传动。用转臂取代圆盘转架,大大减轻质量,节省材料,降低成本,同时减轻加于支撑基础的载荷。本系统的传动方案采用一对圆锥齿轮传动取代带传动,可避免更换带传动带来的一系列问题,而且齿轮传动所需的空间尺寸较小,易于维护。
研究的主要内容:查阅资料,了解离心实验台在国内外的发展状况和存在的问题。了解转臂式离心加速度过载模拟实验装置的特点以及在日常生产生活中的用途。在对所选课题有个初步的了解之后,再确定转臂式离心加速度过载模拟实验的研究内容及实验方案。根据方案,画出装配图,装配图画好后,从装配图中设计计算选择各零件以及完成对零件图的初步绘制。
关键字: 过载、测试、锥齿轮、维护、装配图
目录
1 前言
1.1选题的依据及意义 …………………………………………… (1)
1.2 试验台的简要介绍与国内外发展概况 ………………………… (1)
1.3 论文的主要内容 ………………………………………………… (3)
2 试验台的总体方案设计
2.1试验台各零件参数设计 ………………………………………… (3)
2.2总体方案的提出以及特点 ……………………………………… (4)
2.3确定方案 ………………………………………………………… (8)
3 试验台的结构设计
3.1 电动机的选择 …………………………………………………… (9)
3.2 联轴器的设计 …………………………………………………… (12)
3.3 润滑的选择 ……………………………………………………… (14)
4 装配图及其各零件的设计
4.1传动形式的对比及选择 ………………………………………… (15)
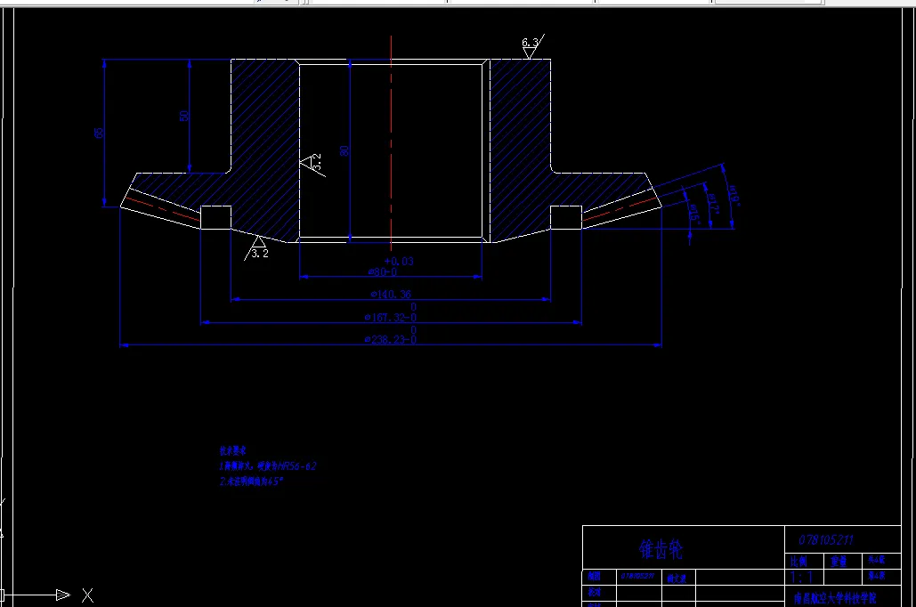
4.2直齿锥齿轮的计算与校核 ……………………………………… (16)
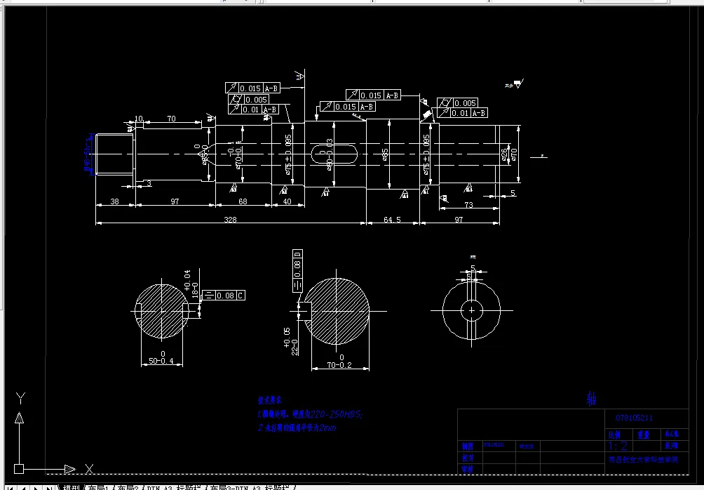
4.3轴的设计 ………………………………………………………… (23)
4.4箱体的设计 ……………………………………………………… (27)
4.5套杯的设计 ……………………………………………………… (29)
4.6轴承盖的设计 …………………………………………………… (30)
结论 ………………………………………………………………… (32)
参考文献 …………………………………………………………… (33)
致谢 ………………………………………………………………… (34)
温馨提示:
1、题目前面的备注【字母数字编号】为本站整理分类的编号,与课题内容无关,请选题时忽视;
2、若题目上备注三维,则表示文件里包含三维源文件,由于三维组成零件数量较多,为保证预览截图的简洁性,本站将三维文件夹进行了打包。三维及CAD预览截图,均为本站电脑打开软件进行截图的,保证能够打开,下载原件超高清,下载后解压即可;
3、本站所有资源如无特殊说明,都需要本地电脑安装Office2007。图纸软件为AutoCAD,PROE,UG,SolidWorks,CATIA等;
4、本站所有图文资料仅供用户学习参考,不作为任何商用或其他用途;
5、本站不保证下载资源的准确性、安全性和完整性, 不包修改,不支持退换,同时也不承担用户因使用这些下载资源对自己和他人造成任何形式的伤害或损失;
6、 下载文件中如有侵权或不适当内容,请与我们联系,我们立即纠正。