

作品包括:
设计说明书一份,共40页,约15000字
任务书一份.
开题报告一份.
翻译一份.
CAD版本图纸,共10张
目 录
1 引言…………………………………………………………………………………1
2 螺旋输送机主要构件的设计和选用………………………………………1
2.1 螺旋输送机的一般结构…………………………………………………………1
2.1.1 螺旋输送机的类型………………………………………………………………2
2.1.2 螺旋输送机的特点………………………………………………………………3
2.2 螺旋输送机的主要构件…………………………………………………………4
2.2.1 螺旋体……………………………………………………………………………4
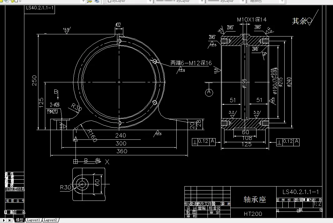
2.2.2 轴承………………………………………………………………………………9
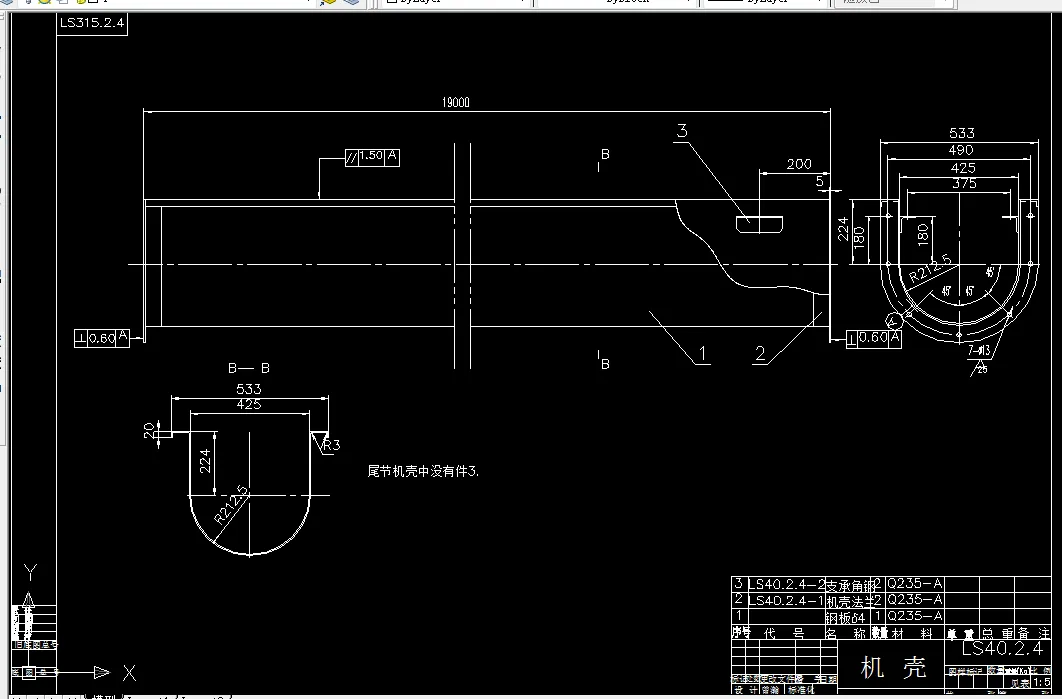
2.2.3 机槽………………………………………………………………………………11
2.2.4 驱动装置15
3 水平螺旋输送机的工作过程分析…………………………………………17
3.1 物料的运动分析和叶片的设计…………………………………………………17
3.1.1 物料的运动分析…………………………………………………………………17
3.1.2 叶片的设计………………………………………………………………………21
4 总体设计计算……………………………………………………………………26
4.1 原始资料…………………………………………………………………………26
4.1.1 被输送物料的名称及特性………………………………………………………26
4.1.2 选型要求…………………………………………………………………………26
4.2 螺旋输送机的设计计算…………………………………………………………26
4.2.1 确定螺旋直径……………………………………………………………………26
4.2.2 确定螺旋转速……………………………………………………………………27
4.2.3 功率的计算………………………………………………………………………27
4.2.3 电机的选择………………………………………………………………………28
5 总体尺寸设计……………………………………………………………………29
5.1 LS螺旋输送机的外形及尺寸……………………………………………………29
5.1.1 长度与组合………………………………………………………………………30
5.2 附件尺寸…………………………………………………………………………30
5.2.1 进料口……………………………………………………………………………30
5.2.2 出料口……………………………………………………………………………32
6 用solidworks对一个主要零件进行有限元分析……………………33
7 结论…………………………………………………………………………………38
参考文献………………………………………………………………………………39
致谢……………………………………………………………………………………40
LS螺旋输送机设计
摘要 :LS型螺旋输送机是采用国际标准产品,等效采用ISO1050-75标准,设计制造符合ZBJ1005.1-2-88专业标准。其技术指标先进,结构新颖,是我国九十年代替代GX型螺旋输送机的换代产品。LS型螺旋输送机的应用范围:螺旋机被广泛地使用在各种工业部门,如建材、电力、化工、冶金、煤炭、机械、轻工、粮食及食品行业。
LS螺旋输送机对输送物料的要求,粉状、粒状和小块状物料。如:水泥、煤粉、粮食、化肥、灰渣、砂子等,物料温度不得超过200℃,螺旋机不宜输送易变质的、粘性大的、易结块的物料。因为这些物料在输送时在一螺旋上,并随之旋转而不向前移动,或者在吊轴承处形成物料的积塞而会粘结使螺旋机不能正常工作。LS螺旋机的工作环境应在-20℃~50℃之间,允许稍微倾斜使用,最大倾角不得超过20℃。
本次LS螺旋输送机设计主要分析了粉状物料输送的相关参数。 要求被输送物料的名称及特性来设计,按螺旋输送机驱动方式,我们选择了单端驱动。查阅了相关资料,才完成图纸模型到图纸数据,这都是强有力的效果。
关键词:LS螺旋输送机;物料;应用范围;技术参数。
温馨提示:
1、题目前面的备注【字母数字编号】为本站整理分类的编号,与课题内容无关,请选题时忽视;
2、若题目上备注三维,则表示文件里包含三维源文件,由于三维组成零件数量较多,为保证预览截图的简洁性,本站将三维文件夹进行了打包。三维及CAD预览截图,均为本站电脑打开软件进行截图的,保证能够打开,下载原件超高清,下载后解压即可;
3、本站所有资源如无特殊说明,都需要本地电脑安装Office2007。图纸软件为AutoCAD,PROE,UG,SolidWorks,CATIA等;
4、本站所有图文资料仅供用户学习参考,不作为任何商用或其他用途;
5、本站不保证下载资源的准确性、安全性和完整性, 不包修改,不支持退换,同时也不承担用户因使用这些下载资源对自己和他人造成任何形式的伤害或损失;
6、 下载文件中如有侵权或不适当内容,请与我们联系,我们立即纠正。