

作品包括:
设计说明书一份,共49页,约12000字
任务书一份.
开题报告一份.
翻译一份.
CAD版本图纸,共11张
proe全套图纸,54张
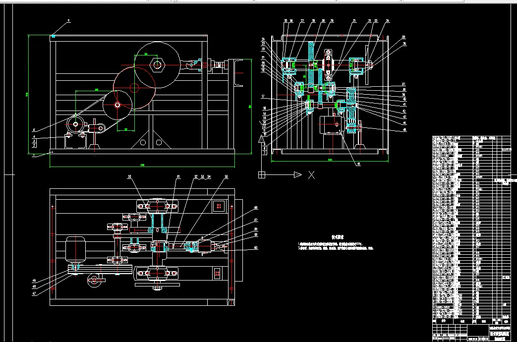
A0-总装图.dwg
A1-机架图.dwg
A2-二轴.dwg
A2-曲轴.dwg
A2-一轴.dwg
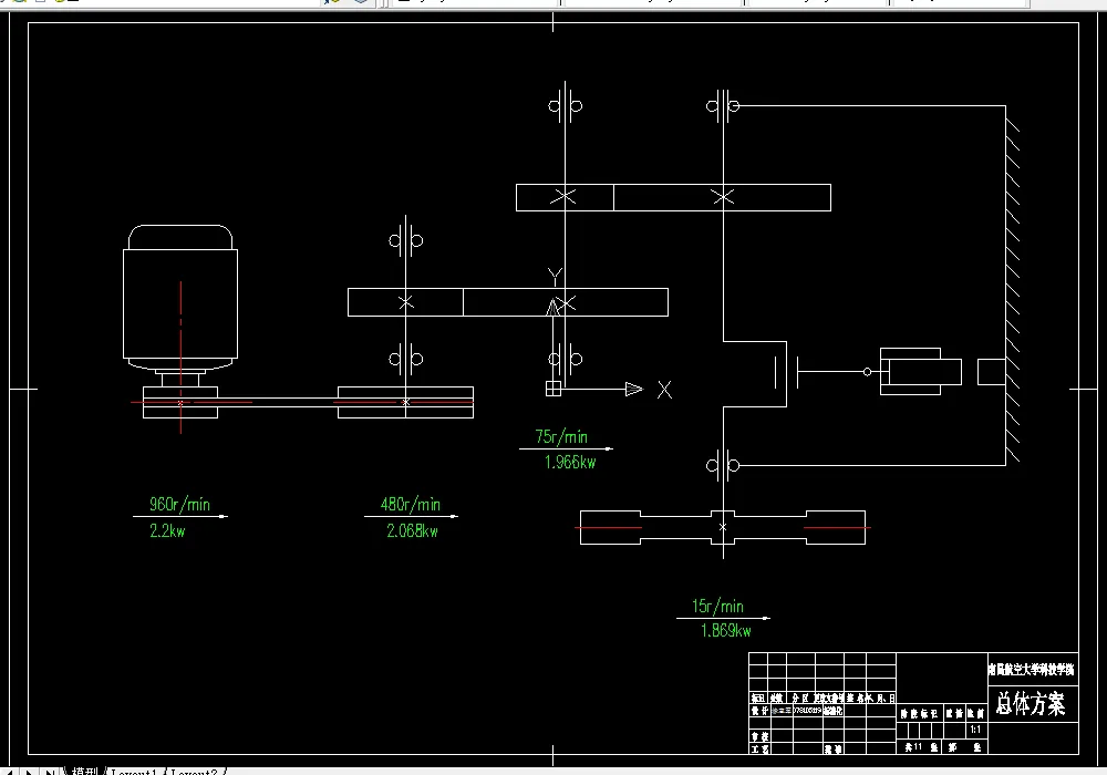
A2-原理图.dwg
A2-张紧轮.dwg
A3-齿轮二.dwg
A3-齿轮一.dwg
A3-导杆.dwg
A3-飞轮.dwg
钢筋切断机仿真设计
摘 要:钢筋切断机是一种广泛应用于机械制造、建筑等行业中的重要工具,随着科技的进步和加工要求的不断提高,现有的钢筋切断机己逐渐不能适应用户的新需求,目前钢筋切断机还有待于进一步全面深入的研究。降低成本、增加新功能、提高自动化水平等将成为钢筋切断机今后发展的方向。
针对钢筋切断机设计和生产的现状,进行了生产加工状况、常见故障及关键问题的
调查,然后使用有限元及虚拟样机技术对钢筋切断机三维模型进行结构静力学分析、动力学分析,进而提出改进方案。
借助先进的Pro/E, ANSYS和ADAMS软件联合仿真,建立了钢筋切断机模型,并实现了其运动仿真,通过对箱体模烈做有限元分析,提出了改进方案并证明了改进方案的可行。利用LS-DYNA仿真钢筋切断机剪切钢筋的动态过程.
关键词:钢筋切断机 建筑 齿轮
目 录
1. 引言..................................1
1.1 概述.................................1
1.2 题目的选取..............................1
1.3 钢筋切断机的原理...........................1
2. 电机选择...............................2
2.1 切断钢筋需用力计算..........................2
2.2 功率计算...............................3
3. 传动结构设计.............................5
3.1 基本传动数据计算...........................5
3.1.1分配传动比..............................5
3.1.2 计算机构各轴的运动及动力参数 ................... 5
3.2 带传动设计..............................6
3.2.1带型的确定..............................6
3.2.2带轮基准直径.............................6
3.2.3带速的确定..............................6
3.2.4中心距、带长及包角的确定.......................6
3.2.5确定带的根数.............................7
3.2.6张紧力................................ 7
3.2.7作用在轴上的载荷...........................7
3.2.8带轮结构与尺寸见零件图........................7
3.3 齿轮传动设计.............................8
3.3.1第一级齿轮传动设计..........................8
3.3.2第二级齿轮传动设计..........................12
3.4 轴的校核...............................15
3.4.1一轴的校核..............................15
3.4.2三轴的校核..............................19
3.5 平键的校核..............................22
3.6 轴承的校核...............................23
3.6.1初选轴承型号.............................23
3.6.2寿命计算...............................24
4.模型的建立及其运动仿真.......................27
4.1 Pro/E简介..............................27
4.1.1基于特征..............................27
4.1.2参数化设计.............................27
4.2基本结构...............................27
4.3钢筋切断机模型的建立.........................28
4.3.1箱体模型的建立...........................28
4.3.2齿轮及齿轮轴模型的建立.......................28
4.3.3其他零部件模型的建立........................30
4.4虚拟装配................................36
4.4.1模块化的虚拟装配..........................36
4.4.2装配过程中出现的常见问题及解决方法.................36
4.5运动仿真................................37
4.5.1建立运动机构仿真的一般步骤......................38
4.5.2钢筋切断机运动仿真实现........................38
4.5.3保存结果...............................40
4.6本章小结................................41
5. 总结................................42
参考文献.................................43
致谢...................................44
温馨提示:
1、题目前面的备注【字母数字编号】为本站整理分类的编号,与课题内容无关,请选题时忽视;
2、若题目上备注三维,则表示文件里包含三维源文件,由于三维组成零件数量较多,为保证预览截图的简洁性,本站将三维文件夹进行了打包。三维及CAD预览截图,均为本站电脑打开软件进行截图的,保证能够打开,下载原件超高清,下载后解压即可;
3、本站所有资源如无特殊说明,都需要本地电脑安装Office2007。图纸软件为AutoCAD,PROE,UG,SolidWorks,CATIA等;
4、本站所有图文资料仅供用户学习参考,不作为任何商用或其他用途;
5、本站不保证下载资源的准确性、安全性和完整性, 不包修改,不支持退换,同时也不承担用户因使用这些下载资源对自己和他人造成任何形式的伤害或损失;
6、 下载文件中如有侵权或不适当内容,请与我们联系,我们立即纠正。