

作品包括:
设计说明书一份,共40页,约18000字
任务书一份.
开题报告一份.
外文翻译一份
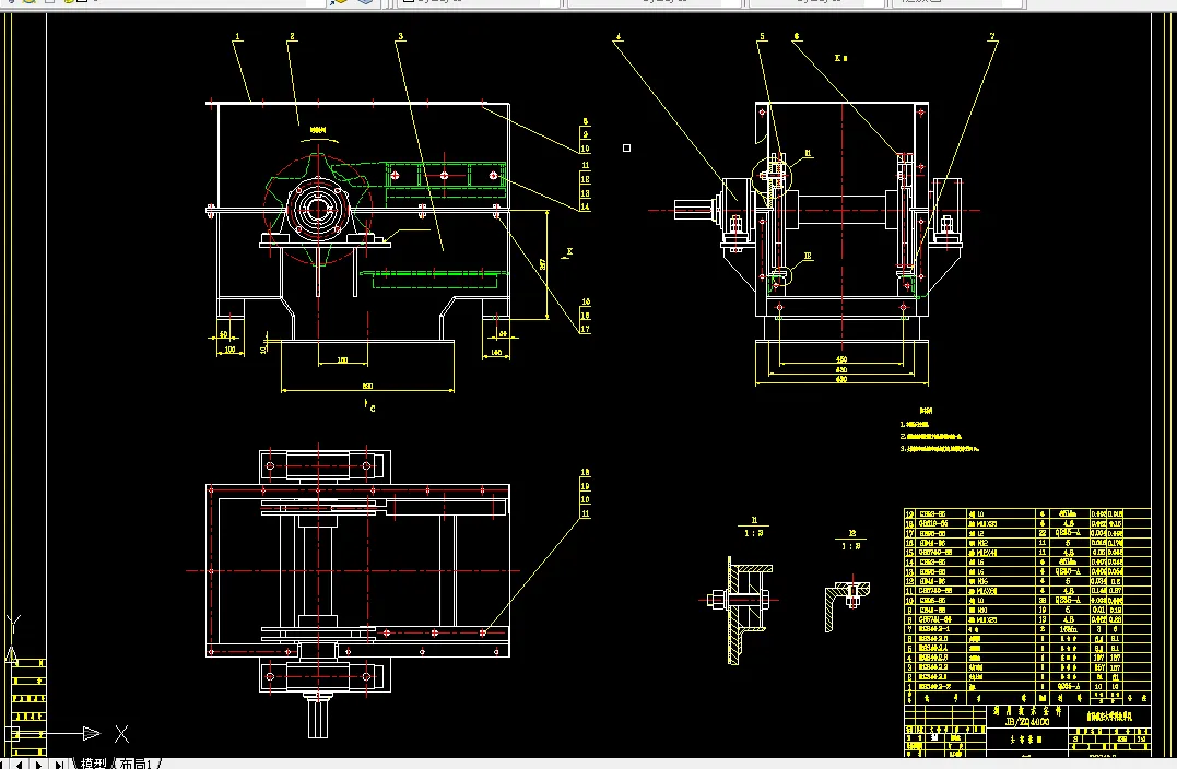
CAD版本图纸,共4张
摘要:本次课题设计的题目是“刮板输送机的设计”。采用二维CAD软件—Auto CAD 进行结构设计。
本次的设计具体内容主要包括:刮板输送机传动总体设计;主要传动机构设计;主要零、部件设计;完成主要零件的工艺设计;设计一套主要件的工艺装备;撰写开题报告;撰写毕业设计说明书;翻译外文资料等。
对于即将毕业的学生来说,本次设计的最大成果就是:综合运用机械设计、机械制图、机械制造基础、金属材料与热处理、公差与技术测量、理论力学、材料力学、机械原理、计算机应用基础以及工艺、夹具等基础理论、工程技术和生产实践知识。掌握机械设计的一般程序、方法、设计规律、技术措施,并与生产实习相结合,培养分析和解决一般工程实际问题的能力,具备了机械传动装置、简单机械的设计和制造的能力。
关键词:刮板输送机;传动装置;设计;制造
目录
第一章 绪论 2
1.1总体方案的确定 2
第二章 刮板输送机的基本概述 5
2.1刮板输送机的整体构造及传动原理 5
2.2国产刮板输送机技术特征 9
第三章 刮板输送机的性能计算 14
3.1 输送量的计算 14
3.2 刮板输送机输送能力的计算 15
3.3 刮板输送机的阻力计算 16
3.4 刮板输送机功率计算 17
3.5 刮板链张力的计算 18
3.6 链轮的几何尺寸计算 20
3.7 其他一些部件的选取 21
第四章 刮板输送机的动力学分析 24
4.1 刮板输送机的物理模型 24
4.2 刮板输送机的数学模型 25
4.3 刮板输送机的动力学模型 30
小 结 37
参考文献 39
致 谢 40
温馨提示:
1、题目前面的备注【字母数字编号】为本站整理分类的编号,与课题内容无关,请选题时忽视;
2、若题目上备注三维,则表示文件里包含三维源文件,由于三维组成零件数量较多,为保证预览截图的简洁性,本站将三维文件夹进行了打包。三维及CAD预览截图,均为本站电脑打开软件进行截图的,保证能够打开,下载原件超高清,下载后解压即可;
3、本站所有资源如无特殊说明,都需要本地电脑安装Office2007。图纸软件为AutoCAD,PROE,UG,SolidWorks,CATIA等;
4、本站所有图文资料仅供用户学习参考,不作为任何商用或其他用途;
5、本站不保证下载资源的准确性、安全性和完整性, 不包修改,不支持退换,同时也不承担用户因使用这些下载资源对自己和他人造成任何形式的伤害或损失;
6、 下载文件中如有侵权或不适当内容,请与我们联系,我们立即纠正。