

作品包括:
设计说明书一份,共32页,约10000字
任务书一份
外文翻译一份
开题报告一份
CAD版本图纸,共8张
摘 要
随着社会的进步,轿车进入家庭已不是什么新鲜事了。而人们买车后却发现他们辛苦买来的车竟然找不到停车的地方。那是因为与日俱增的车与有限的停车空间两者的矛盾越来越深化。针对这一问题,我认为立体停车库的研究是必要的。所以在此次毕业设计,我选择了公共场所停车用立体车库的设计。
本文首先介绍了此设计的选题,明确本设计的研究目的和意义,最后通过思考与讨论,最终确定本设计的研究方案。在设计过程部分,详细论述了设备总体结构设计、传动系统设计,其中对钢结构件的受力做了深入的理论分析、计算。本设计主要的是对车库的结构设计及对结构的验算,确保客户停车取车方便快捷和安全。
关键词:立体停车车库,总体结构设计,传动系统
目录
第1章 绪论 1
1.1 设计的要求 5
1.2 设计的意义 5
1.2.1 我国立体停车设备现状调查报告 5
1.2.2 本课题研究的现实意义 5
第2章 机械式立体车库分类 6
2.1 机械式立体车库的特点 6
2.2 机械式立体车库的分类及简介 6
第3章 垂直循环式立体车库的设计 11
3.1 方案选择 11
3.2 垂直循环式立体车库的设计计算 11
3.2.1 垂直循环式立体车库的基本组成 11
3.2.2 垂直循环式立体车库的结构设计 12
3.2.3 驱动系统 12
3.2.4 传动系统设计 13
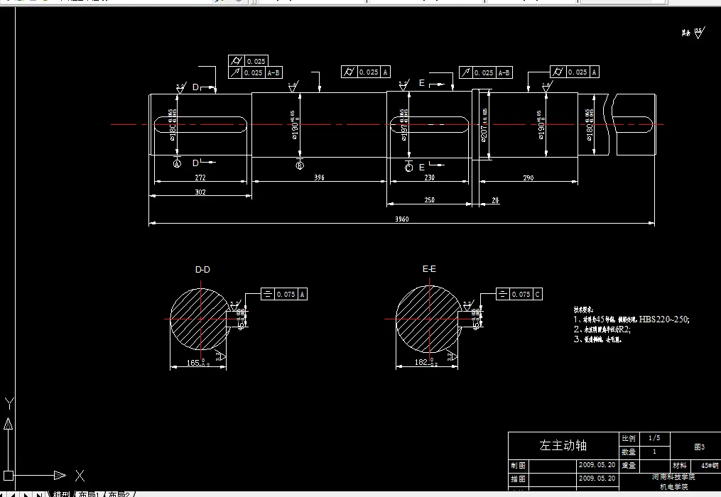
3.2.5 轴的设计与校核 18
3.2.6 联轴器及键的选择 21
3.2.7 轴承及轴承座的选择 22
3.2.8 钢结构骨架 23
3.3 垂直循环式立体车库的辅助装置及其他系统 25
3.3.1 立体车库的辅助装置 25
3.3.2 防止转动的安全挂钩 26
3.3.3 手动控制装置 26
总结 27
谢辞 28
参考文献 29
温馨提示:
1、题目前面的备注【字母数字编号】为本站整理分类的编号,与课题内容无关,请选题时忽视;
2、若题目上备注三维,则表示文件里包含三维源文件,由于三维组成零件数量较多,为保证预览截图的简洁性,本站将三维文件夹进行了打包。三维及CAD预览截图,均为本站电脑打开软件进行截图的,保证能够打开,下载原件超高清,下载后解压即可;
3、本站所有资源如无特殊说明,都需要本地电脑安装Office2007。图纸软件为AutoCAD,PROE,UG,SolidWorks,CATIA等;
4、本站所有图文资料仅供用户学习参考,不作为任何商用或其他用途;
5、本站不保证下载资源的准确性、安全性和完整性, 不包修改,不支持退换,同时也不承担用户因使用这些下载资源对自己和他人造成任何形式的伤害或损失;
6、 下载文件中如有侵权或不适当内容,请与我们联系,我们立即纠正。