

作品包括:
word版设计说明书一份,共29页,约13000字
任务书一份
PPT答辩一份
CAD版本图纸,共11张
摘要: 本文对机床的静压系统及其发展过程进行了总综,介绍了静压系统的结构、特点及其在机床的各种运用。总述了静压转台技术的研究现状;从回转工作台结构、规格、回转精度、承载能力、刚性、热稳定性等方面一一分析和评述了个因素对静压转台关键功能特性的影响规律;采用设计静压系统节流阀调节结构为调速阀恒压静压导轨,可收到良好的效果,最后对静压系统技术的未来趋势进行了预测和展望。
关键词:静压转台 静压导轨 油膜厚度 静压系统
目录
前言 2
第一章 机床的设计要求和工况分析 3
1.1液压系统的设计要求 3
1.2.1数控双柱立式铣车床CKX52100的基本情况 3
1.2.2液压传动系统的工作压力 3
1.2.4初定液压系统流量 4
第二章 设计原理及原理图的拟定 5
第三章 液压元件的计算与选择 6
3.1 静压导轨的相关计算 6
3.1.1 静压导轨的工作原理及相关要求 6
3.1.2 液体静压导轨的优点 6
3.1.3导轨的技术要求 6
3.1.4液体静压导轨原理图分析 7
3.1.5 静压导轨平均刚度 10
3.1.6 油膜厚度对加工精度的影响 11
3.1.7静压导轨的供油方式 11
3.1.8消除导轨爬行现象的途径 13
3.2多头泵的设计 14
3.2.1 工作原理 14
3.2.2 性能及特点 14
3.2.3 多头泵静压系统 15
3.2.4 验证多头泵参数的合理性 16
3.2.5 多头泵油路块的设计 16
3.2.6油液粘度对油膜厚度的影响 17
3.3 液压泵的选择 17
3.3.1 液压泵工作压力的确定 17
3.3.2 液压泵流量的确定 18
3.3.3 液压泵验算: 18
3.4 液压泵电动机的选择 19
3.5 液压元件选择与设计 20
3.5.1 液压阀的选择 20
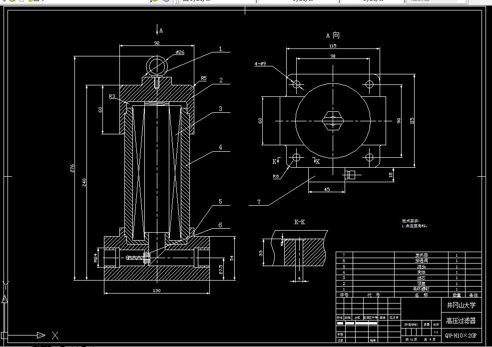
3.5.2 高压过滤器的选择 20
3.5.3 集成块设计 20
3.6 油管内径计算 21
3.7.1 确定油箱的有效容积 21
3.7.2 油箱尺寸的确定 22
3.8压力表与压力表开关的选择 22
3.9 液压系统性能验算 22
3.9.1 验算回路中的压力损失 22
3.9.2 液压系统的发热温升计算 23
第四章 总结 26
参考文献 27
致谢 28
温馨提示:
1、题目前面的备注【字母数字编号】为本站整理分类的编号,与课题内容无关,请选题时忽视;
2、若题目上备注三维,则表示文件里包含三维源文件,由于三维组成零件数量较多,为保证预览截图的简洁性,本站将三维文件夹进行了打包。三维及CAD预览截图,均为本站电脑打开软件进行截图的,保证能够打开,下载原件超高清,下载后解压即可;
3、本站所有资源如无特殊说明,都需要本地电脑安装Office2007。图纸软件为AutoCAD,PROE,UG,SolidWorks,CATIA等;
4、本站所有图文资料仅供用户学习参考,不作为任何商用或其他用途;
5、本站不保证下载资源的准确性、安全性和完整性, 不包修改,不支持退换,同时也不承担用户因使用这些下载资源对自己和他人造成任何形式的伤害或损失;
6、 下载文件中如有侵权或不适当内容,请与我们联系,我们立即纠正。