

作品包括:
Word版说明书一份,共66页,约22000字
开题报告一份
CAD版本图纸,共5张
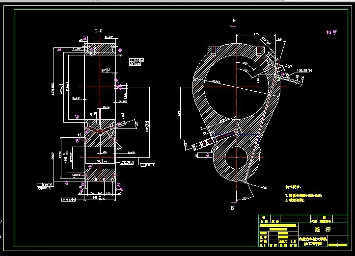
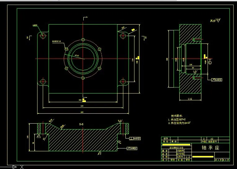
切头剪的设计
摘要 中厚板轧机是轧钢设备中的主力轧机之一,代表一个国家钢铁工业发展的水平,世界上每个工业先进的国家都拥有若干套。各国的中厚板轧机和生产技术都各有其特色,钢板质量和各项经济指标也达到了较高的水平。剪切机的种类很多,其中滚切式切头剪采用双电机驱动的方式。滚切式切头剪是钢厂重要的剪切设备之一。位于粗轧机和精轧机之间,主要作用是在薄规格轧制时切去带钢的头部和尾部,它通过其弧形剪刀,以保证带钢成品有良好的头部和尾部形状,也有利于带钢的穿带和减少甩尾的作用。本文中对切头剪的设计计算是通过给定的已知条件及参数,通过对切头剪及相关设备结构进行了深入了解,并从材料力学、动力学和经济学的角度出发,选择和确定了合理的设计方案。对切头剪的主传动系统进行了设计。重点包括电动机的计算选取;设计和校核了主要的零部件;以及其他传动装置和执行机构的设计等,同时确定了合适的润滑系统和维护检修方案。
关键词:中厚板;切头剪;机械系统;剪切机;生产工艺;计算;校核
目 录
第一章 绪论 1
1.1 中厚板的用途及分类 1
1.2 国内外中厚钢板生产的发展概况 2
1.3 5m 宽厚板轧机产品 4
1.3.1 工艺 4
1.3.2 布置工艺 4
1.3.3 技术及装备 5
1.4 中厚钢板生产工艺流程 7
1.5 中厚板剪切机的基本类型和特点 7
1.5.1 斜刀片剪切机 8
1.5.2 圆盘式剪切机 8
1.5.3 滚切式剪切机 9
1.6 滚切式切头剪 12
1.6.1 切头剪概述 12
1.6.2 主要设备组成及技术性能 14
1.6.3 主要零件生产过程质量控制 18
1.6.4 切头剪的特点 19
第二章 电动机的选择与计算 21
2.1 概述 21
2.2 定性选电机 21
2.3 剪切力与剪切功 22
2.3.1计算剪切力 22
2.3.2 计算剪切功 27
2.4 电机的校核 22
第三章 主要零件强度计算校核 31
3.1 齿轮的设计计算 31
3.2 偏心轴的设计计算及校核 34
3.2.1偏心轴的设计 34
3.2.2轴的校核 37
3.2.3按疲劳强度校核轴的安全系数 39
3.2.4刚度验算 40
3.3 轴承的计算与校核 40
3.3.1轴承的选择 40
3.3.2轴承的校核 41
3.4 联轴器的选择 42
3.5 选择制动器 43
3.6 键的选择与校核 44
3.7 刀架的设计计算 45
3.8 箱体的设计 46
第四章 设备的安装,润滑与密封 48
4.1 设备的安装 48
4.2 设备的润滑 48
第五章 轴的可靠性设计 50
5.1 基本概念 50
5.2 轴的可靠性设计 52
5.2.1轴的受力 52
5.2.2轴的应力分布 53
5.2.3材料的疲劳强度 56
5.2.4轴在计算截面处的轴径 58
总结 59
参考文献 60
结束语 61
温馨提示:
1、题目前面的备注【字母数字编号】为本站整理分类的编号,与课题内容无关,请选题时忽视;
2、若题目上备注三维,则表示文件里包含三维源文件,由于三维组成零件数量较多,为保证预览截图的简洁性,本站将三维文件夹进行了打包。三维及CAD预览截图,均为本站电脑打开软件进行截图的,保证能够打开,下载原件超高清,下载后解压即可;
3、本站所有资源如无特殊说明,都需要本地电脑安装Office2007。图纸软件为AutoCAD,PROE,UG,SolidWorks,CATIA等;
4、本站所有图文资料仅供用户学习参考,不作为任何商用或其他用途;
5、本站不保证下载资源的准确性、安全性和完整性, 不包修改,不支持退换,同时也不承担用户因使用这些下载资源对自己和他人造成任何形式的伤害或损失;
6、 下载文件中如有侵权或不适当内容,请与我们联系,我们立即纠正。