

作品包括:
word说明书一份,共39页,约13000字
CAD版本图纸,共3张
目录
前言 1
1实验台整体设计 2
1.1原理设计 2
1.2系统基本设计参数 2
1.3磨料装载部分设计 2
1.4加压装置设计 4
1.5液压缸的设计 4
1.6摩擦实验台设计 9
1.7主轴设计 9
1.8齿轮减速机构设计 14
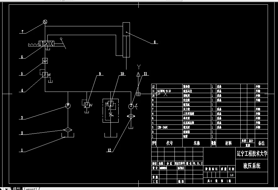
2液压系统设计 24
2.1液压马达选择 24
2.2液压泵选择 25
2.3电动机选择 26
2.4液压传动系统设计 28
3系统运行 32
4结论 34
5可行性分析 34
致谢 35
参考文献 36
摘要
目前,随着科学技术的进步,机械工业也处于突飞猛进的发展,机械的制作工艺以及机械的复杂程度紧随科学技术的进步而发展,但是在机械工业中在材料的磨损方面的研究并不全面,尤其是工作机构与工作对象的磨损在机械的设计研究中没有一个统一的认识,对于工具在磨损方面的寿命没有有利的理论依据,对于磨损造成的机械工作效率的下降没有太准确的估测方案,这样通常会造成机械长时间得在低效率下运行,我们需要一种磨损方面的估测研究,来较准确地测量磨损对不同的材料的影响程度,通过一定的参数来表达这种影响程度的大小,我们可以通过具体数值来估测特定材料在特定磨蚀环境下所表现出来的机械性能,由此我们可以估算机械的工作寿命,在新机械的设计制造过程中可以对机械的寿命进行控制,可以提前知道机械在运行多长时间以后会出现低的工作效率运行的状态,可以在此状态出现之前更换影响效率的工作部件,来保证生产效率。
关键词:磨蚀;估测;寿命;生产效率
温馨提示:
1、题目前面的备注【字母数字编号】为本站整理分类的编号,与课题内容无关,请选题时忽视;
2、若题目上备注三维,则表示文件里包含三维源文件,由于三维组成零件数量较多,为保证预览截图的简洁性,本站将三维文件夹进行了打包。三维及CAD预览截图,均为本站电脑打开软件进行截图的,保证能够打开,下载原件超高清,下载后解压即可;
3、本站所有资源如无特殊说明,都需要本地电脑安装Office2007。图纸软件为AutoCAD,PROE,UG,SolidWorks,CATIA等;
4、本站所有图文资料仅供用户学习参考,不作为任何商用或其他用途;
5、本站不保证下载资源的准确性、安全性和完整性, 不包修改,不支持退换,同时也不承担用户因使用这些下载资源对自己和他人造成任何形式的伤害或损失;
6、 下载文件中如有侵权或不适当内容,请与我们联系,我们立即纠正。