

作品包括:
Word版说明书1份,共88页,约10000字
S7-200 PLC程序一份
组态王6.53 组态画面一份
电气CAD图纸图纸
IO分配

根据对温室大棚种植的品种不同(以桂林地区主要农产品:草莓和小葱),利用PLC实现对温度、湿度、光照、灌溉、施肥等的综合控制,从而达到农作物的生长环境,同时能通过对参数的灵活改变,满足对不同作物的生长要求
摘 要
温室技术具有合理利用农业资源、保护生态环境、提高农产品产量及在国际市场竞争力等优势,已成为当前国际前沿性研究领域。如何利用自动控制系统有效地提高温室环境控制水平和现代化管理程度,是温室技术研究的重要课题之一。随着过程控制技术、通讯技术、自动检测技术及计算机技术的发展,将工业上较为成熟的、先进的控制方法和管理手段引入到农业的生产设施中,实施有效的温室环境控制,已成为现阶段温室技术的主要研究方向。
本文论述了温室环境的控制原理,分析了温度、湿度对温室内作物的影响,并在此基础上提出了智能化温室环境控制系统的总体方案,设计了系统的主电路图,随之基于PLC可编程控制器的控制系统,通过西门子S7-226 PLC编程软件MircoWin/Step7软件进行程序编写,使用组态王进行了仿真,最终达到满足温室控制的要求。
关键词:温室;可编程控制器;组态王
摘 要 2
目录 3
1 概 述 4
1.1选题的意义与目的 4
1.2研究现状 4
2 总体设计 6
2.1 设计要求 6
2.2 方案设计 6
3 硬件设计 8
3.1 PLC的选型 8
3.2 主电路设计 8
3.3 控制电路图 10
3.4 PLC输入和输出分配表 12
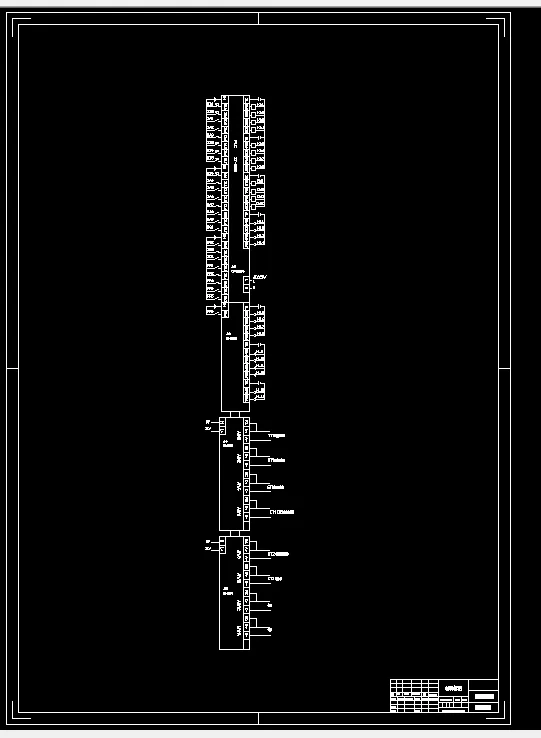
3.7 PLC输入和输出接线图 13
4 软件设计 17
4.1 控制程序流程图 17
4.2 PLC内部使用地址表 18
4.3 PLC梯形图程序 20
4.4 语句表程序 57
5 组态设计 78
5.1 通信设定 78
5.2 组态王变量连接 79
5.3 组态画面 80
5.4 运行 83
结束语 86
参考文献 87
致 谢 88
温馨提示:
1、题目前面的备注【字母数字编号】为本站整理分类的编号,与课题内容无关,请选题时忽视;
2、若题目上备注三维,则表示文件里包含三维源文件,由于三维组成零件数量较多,为保证预览截图的简洁性,本站将三维文件夹进行了打包。三维及CAD预览截图,均为本站电脑打开软件进行截图的,保证能够打开,下载原件超高清,下载后解压即可;
3、本站所有资源如无特殊说明,都需要本地电脑安装Office2007。图纸软件为AutoCAD,PROE,UG,SolidWorks,CATIA等;
4、本站所有图文资料仅供用户学习参考,不作为任何商用或其他用途;
5、本站不保证下载资源的准确性、安全性和完整性, 不包修改,不支持退换,同时也不承担用户因使用这些下载资源对自己和他人造成任何形式的伤害或损失;
6、 下载文件中如有侵权或不适当内容,请与我们联系,我们立即纠正。