

作品包括:
Word版说明书1份,共118页,约16000字
CAD版本图纸,共9张
S7-200 PLC程序一份
IO分配

摘 要
本论文详细论述了风力发电水冷控制系统的设计步骤,通过对水冷控制的充分了解,以行业现状为出发点,
结合其他行业自动控制技术的应用情况,提出了基于PLC的风力发电水冷控制系统的基本结构。
为了提高自动控制系统的可靠性和设备的工作效率,设计了一套以PLC为核心的水冷控制系统,
进行了总体设计,选择了硬件,设计了主电路图,控制电路图,PLC接线图,梯形图设计和TD400文本显示设计。
关键词:水冷系统,自动控制,梯形图
目录
1 绪 论 4
1.1选题的背景与意义 4
1.2研究的基本内容与拟解决的主要问题 4
2 总体设计 5
2.1功能换算 5
2.2换热器选型 6
3 工艺说明 9
4 硬件选择 12
4.1 PLC的型号选择 12
4.2 温度传感器选型 12
4.3 接触器选型 12
4.4电磁阀选型 13
4.5 三通调节阀选型 13
5 硬件设计 14
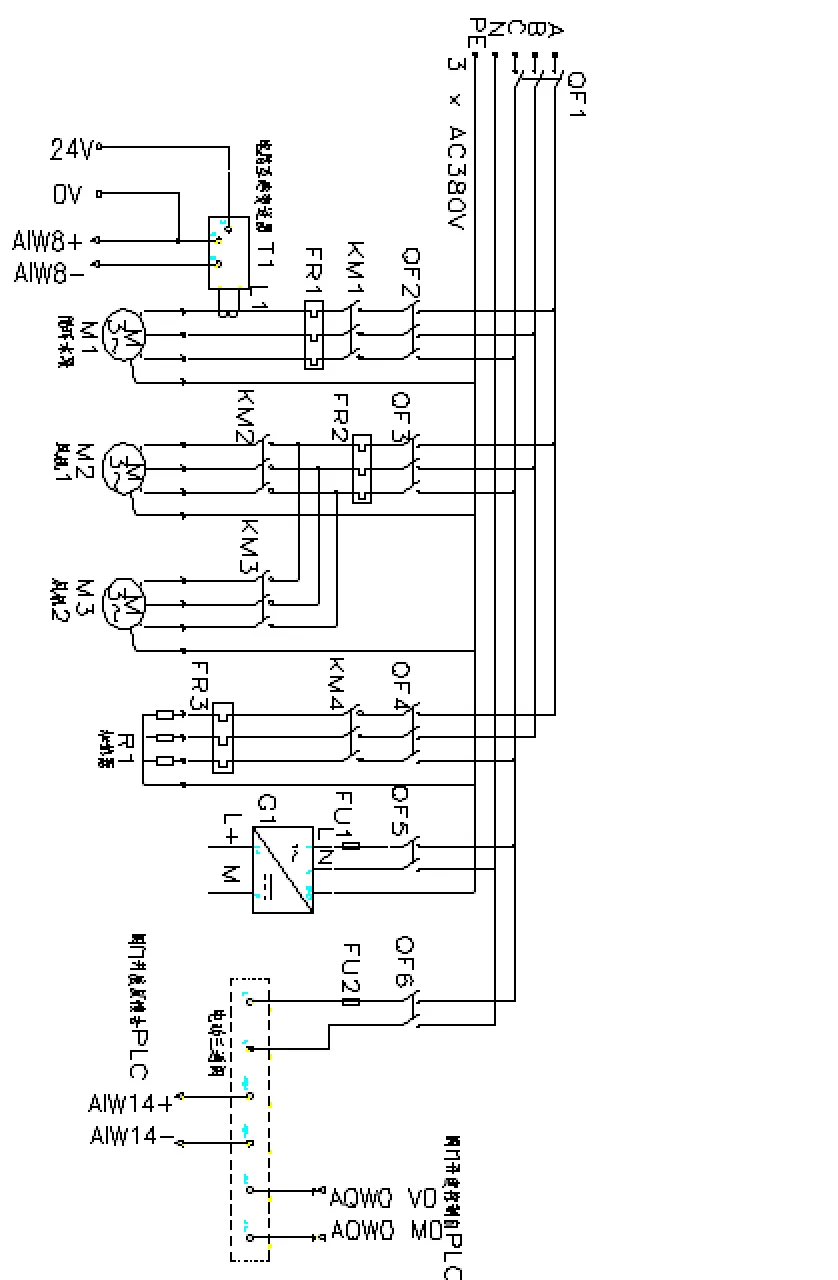
5.1 主电路设计 14
5.2 控制电路图 16
5.4 输入和输出分配表 17
5.4 PLC输入/输出接线图 18
6 软件设计 23
6.1 内部使用地址 23
6.2 程序结构 25
6.3 梯形图程序 26
6.4 语句表程序 32
6.5 TD400文本画面 32
结 论 33
参考文献 34
致谢 36
附 录 37
附录1 梯形图程序 37
附录2 语句表程序 84
附录3 文本显示 108
温馨提示:
1、题目前面的备注【字母数字编号】为本站整理分类的编号,与课题内容无关,请选题时忽视;
2、若题目上备注三维,则表示文件里包含三维源文件,由于三维组成零件数量较多,为保证预览截图的简洁性,本站将三维文件夹进行了打包。三维及CAD预览截图,均为本站电脑打开软件进行截图的,保证能够打开,下载原件超高清,下载后解压即可;
3、本站所有资源如无特殊说明,都需要本地电脑安装Office2007。图纸软件为AutoCAD,PROE,UG,SolidWorks,CATIA等;
4、本站所有图文资料仅供用户学习参考,不作为任何商用或其他用途;
5、本站不保证下载资源的准确性、安全性和完整性, 不包修改,不支持退换,同时也不承担用户因使用这些下载资源对自己和他人造成任何形式的伤害或损失;
6、 下载文件中如有侵权或不适当内容,请与我们联系,我们立即纠正。