

作品包括:
Word版说明书1份,共42页,约7000字
S7-200 PLC程序一份
电气CAD图纸一份
IO分配

摘要
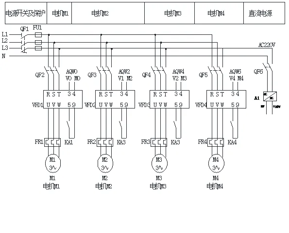
本设计是基于PLC的传送带控制系统的设计,采用西门子S7-200小型可编程控制器为控制核心,设计了一套四级传送带控制系统。为了进行速度匹配,每条传送带都通过变频器进行调速。启动时反向启动,停止时顺向停止。安装有急停,有紧急停下立即停止系统,有堆积检测,温度高报警,超温停止,短路,过载等多种保护措施。通过分析控制要求,进行了总体设计;进行了硬件设计,选择了PLC和模拟量输入输出模块,设计了主电路和电源电路,设计了PLC的输入和输出接线图;进行了软件设计,定义了PLC内部使用地址,使用S7-200编程软件编写了梯形图程序,达到了预期的设计目的。
关键词:传送带;可编程控制器;变频器
目 录
摘 要 2
ABSTRACT 3
目 录 4
1 绪论 5
2 总体设计 6
3 硬件设计 8
3.1 PLC选择 8
3.2 主电路和电源电路 8
3.3 PLC输入和输出分配 9
3.5 PLC接线图 10
4 软件设计 13
4.1 内部使用地址 13
4.2 梯形图程序 14
总 结 40
致 谢 41
参 考 文 献 42
温馨提示:
1、题目前面的备注【字母数字编号】为本站整理分类的编号,与课题内容无关,请选题时忽视;
2、若题目上备注三维,则表示文件里包含三维源文件,由于三维组成零件数量较多,为保证预览截图的简洁性,本站将三维文件夹进行了打包。三维及CAD预览截图,均为本站电脑打开软件进行截图的,保证能够打开,下载原件超高清,下载后解压即可;
3、本站所有资源如无特殊说明,都需要本地电脑安装Office2007。图纸软件为AutoCAD,PROE,UG,SolidWorks,CATIA等;
4、本站所有图文资料仅供用户学习参考,不作为任何商用或其他用途;
5、本站不保证下载资源的准确性、安全性和完整性, 不包修改,不支持退换,同时也不承担用户因使用这些下载资源对自己和他人造成任何形式的伤害或损失;
6、 下载文件中如有侵权或不适当内容,请与我们联系,我们立即纠正。