

作品包括:
Word版说明书1份,共46页,18000字
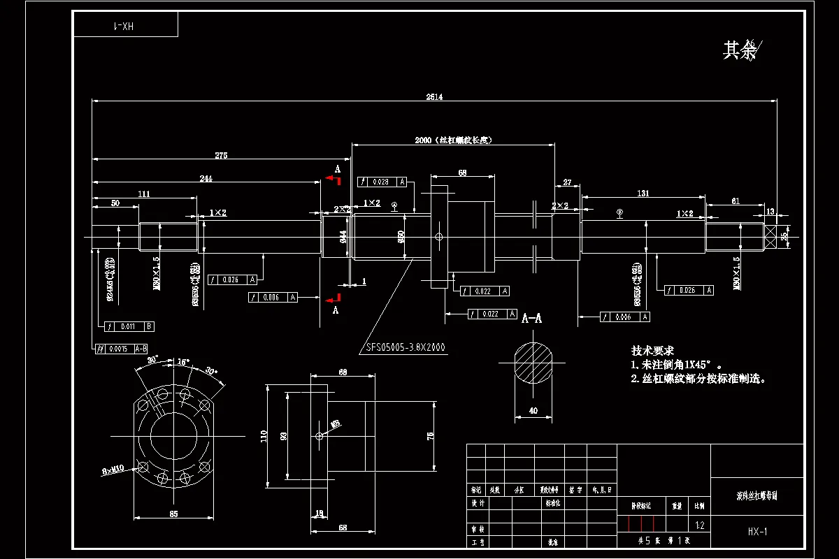
CAD版本图纸,共4张

摘要
随着现代机床以及世界经济飞速的发展,对机床的精确度和各个传动机构提出了很高的要求。二十一世纪是一个科技创新和发展生产力相互作用的时代,科技的创新发展提高了生产力的发展水平,生产力水平不足从而促进了科技的创新。工的重要前提。制造业的高精度和高效加工是高速加工中心工作性能的不断的重要前提。
本次设计是完成T5型数控钻孔攻牙机横向进给机构的设计。设计的主要内容包括:滚珠丝杠选型、轴承座的选择、丝杠全长确定、电动机计算选择、丝杠校核确定、导轨的设计、工作台设计等。各个部位的零件图通过在AUTOCAD的图纸上用平面的形式表现出来,可以直观全面的分析和计算本次设计的数据,以及各个传动部位之间的联系。本文就是通过分析和计算各个零件的受力及传动关系,来完成对传动各部件的设计。
关键词:传动部件、横向进给机构,选择滚珠丝杆、导轨的设计。
目录
第一章绪论1
1.1课题研究的背景与意义1
1.2课题研究内容1
1.3本章小结2
第二章横向进给机构总体方案设计3
2.1总体设计方案3
2.2横向进给机构的详细设计方案3
2.2.1滚珠丝杠副3
2.2.2丝杠的全长确定4
2.2.3其他部件的设计4
第三章详细参数与已知条件7
3.1 T-5参数7
3.1.1行程7
3.1.2工作台7
3.1.3主轴7
3.1.4进给7
3.1.5快速换刀8
3.2已知条件8
3.2.1计算主切削力及其切削力计算8
3.2.2导轨摩擦力详细计算8
3.2.3计算滚珠丝杠螺母副的轴向负载力9
3.3本章小结10
第四章横向进给机构详细设计11
4.1滚珠丝杠选型11
4.1.1确定导程11
4.1.2确定当量转速与当量载荷11
4.1.3预期额定动荷载13
4.1.4确定允许的最小螺纹底径14
4.1.5确定滚珠丝杠副的规格代号16
4.1.6确定滚珠丝杠副预紧力16
4.1.7行程补偿值与预拉伸力16
4.2轴承座的选择17
4.2.1确定滚珠丝杠副支承用的轴承代号,规格17
4.3螺母座及螺母尺寸18
4.4丝杠全长19
4.4.1滚珠丝杠副工作图设计19
4.5电机选择19
4.5.1作用在滚珠丝杠副上各种转矩计算19
4.5.2负载转动惯量及传动系统转动惯量的计算20
4.5.3加速转矩和最大加速转矩20
4.5.4电动机最大启动转矩20
4.5.5电动机连续工作的最大转矩21
4.5.6按照样本选用电动机是注意以下三个方面21
4.6丝杠校核确定21
4.6.1丝杠的抗压刚度21
4.6.2支承轴承组合刚度22
4.6.3刚度验算及精度选择23
4.6.4验算临界压缩载荷24
4.6.5验算临界转速25
4.6.6Dn值验算25
4.7导轨的设计25
4.7.1额定负荷25
4.7.2基本动额定负荷26
4.7.3工作负荷26
4.7.4摩擦力28
4.7.5润滑28
4.7.6直线导轨的配置28
4.8工作台板设计29
4.9底座设计30
4.9.1机床底座铸件选择30
4.9.2机床底座尺寸31
第五章总结与展望33
5.1总结33
5.2展望35
致谢36
参考文献37
温馨提示:
1、题目前面的备注【字母数字编号】为本站整理分类的编号,与课题内容无关,请选题时忽视;
2、若题目上备注三维,则表示文件里包含三维源文件,由于三维组成零件数量较多,为保证预览截图的简洁性,本站将三维文件夹进行了打包。三维及CAD预览截图,均为本站电脑打开软件进行截图的,保证能够打开,下载原件超高清,下载后解压即可;
3、本站所有资源如无特殊说明,都需要本地电脑安装Office2007。图纸软件为AutoCAD,PROE,UG,SolidWorks,CATIA等;
4、本站所有图文资料仅供用户学习参考,不作为任何商用或其他用途;
5、本站不保证下载资源的准确性、安全性和完整性, 不包修改,不支持退换,同时也不承担用户因使用这些下载资源对自己和他人造成任何形式的伤害或损失;
6、 下载文件中如有侵权或不适当内容,请与我们联系,我们立即纠正。