

作品包括:
Word版说明书1份,共44页,约15000字
任务书一份
开题报告一份
CAD版本图纸,共15张


摘要
筛板塔是传质过程常用的塔设备,它的主要优点有:⑴结构比浮阀塔更简单,易于加工,造价约为泡罩塔的60%,为浮阀塔的80%左右。⑵处理能力大,比同塔径的泡罩塔可增加10~15%。⑶塔板效率高,比泡罩塔高15%左右。⑷压降较低,每板压力比泡罩塔约低30%左右。虽然筛板塔有:⑴塔板安装的水平度要求较高,否则气液接触不匀。⑵操作弹性较小(约2~3)。⑶小孔筛板容易堵塞等缺点。但它由于具有前述的一些优点,因而在化工,石油,能源等行业的应用中仍处于板式塔应用的主导地位。本次以介质的性质、温度和压强,以及公称直径和当地自然环境为设计条件,综合考虑各方面的因素选定板式筛板塔,具体步骤主要包括壳体、封头壁厚的设计与较核,基础环板,裙座等零部件的设计,同时结合所选定的材料和工作环境制定相应的焊接工艺和制作、组装和加工工艺。
关键词:筛板塔;塔盘;降液管
目录
1概述1
1.1DN1600斜孔塔的简介1
1.2板式精馏技术及发展4
2塔结构设计5
2.1塔设计内容5
2.1.1设计参数5
2.1.2塔结构简图5
2.2主体材料强度指标6
2.3筒体、封头壁厚确定6
2.3.1筒体厚度计算6
2.3.2封头厚度计算7
2.4塔体上各项载荷计算7
2.4.1塔质量7
2.4.2风载荷和风弯矩计算8
2.4.3地震力及地震弯矩计算9
2.4.4最大弯矩11
2.5塔体的强度及轴向稳定性验算12
2.5.1塔体2-2截面的各项轴向应力计算12
2.5.2塔体2-2截面抗压强度及轴向稳定性验算12
2.6裙座的强度及稳定性校核12
2.6.1裙座底部0-0截面轴向应力计算: 12
2.6.2裙座检查孔1-1截面强度校核13
2.6.3裙座焊缝强度校核13
2.7压试验时塔的强度和稳定性验算13
2.7.1水压试验时塔体2-2截面的强度校核13
2.7.2水压试验时裙座底部0-0截面的强度和轴向稳定性校核14
2.8基础环板设计14
2.8.1基础环板内外径的确定14
2.8.2混泥土强度校核14
2.8.3基础环板厚度设计15
2.8.4地脚螺栓的设计15
2.8.5筋板的设计与计算16
2.8.6盖板的设计和计算17
2.9开孔及开孔补强17
2.9.1工艺水进口N03开孔及开孔补强17
2.9.2贫甲醇进口N07开孔及开孔补强19
2.9.3工艺水出口N02开孔及开孔补强20
2.9.4人孔开孔及其开孔补强22
2.10接管和法兰的选用24
3甲醇水分离塔辅助装置以及附件25
3.1回流冷凝器25
3.1.1整体式25
3.1.2自流式25
3.1.3强制循环式25
3.2管壳式换热器的设计与选型26
3.2.1流体流动阻力(压强降)的计算26
3.2.2管壳式换热器的选型27
3.3再沸器27
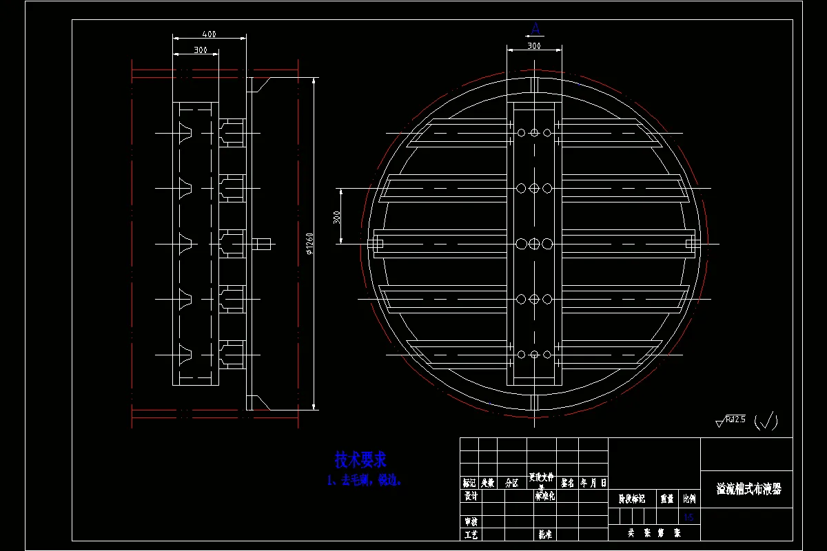
3.4加热蒸气鼓泡管28
3.5离心泵的选择29
4塔设备的制造、安装30
4.1制造要求30
4.2组装要求30
4.3焊接及其特点31
4.4热处理32
4.5大型塔设备的安装32
设计总结33
致谢35
参考文献36
附录I主要符号说明36
温馨提示:
1、题目前面的备注【字母数字编号】为本站整理分类的编号,与课题内容无关,请选题时忽视;
2、若题目上备注三维,则表示文件里包含三维源文件,由于三维组成零件数量较多,为保证预览截图的简洁性,本站将三维文件夹进行了打包。三维及CAD预览截图,均为本站电脑打开软件进行截图的,保证能够打开,下载原件超高清,下载后解压即可;
3、本站所有资源如无特殊说明,都需要本地电脑安装Office2007。图纸软件为AutoCAD,PROE,UG,SolidWorks,CATIA等;
4、本站所有图文资料仅供用户学习参考,不作为任何商用或其他用途;
5、本站不保证下载资源的准确性、安全性和完整性, 不包修改,不支持退换,同时也不承担用户因使用这些下载资源对自己和他人造成任何形式的伤害或损失;
6、 下载文件中如有侵权或不适当内容,请与我们联系,我们立即纠正。